Speedometer and Odometer stopped working?

Tiny
AUNTMANDIE
  • MEMBER
  • 2002 NISSAN PATHFINDER
  • 3.5L
  • 6 CYL
  • 4WD
  • AUTOMATIC
  • 260,000 MILES
Two nights ago, I hit a bump while I was driving. From that moment on, the speedometer will not provide a reading and the odometer reading will not increase. The tachometer appears to be displaying the RPMs accurately (going by the feel of the car) and everything else appears to be functioning normally. Knowing that the car's computer knows the time but needs the speed to calculate the distance traveled (distance = speed x time) and provide an accurate odometer reading, it seems plausible that the speed sensor has either become damaged or the wiring to it has become disconnected.

I have an inexpensive OBDII reader tool that uses Bluetooth and allows me to read the DTC in an app on my phone, and (assuming it is correct) it has thrown the code P0500 for the vehicle speed sensor malfunction. From what I've learned, I need to check the connections for the wiring harness/visually inspect and then test the speed sensor located somewhere near the transmission, as the wheel speed sensors would have thrown a different code.

Am I correct in my understanding of all of this? If so, could you please provide images of where the vehicle speed sensor is located in the vehicle listed above, SE so that I can check it out? Thank you so much in advance for any and all help you may be able to provide!
Sunday, October 30th, 2022 AT 12:41 AM

1 Reply

Tiny
AL514
  • MECHANIC
  • 5,597 POSTS
Hello, you are correct, although service info is stating the Vehicle speed sensor signal is sent from the abs module to the Instrument Cluster, I will look a bit more into the service data, but I would check the wheel speed sensors connectors to begin with, they are not hard to take a quick look and see if any of the connectors may have come apart or been damaged. I would also expect to see a different code. but I will post the information on that part anyway.
Did the ABS light come on or just the check engine light?

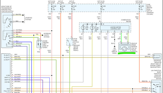
Well, they make this as confusing as possible, there is another vehicle speed sensor on top of the transmission and there is a type of speed sensor on the front transfer case, I would start with the one on top of the transmission. I am not sure why there is conflicting service information, but there always seems to be.
Do to the location of this Revolution sensor being on top of the transmission and almost impossible to get to without dropping part of the transmission, I would inspect all 4 wheel speed sensors, and look around the transmission for any damaged wiring harnesses, as well as take a look at the front transfer case wiring for damage, it doesn't look like the sensor on top of the transmission is going to fall out by just hitting a pothole. It would be more likely that part of the wiring harness was damaged, or a main connector sustained damage.

There are 2 Recalls I came across and think you should at least know about, interestingly, one of them has to do with the area where the ABS wheel speed sensor would be. Pages 7 and 8 go together, and pages 9 to 14 go together. Both are Recalls.

https://www.2carpros.com/articles/abs-wheel-speed-sensor-test
Was this
answer
helpful?
Yes
No
Sunday, October 30th, 2022 AT 10:10 AM

Please login or register to post a reply.