Thursday, March 31st, 2011 AT 8:54 PM
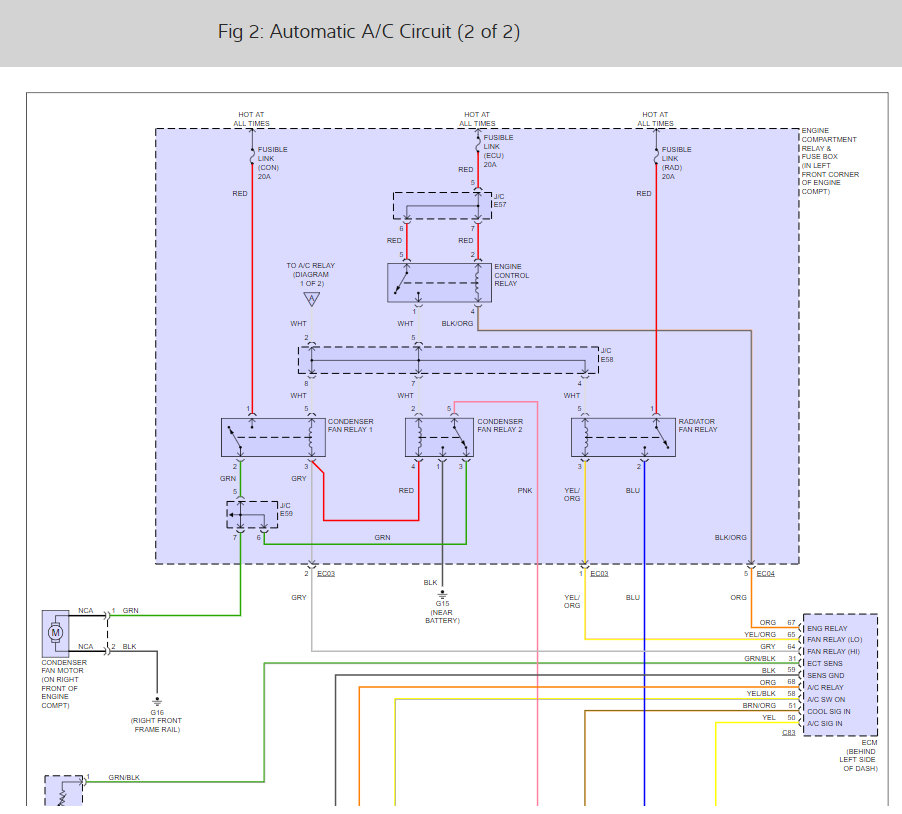
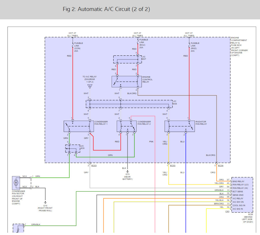
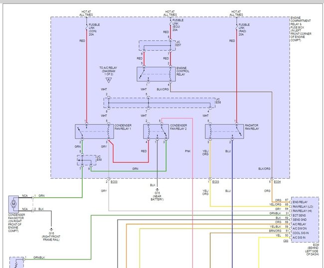
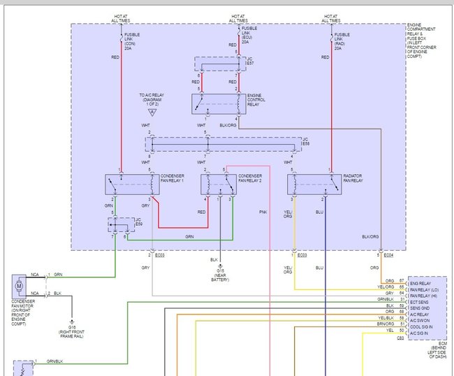
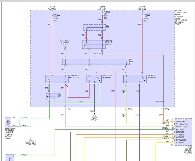
The A/C compressor clutch will not engage because of low R134a pressure. Went to jumper pressure switch to start charge but found 4 contacts rather than two. Which ones to jumper and not mess up? Diagram female socket please.













