Thursday, February 3rd, 2011 AT 5:06 PM
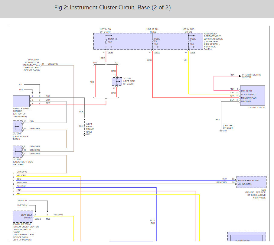
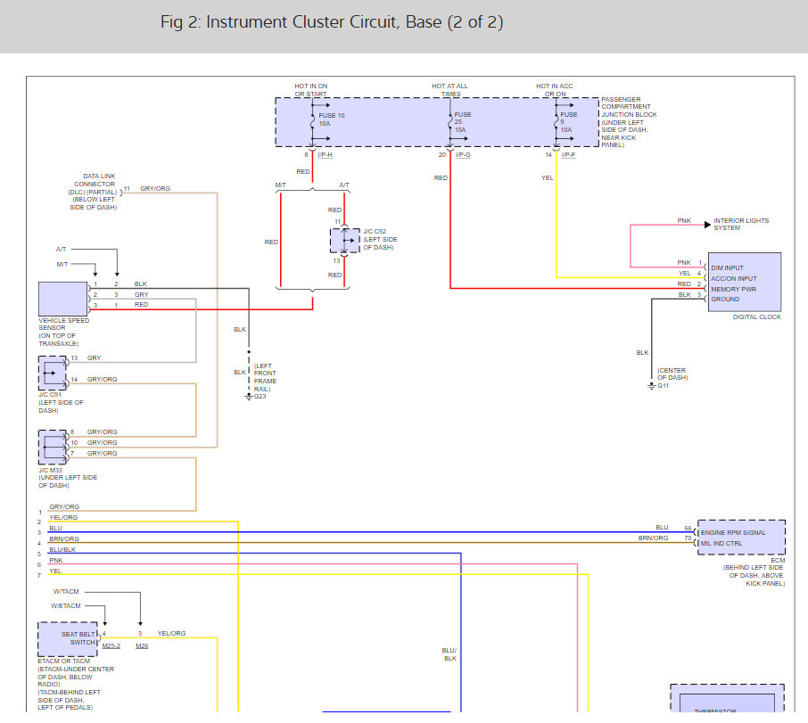
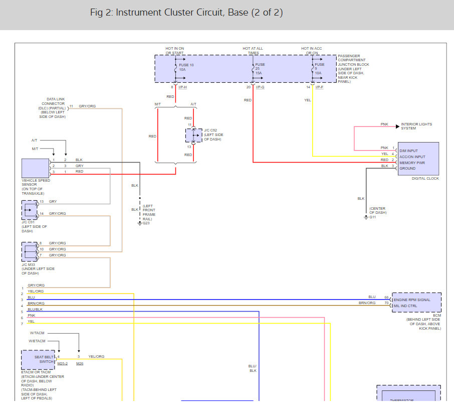
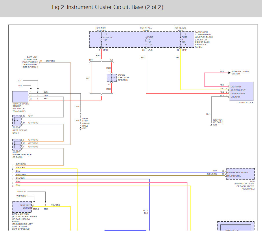
Hi, I have the GT model and I have following electrical problem: Everything seems to be working except fuel and coolant temperature gauges, dashboard light, clock, radio, passenger room light, remote lock/unlock and the door light. I checked all fuses and they seem to be okay so I assume it is one of the relays. I do not have the wiring diagram and I am not able to get it from www. Hmaservice. Com, the site is not cooperating properly with any of my computers (regardless of SVG plugins). Could you please either send me the wiring diagram or (better:-) give me an advice which relay (if this is a relay issue) it might be, please? Thank you.






