VCS light on dash illuminated. Only VCS light on dash turns on when putting car in drive and starting to drive forward.
Once when parked in a drive through ABS light came on then went away within minutes. ABS light was only on when car was not moving and it was very briefly on.
Took car to Toyota dealership. This is the Invoice:
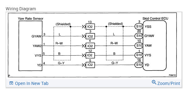
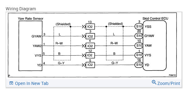
VSC light is on. Perform health check found codes c1210 zero point
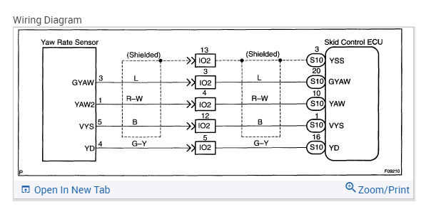
calibration of yaw rate sensor undone and c1336 zero point calibration of deceleration sensor undone and c1234 yaw rate sensor. Followed tis procedures. Proceed to perform zero point calibration of yaw rate sensor. Dtc codes c1210 and c1336 cleared. Code c1234 remained, followed tis procedure inspect yaw rate sensor using data list, place the yaw rate sensor vertically to the ground an turn the sensor pivoted on its center, yaw rate value changes. Then proceed next step to check skid control ecu terminal voltage, terminals yd and of skid control ecu is good. Voltage on test is 4.73v which is between the specs of voltage 4.5-5.3v. Next step is to replace skid control ecu
assy. And recheck. Test drove vehicle light did not return, if light return it skid control ecu may be needed... Note, skid control is no longer available. Discontinued. Part# 89540-48230
Tried replacing ECU Skid Control part #89540-48230, VCS light is the only light on dash that comes on every time I start to drive the car forward and remains on. No ABS light, check engine light, etc. Comes on dash. Only VCS light.
Please Help!
Thursday, November 3rd, 2022 AT 10:28 AM





