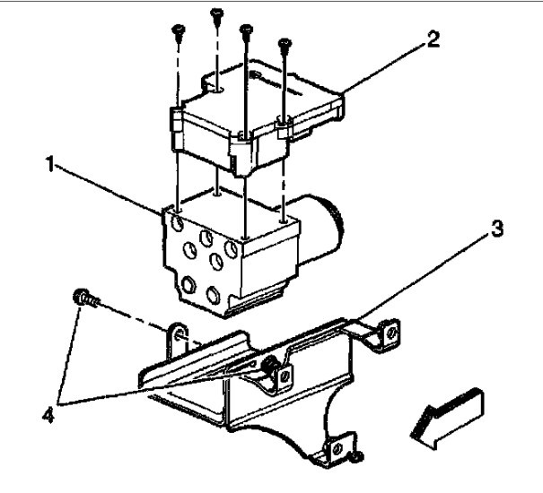
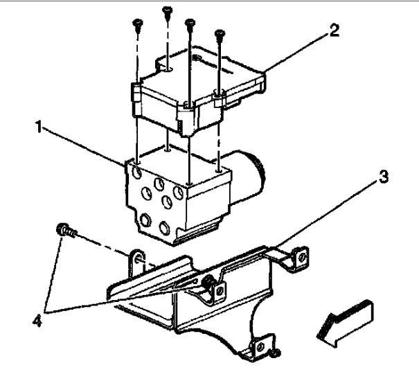
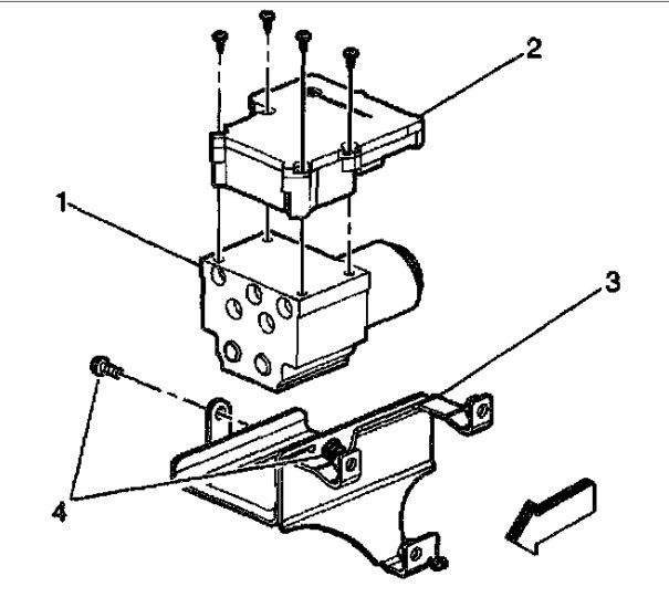
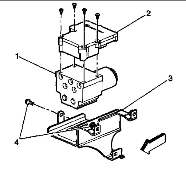
ABS module

Tiny
LILANYO
  • MEMBER
  • 2002 GMC YUKON
  • V8
  • 2WD
  • AUTOMATIC
  • 145,000 MILES
How do you replace ecbm module for 02 yukon xl
Friday, May 20th, 2011 AT 7:34 AM

2 Replies

Tiny
WRENCHTECH
  • MECHANIC
  • 20,761 POSTS
There are four screws that hold it to the hydraulic unit that should not be re-used.
Was this
answer
helpful?
Yes
No
-2
Thursday, March 11th, 2021 AT 1:25 PM
Tiny
SQM
  • MECHANIC
  • 6,383 POSTS
Hello,

The electronic brake control module (EBCM) is located along the frame under the driver side (see diagram).

Here is a helpful video:

https://youtu.be/lUotkKXG9dY

https://www.2carpros.com/articles/how-to-replace-a-abs-controller

Depending on if your vehicle is equipped with active brake, the replacement procedure varies slightly.
I have attached the replacement procedure for both the active and standard brake system.

Please let me know of any questions.
Thank you.
Was this
answer
helpful?
Yes
No
Friday, October 8th, 2021 AT 4:21 PM

Please login or register to post a reply.