Heater core?

Tiny
ANONYMOUS
  • MEMBER
  • 2002 FORD F-150
  • 167,000 MILES
I am getting steam from my vents and also smells like raidiator overheating which is isn't someone told me it was the heater core but I have no water in the cab can you help?
Friday, January 25th, 2013 AT 4:15 AM

1 Reply

Tiny
CARADIODOC
  • MECHANIC
  • 34,463 POSTS
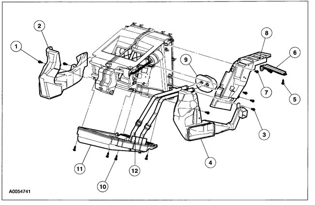
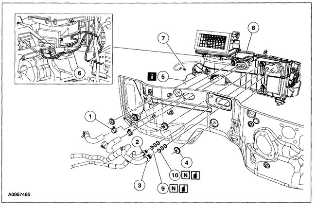
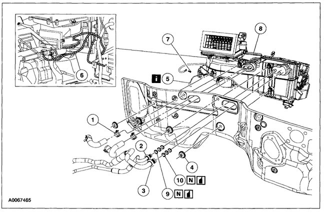
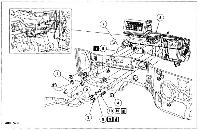
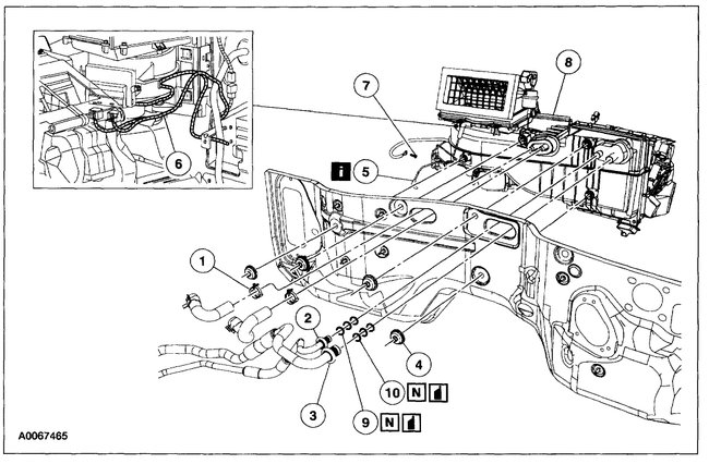
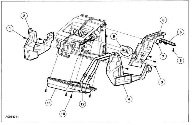
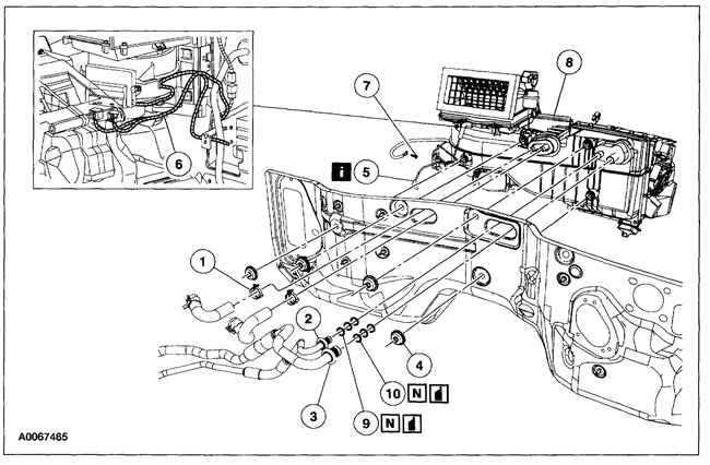
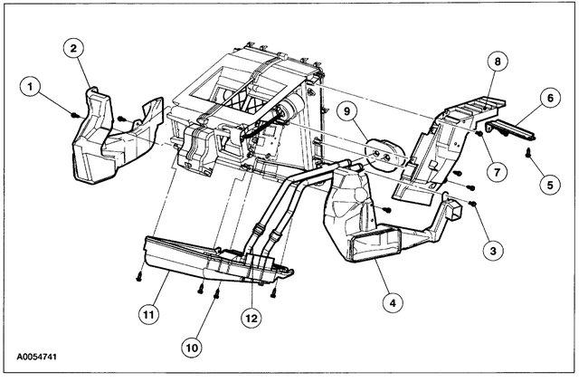
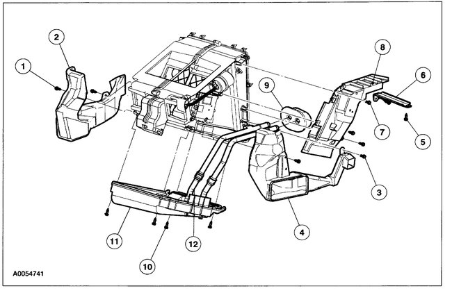
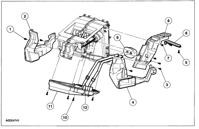
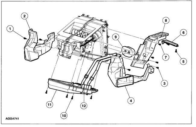
If the truck came from the factory with air conditioning, there will be a drain pan under the heater core to collect the water that condenses on the evaporator. If the heater core is leaking, you'll find the coolant dripping from that drain onto the ground behind and left of the passenger front tire. Here is a guide that will help walk you through the steps of changing it with diagrams below to show you how on your truck.

https://www.2carpros.com/articles/replace-heater-core

Check out the diagrams (Below). Please let us know if you need anything else to get the problem fixed.
Was this
answer
helpful?
Yes
No
Monday, April 19th, 2021 AT 3:12 PM

Please login or register to post a reply.