Blinkers, hazard lights and bright lights wont work?

Tiny
SHASHA2407
  • MEMBER
  • 2002 FORD EXPLORER
  • 0.8L
  • 6 CYL
  • 2WD
  • AUTOMATIC
  • 270,000 MILES
Just bought ford exployer sport track blinks hazard lights and bright lights wont work

Sunday, February 1st, 2015 AT 6:27 PM

2 Replies

Tiny
JACOBANDNICKOLAS
  • MECHANIC
  • 110,192 POSTS
Have you checked fuses? If they are good, it sounds like a bad multi function switch.
Was this
answer
helpful?
Yes
No
Monday, February 2nd, 2015 AT 5:21 AM
Tiny
KEN L
  • MASTER CERTIFIED MECHANIC
  • 55,322 POSTS
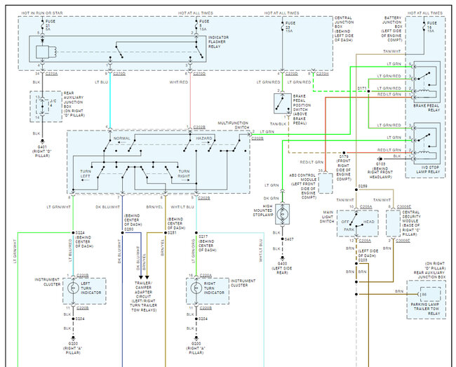
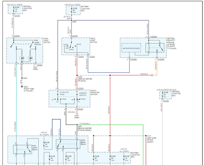
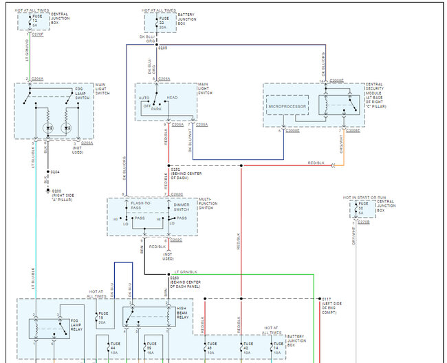
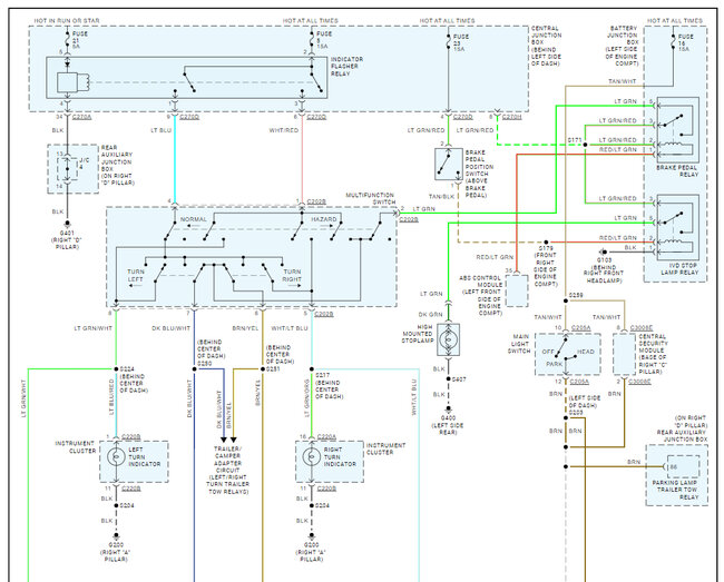
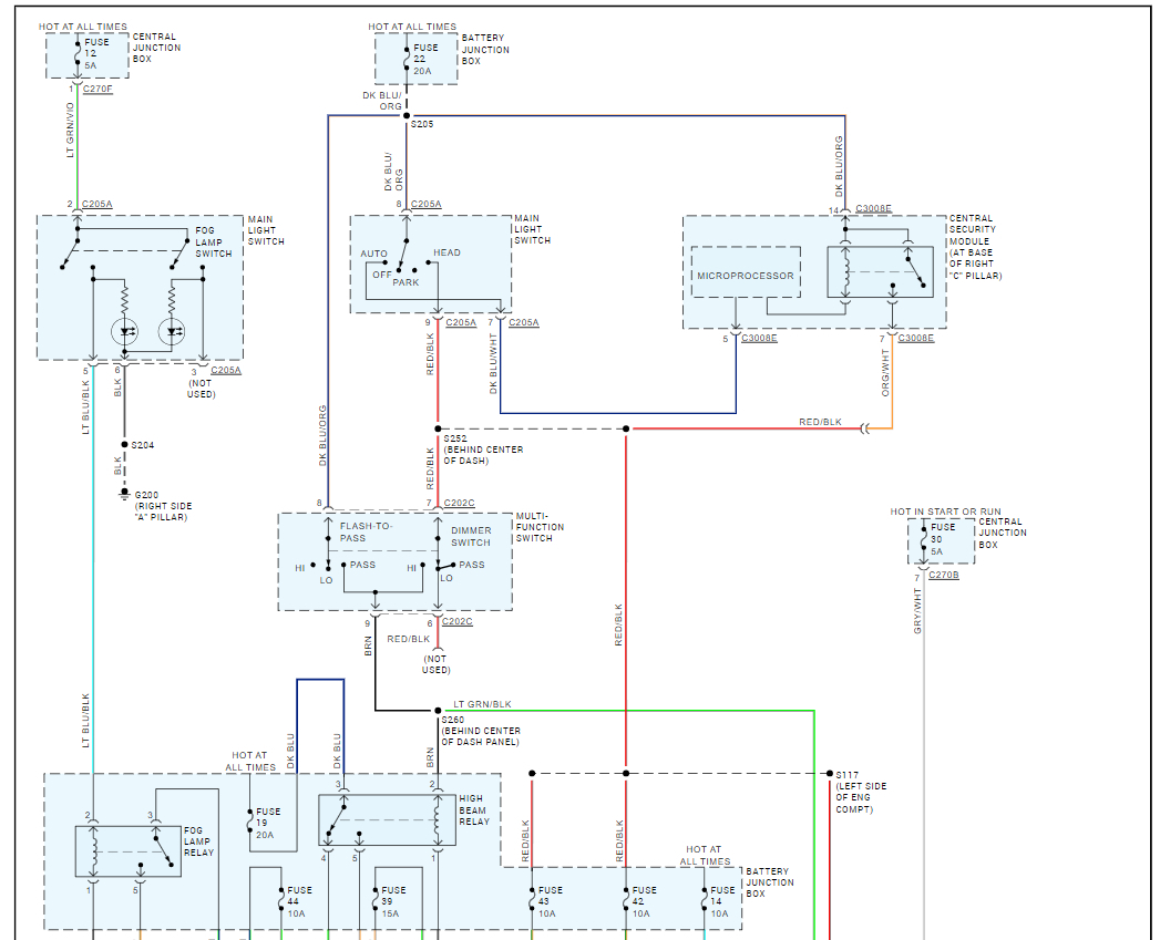
These might be separate problems, but we have some fuses to check first. Here is a guide to help and the headlight and blinker wiring diagrams so you can see which fuses to check and how the system works.

https://www.2carpros.com/articles/how-to-check-a-car-fuse

If the fuses are good I would swap out the multifunction switch, they go out all the time, here is how. Check out the images (below). Please let us know what happens.

Was this
answer
helpful?
Yes
No
Wednesday, July 24th, 2024 AT 6:56 PM

Please login or register to post a reply.