HOME
ASK A QUESTION
REPAIR GUIDES
BECOME A MEMBER
LOG IN
Login with Facebook
OR
Remember me
NOT A MEMBER?
FORGOT PASSWORD?
CONTACT US
PRIVACY POLICY
TERMS AND CONDITIONS
☰
Home
Ford
Expedition
Engine
Wiring
Where could I find engine diagrams for 2002 Ford Expedition 4.6l trying to figure out brackets and wiring
TDBEAR34
MEMBER
2002 FORD EXPEDITION
Just put in new engine dont know where all the brackets and wiring plugs go
Monday, October 31st, 2011 AT 4:51 PM
3 Replies
JACOBANDNICKOLAS
MECHANIC
110,176 POSTS
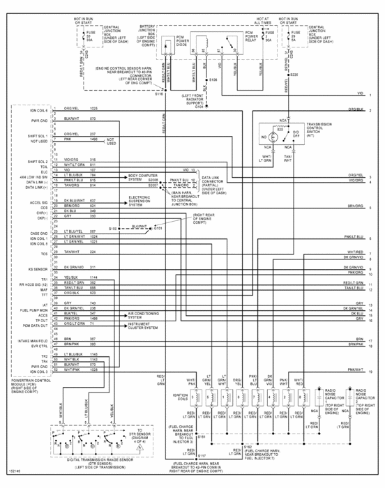
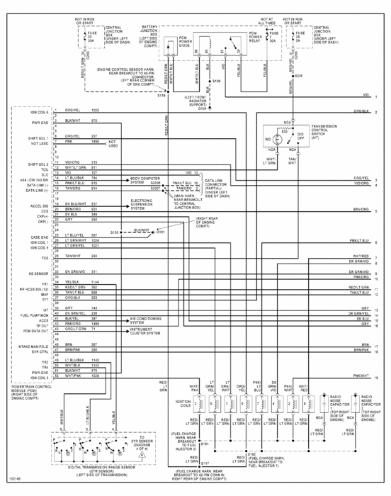
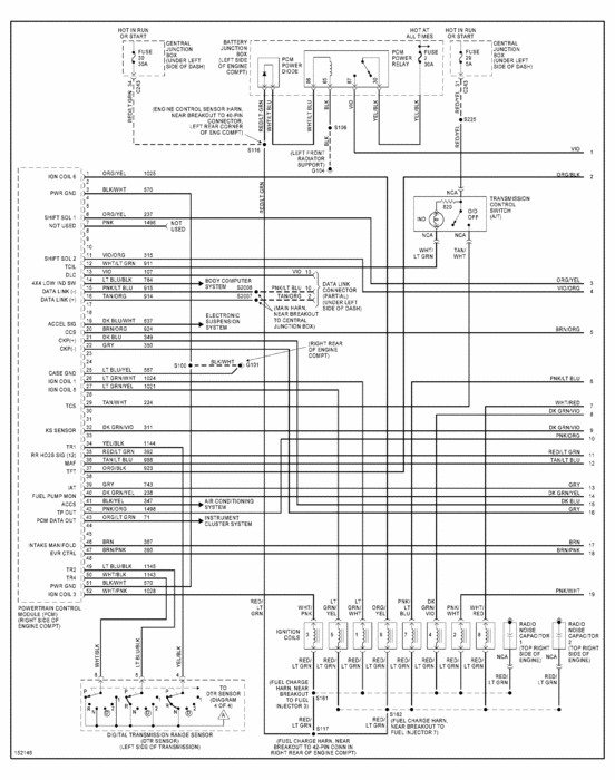
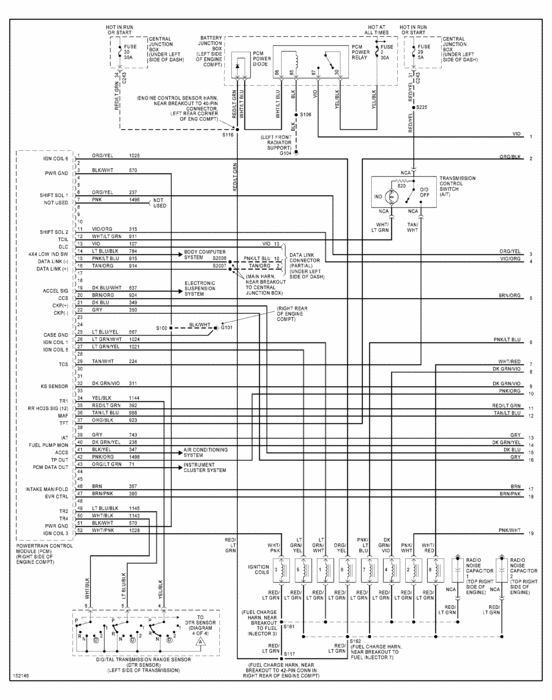
The best I will have is a wiring schematic. Will that work?
Was this
answer
helpful?
Yes
No
Monday, October 31st, 2011 AT 6:08 PM
TDBEAR34
MEMBER
4 POSTS
Yes that will work, you dont know about the brackets
Was this
answer
helpful?
Yes
No
Wednesday, November 2nd, 2011 AT 8:41 PM
JACOBANDNICKOLAS
MECHANIC
110,176 POSTS
Sorry about the delay
Images (Click to make bigger)
Was this
answer
helpful?
Yes
No
+2
Friday, November 4th, 2011 AT 5:28 AM
Please
login
or
register
to post a reply.
Related Engine Wiring Content
Computer Problem
When I Go To Take Off Most Of The Times My A/c, Radio, All Gauges And Windows Do Not Work. After About A Couple Minutes They Come Back On.
Asked by
lmexpo2003
·
1 ANSWER
2 IMAGES
2002
FORD EXPEDITION
Is There An Idle Speed Adjustment On This Engine?
Is There An Idle Speed Adjustment On This Engine?
Asked by
esylivin7117
·
1 ANSWER
7 IMAGES
2002
FORD EXPEDITION
Oil Pressure Sensor
What Are The Signs When An Oil Pressure Sensor Goes Bad?
Asked by
ken777
·
1 ANSWER
1 IMAGE
1998
FORD EXPEDITION
2003 Ford Expedition Idle Air Control Motor
2003 Ford Expedition V8 Four Wheel Drive Automatic How To Fix This Is It Expensive? Will It Be Cheaper To Have It Done At Ford Dealer?
Asked by
marzree
·
1 ANSWER
2003
FORD EXPEDITION
1997 Ford Expedition Engine Swap
I Have A 97 Ford Expedition, With A Locked Engine. I Bought A 99 Ford Expedition Engine To Replace It Because I Was Told It Would Easily...
Asked by
serenitysoul
·
2 ANSWERS
1997
FORD EXPEDITION
VIEW MORE
Ask a Car Question. It's Free!
How to Use a Test Light
Engine Oil Change and Filter Mercedes
Oil Change & Filter Replacement Ford Taurus