How do I change and replace the A/C condenser

Tiny
ANONYMOUS
  • MEMBER
  • 2002 DODGE STRATUS
  • 23,000 MILES
How do I change and replace the A/C condenser
Tuesday, March 19th, 2013 AT 1:31 PM

1 Reply

Tiny
HMAC300
  • MECHANIC
  • 48,601 POSTS
Hello,

Here is a video showing the job being done on a similar car with diagrams and instructions below to help you your car.

https://youtu.be/ipmmluZmgaU

the system has to be evacuated and recharged. if not done properly you will have a/c problems in future.
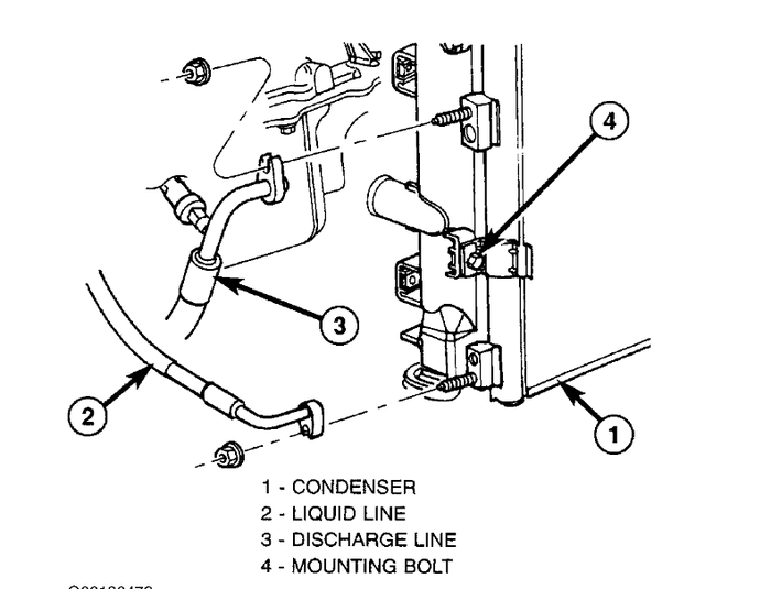
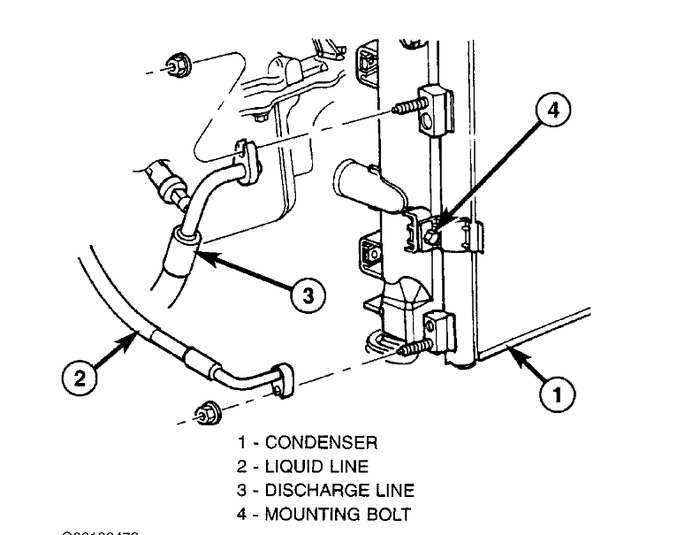
A/CÂ CONDENSER
Removal

1. Recover refrigerant from A/C system with R 134a refrigerant recovery machine. See RECOVERY, EVACUATION &
SERVICING PROCEDURES article in GENERAL SERVICING.
2. Remove front fascia. Remove upper radiator support cross member.
3. Remove transmission cooler lines.

NOTE: Cap lines while system is open to prevent moisture from entering system.

4. Remove A/C lines. See Fig. 20 . Remove two condenser mounting bolts. Lift condenser up out of the vehicle.

https://www.2carpros.com/articles/re-charge-an-air-conditioner-system

Check out the diagrams (Below). Please let us know if you need anything else to get the problem fixed.
Was this
answer
helpful?
Yes
No
-1
Tuesday, March 19th, 2013 AT 2:08 PM

Please login or register to post a reply.