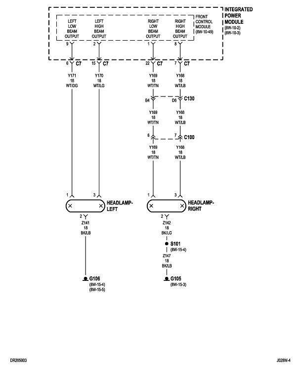
Low beam head lights turn on and off

Tiny
LYLE REHBERG
  • MEMBER
  • 2002 DODGE RAM
  • 4.7L
  • V8
  • 2WD
  • AUTOMATIC
  • 150,000 MILES
Truck listed above is a 1500. Headlight low beams, both, turn off and on. They are off most of the time. I hit a pothole and they come on and off they go with another pothole.
Saturday, April 20th, 2019 AT 2:45 PM

1 Reply

Tiny
CARADIODOC
  • MECHANIC
  • 34,490 POSTS
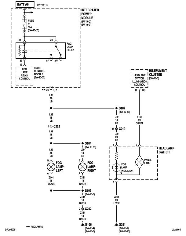
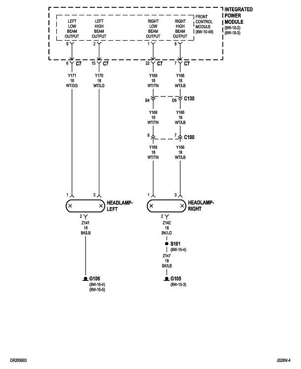
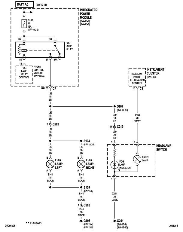
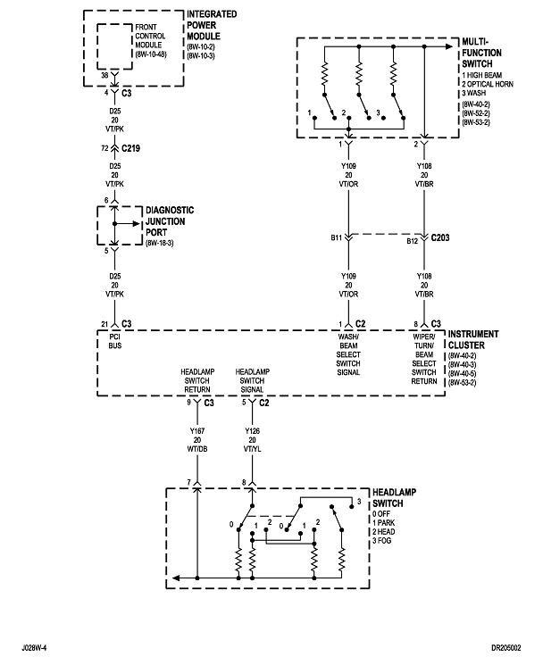
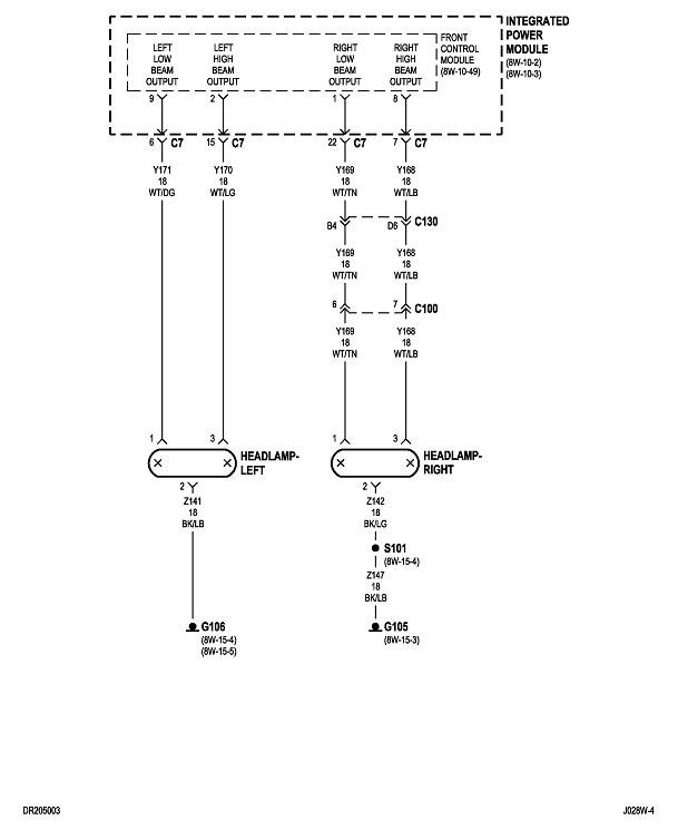
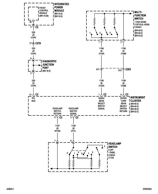
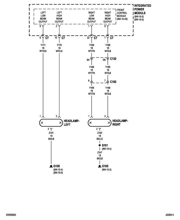
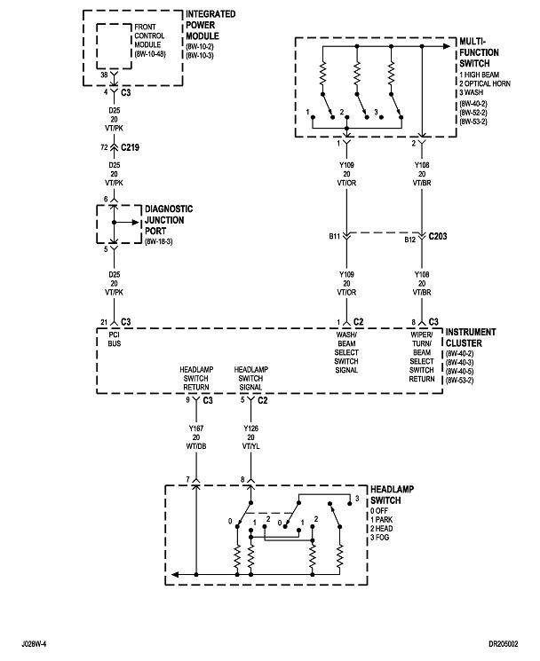
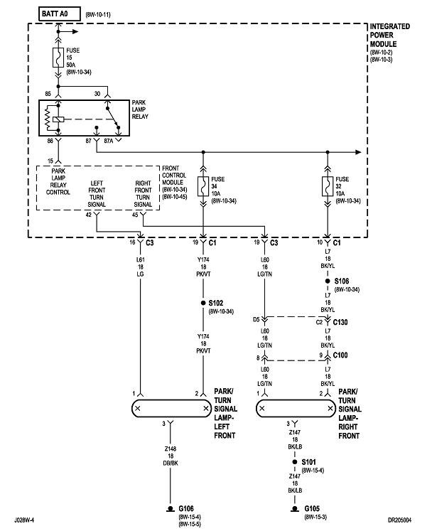
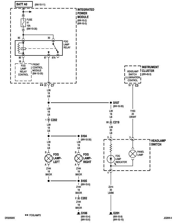
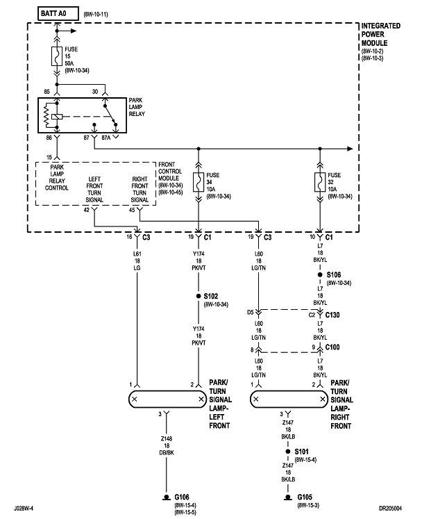
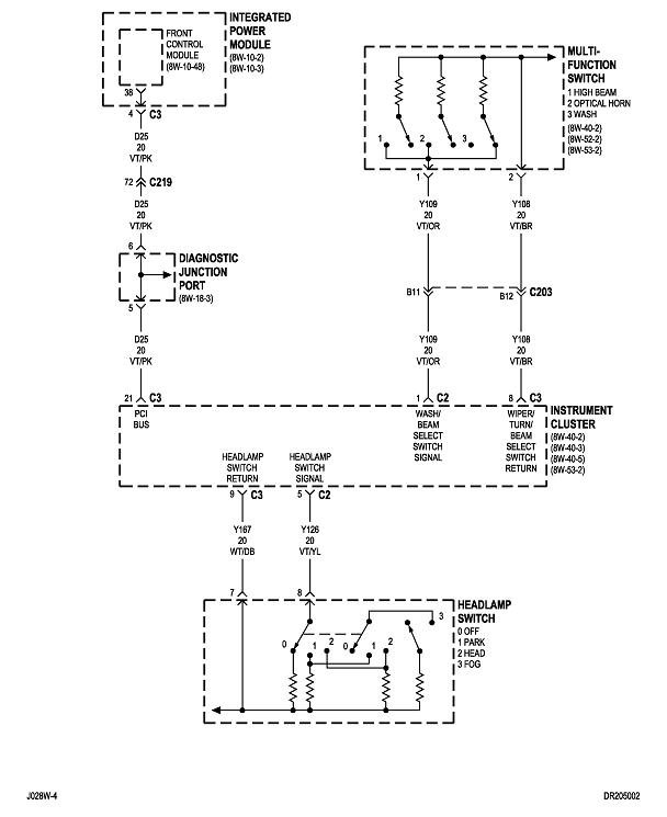
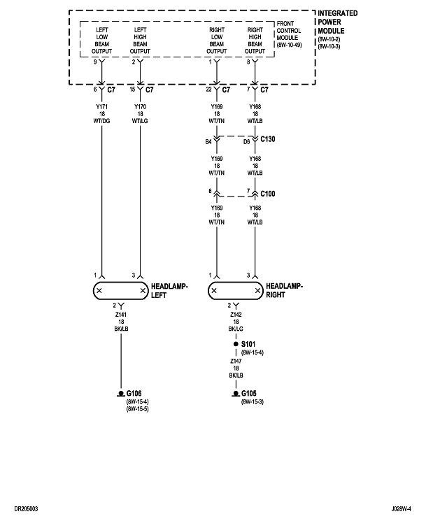
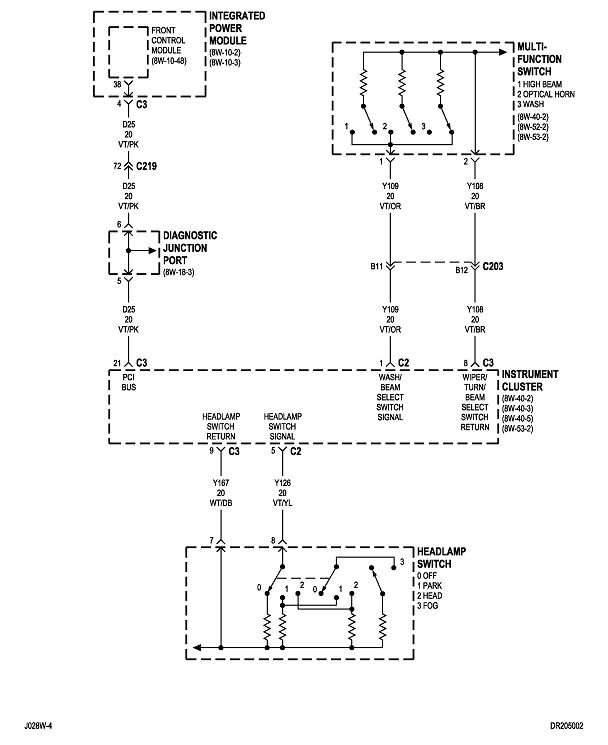
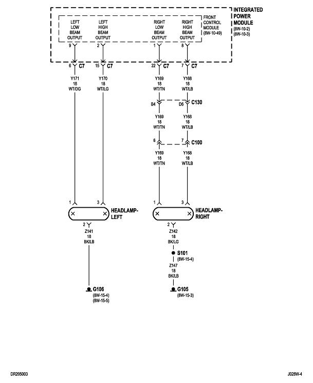
The insane engineers have involved two computers with running the head lights. The head light switch is an input to the instrument cluster. That sends a message to the Integrated Power Module, (under-hood fuse box), and that module runs the head lights.

If the parking and tail lights turn off at the same time, the best suspect would be an intermittent connection at the head light switch connector. If the tail lights stay on, that proves the instrument cluster is getting the signal from the head light switch, then the better suspect is the Integrated Power Module. It is my understanding those do cause a lot of trouble.
Was this
answer
helpful?
Yes
No
Saturday, April 20th, 2019 AT 3:41 PM

Please login or register to post a reply.