REVERSE LIGHTS ARE NOT WORKING?

Tiny
ANONYMOUS
  • MEMBER
  • 2002 DODGE DURANGO
  • 167,850 MILES
Reverse lights are not working on my wifes dodge durango. We have checked the fuses, changed bulbs and still not working a friend mentioned the neutral safety switch harness?
Thursday, February 28th, 2013 AT 1:18 AM

3 Replies

Tiny
CARADIODOC
  • MECHANIC
  • 34,490 POSTS
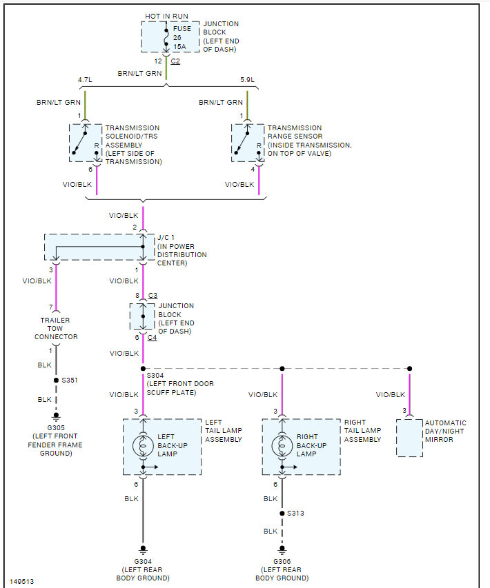
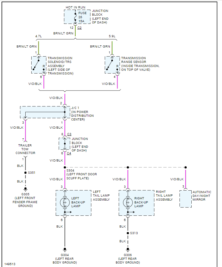
Look on the left of the transmission to see if there's a three-wire connector. This is most likely the problem. If you have that plug, turn on the ignition switch, disconnect that plug, and use a stretched-out cotter pin or paper clip, or even a needle nose pliers to connect the two outer terminals in the plug. If you look closely when you do that and you see a tiny spark, that means current is flowing and the backup lights are on. If you can't see that spark, you or a helper will have to look if the lights turned on. If they do, that proves the entire rest of the circuit is okay and you need to replace the switch. Here is the location of the neutral safety switch and how to change it out with the reverse light wiring diagrams so you can see how the system works. Check the #26 fuse for power.

https://www.2carpros.com/articles/how-to-check-a-car-fuse

Check out the images (below). Please let us know what happens.

Was this
answer
helpful?
Yes
No
+5
Thursday, February 28th, 2013 AT 9:18 AM
Tiny
RYAN CARRICO
  • MEMBER
  • 1 POST
What if after I tried that nothing happens no spark or reverse lights
Was this
answer
helpful?
Yes
No
+1
Friday, July 15th, 2016 AT 6:53 AM
Tiny
CARADIODOC
  • MECHANIC
  • 34,490 POSTS
Break in a wire, two burned-out bulbs, wrong bulbs, breaks on the flexible circuits if you have that type on the backs of the housings.

With the ignition switch turned on, test for voltage on the neutral safety switch connector. One terminal must have 12 volts. If it's missing, look for a cut / corroded wire or a blown fuse.

All of this assumes you have the older three-terminal neutral safety switch that was used all the way back to the early '60s. On the newer designs, a smaller switch turns on a ridiculously-over-complicated computer circuit that turns on the backup lights. For those, suspect the computer. I'll have to dig up a wiring diagram if that becomes necessary to figure this out.
Was this
answer
helpful?
Yes
No
+1
Saturday, July 16th, 2016 AT 2:41 PM

Please login or register to post a reply.