The driver's side power window misbehaving?

Tiny
STEVE.KAY
  • MEMBER
  • 2002 CHEVROLET SUBURBAN
  • 150,000 MILES
Hello, I have reviewed and followed up with previous posts for the above. I am at a loss of where to look next.
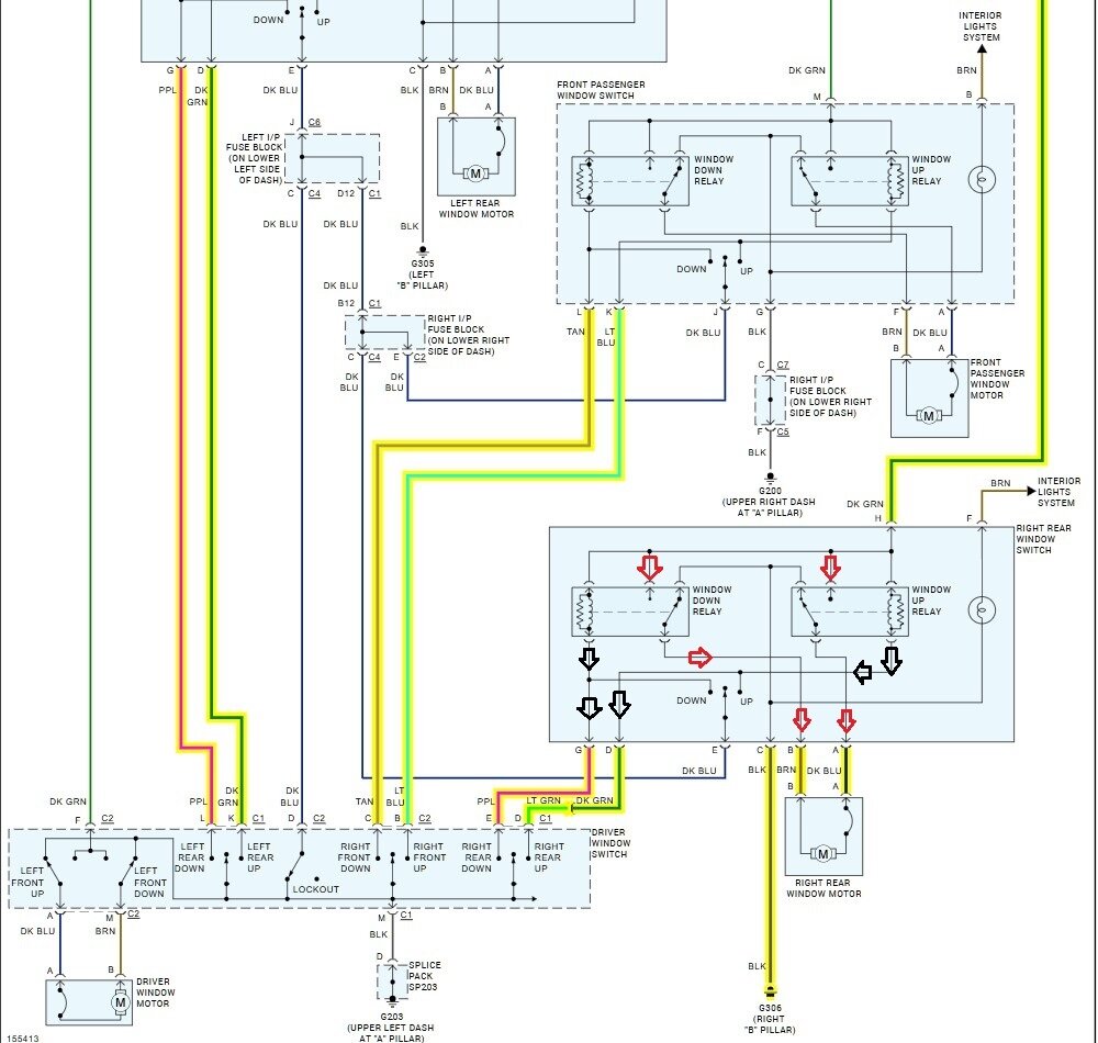
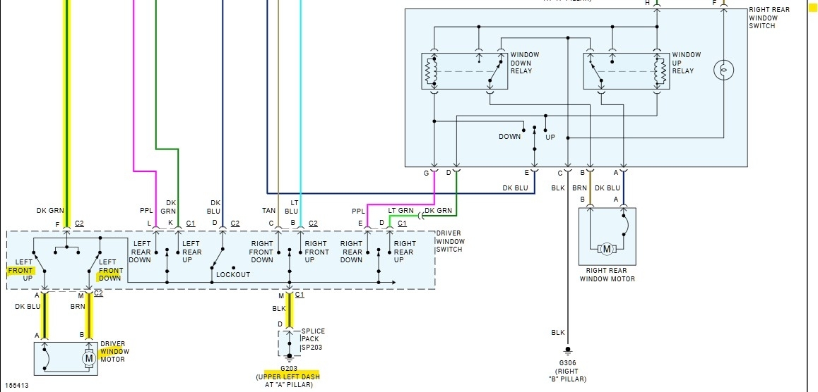
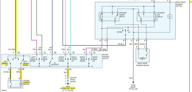
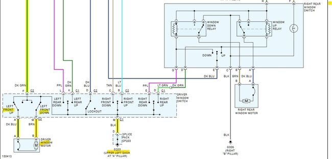
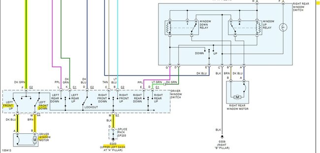
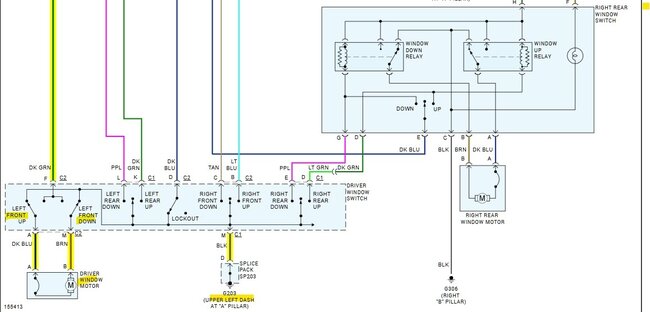
There is consistent power to the dark green wire.
Both the brown and dark blue wires have appropriate power as expected, with a test light.
A new regulator was installed, worked twice then nothing.
I will assume the ground is good as the switch turns on the test light as expected.

What next?
Sunday, February 9th, 2025 AT 8:02 PM

12 Replies

Tiny
AL514
  • MECHANIC
  • 5,598 POSTS
Hello, I would also try a higher current test light, a regular automotive test light really only pulls about 250ma if that. So, a bad ground can be overlooked, load testing the wiring in place of electric motors and such is necessary. Also, the driver window motor has a circuit breaker built in and the dark green wire which is your power feed also comes from a circuit breaker. When load testing, I use a couple different bulbs depending on how much current the circuit is designed to handle. So I have a 1amp, 2amp, 4amp, etc, testing bulbs for load testing circuits, You can use bulbs such as turn signal bulbs as long as they are incandescent, not LED, Turn signal bulbs can pull anywhere from 0.5A to a couple amps, I measure each bulb first and have made up leads that will plug into banana plugs or whatever is easiest for you. I assume you have the correct wiring diagrams. If not, we'll need the 8th VIN number for this vehicle, as there are quite a few design differences.
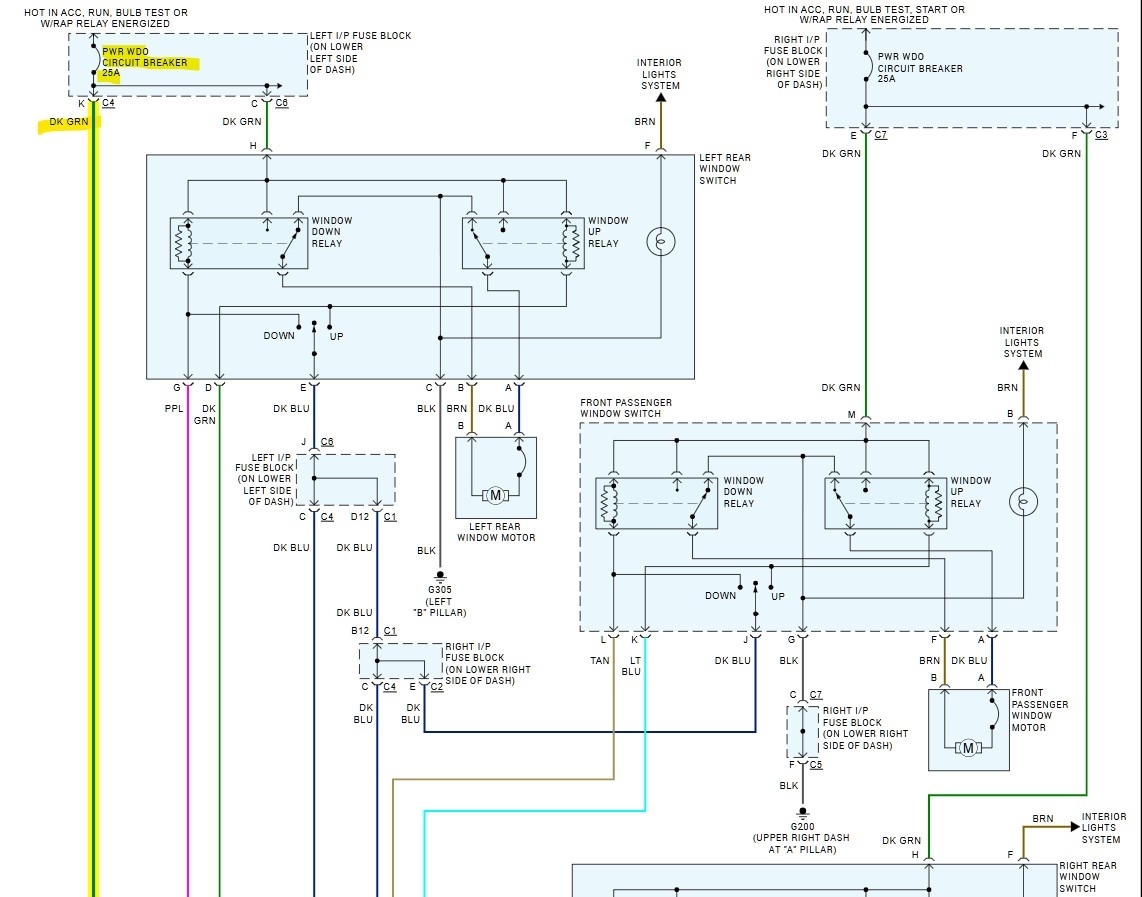
That Dark Green wire is on a pretty high amperage circuit breaker (25A) so the wiring can handle some higher current flow.
Was this
answer
helpful?
Yes
No
+1
Monday, February 10th, 2025 AT 8:22 AM
Tiny
STEVE.KAY
  • MEMBER
  • 6 POSTS
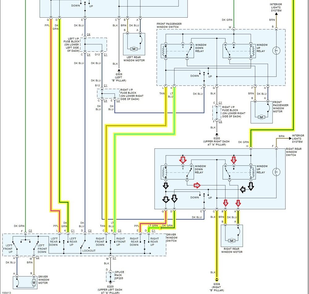
I thought I had corrected diagram for this item, but I have attached VIN for verification.
I will be building a "real" test light today.
Thank you for sharing your expertise.
Was this
answer
helpful?
Yes
No
Monday, February 10th, 2025 AT 10:48 AM
Tiny
AL514
  • MECHANIC
  • 5,598 POSTS
Yeah, it looks like you have the driver's window wiring colors correct, the dark green as the main feed, and then dark blue and brown for the window motor. When using higher amperage test lights for load testing circuits, just make sure you know the circuit can handle that type of load. For example, I wouldn't load test a relay control circuit that is ECM ground side controlled with a test light, for that I would use a very low amperage test light such as an LED (20ma) max. Or it can end up burning up the driver inside an ECM for a circuit like that. But load testing power wires that come from a fuse is always good, just need to know exactly how each circuit works first. If a high amp test light doesn't light, on a fuel pump connector for example, then there may be a corroded connector somewhere in between that can't carry enough current.
I will also do a voltage drop test with a multimeter at the same time when using a loaded test light, which helps to rule out wiring issues. You'll end up having 6 or 7 different test lights after a while. I checked that VIN, it's the 5.3l Flex Fuel Suburban.
Was this
answer
helpful?
Yes
No
Monday, February 10th, 2025 AT 12:21 PM
Tiny
AL514
  • MECHANIC
  • 5,598 POSTS
Let us know what you find as well. Thanks
Was this
answer
helpful?
Yes
No
Monday, February 10th, 2025 AT 12:22 PM
Tiny
STEVE.KAY
  • MEMBER
  • 6 POSTS
The wiring coming off the switch brightly lights a 2 amp bulb (stop/turn/tail) as checked with a multimeter. The auto-down function keeps the light lit for a period of time as anticipated.
After the snow event I will try to track down the ground point, but I think that may be a non-issue since 3 other windows utilize the same ground point on the switch.
I suspect I am going to change the connector from the car to the window motor, despite cleaning it with contact cleaner. Seems that I have power in all the right places?
Was this
answer
helpful?
Yes
No
Tuesday, February 11th, 2025 AT 11:47 AM
Tiny
AL514
  • MECHANIC
  • 5,598 POSTS
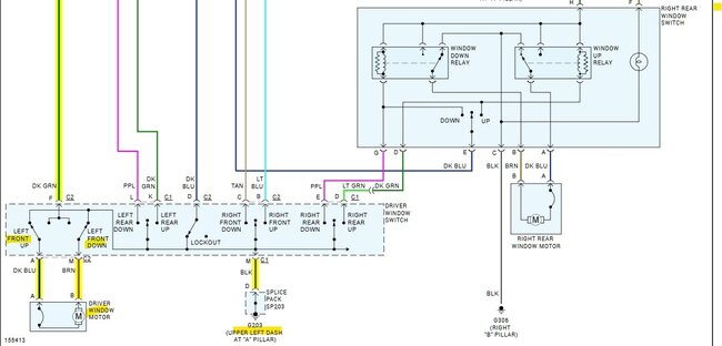
Have you tested the window motor itself? You could put power and ground to the motor and see if it will move up and down depending on which wires you apply the B+ and Gnd. It looks like the drivers master window switch only grounds the relays in each other window switch which apply power in the same manner the driver switch does, through the Dark Green wire and Ground on a Black wire, but each window motor uses a different Ground location, it's only the relays that share the ground through the master switch. You may have a connector issue, in which you could do a pin tension drag test, but do a test on the driver window motor itself, basically a bench test when you're applying your own B+ and Gnd, you don't need to energize the window motor long, just enough to make sure it will move good and this isn't an issue with the built in circuit breaker or motor. This just doubles down on your testing verifications.
You mentioned the regulator was replaced, but not the window motor yet correct?
I have another homemade tool I use, it's a B+/Gnd box with 25ft leads and two alligator clips so I can run power and ground from the battery to anywhere on the vehicle, and believe me this has saved me in many cases, having a solid power and ground from the battery I am 100% sure of. Not saying you need to build on, just explaining the idea. If this is something you do full time, they're cool to have.
Was this
answer
helpful?
Yes
No
Tuesday, February 11th, 2025 AT 12:23 PM
Tiny
STEVE.KAY
  • MEMBER
  • 6 POSTS
The motor and regulator are brand new. Worked up and down a few times then reassembled - and no worky!
I have to wait for better weather to dig down to the regulator power leads.
More to follow.

Thanks!
Was this
answer
helpful?
Yes
No
Thursday, February 13th, 2025 AT 7:25 PM
Tiny
AL514
  • MECHANIC
  • 5,598 POSTS
Okay, was the door open and closed a couple times in between it working ok after the new motor and reg were installed? I'm wondering about the harness inside the rubber boot that links the door wiring to the body, the wiring inside the boot is where it fails a lot due to so much movement.
Was this
answer
helpful?
Yes
No
Friday, February 14th, 2025 AT 8:42 AM
Tiny
STEVE.KAY
  • MEMBER
  • 6 POSTS
Epic fail of junk window regulator I suppose. Brand new (China junk, of course). There's power there. Changing regulator today, shaking my head.
Was this
answer
helpful?
Yes
No
Saturday, February 22nd, 2025 AT 11:40 AM
Tiny
AL514
  • MECHANIC
  • 5,598 POSTS
Yeah for any semi quality parts these days going with the OEM dealership parts is what will last, also try rockauto com. I use them a lot because they do list OEM parts much of the time, you need to wait a week for delivery but in the long run its worth getting parts that will actually last, especially electronic components, I hope things work out well for you.
Nice load testing setup you got there. Looks great.
Was this
answer
helpful?
Yes
No
Saturday, February 22nd, 2025 AT 1:56 PM
Tiny
STEVE.KAY
  • MEMBER
  • 6 POSTS
So far, I eliminated the OEM connector, wired 2 individual connectors to the window regulator. Yeah, everything seems to work well. Disassembled the OEM - everything appeared in order but. Whatever.
Thanks for help.
Was this
answer
helpful?
Yes
No
Monday, March 3rd, 2025 AT 10:29 AM
Tiny
AL514
  • MECHANIC
  • 5,598 POSTS
So another bad new part.
Was this
answer
helpful?
Yes
No
Monday, March 3rd, 2025 AT 3:37 PM

Please login or register to post a reply.