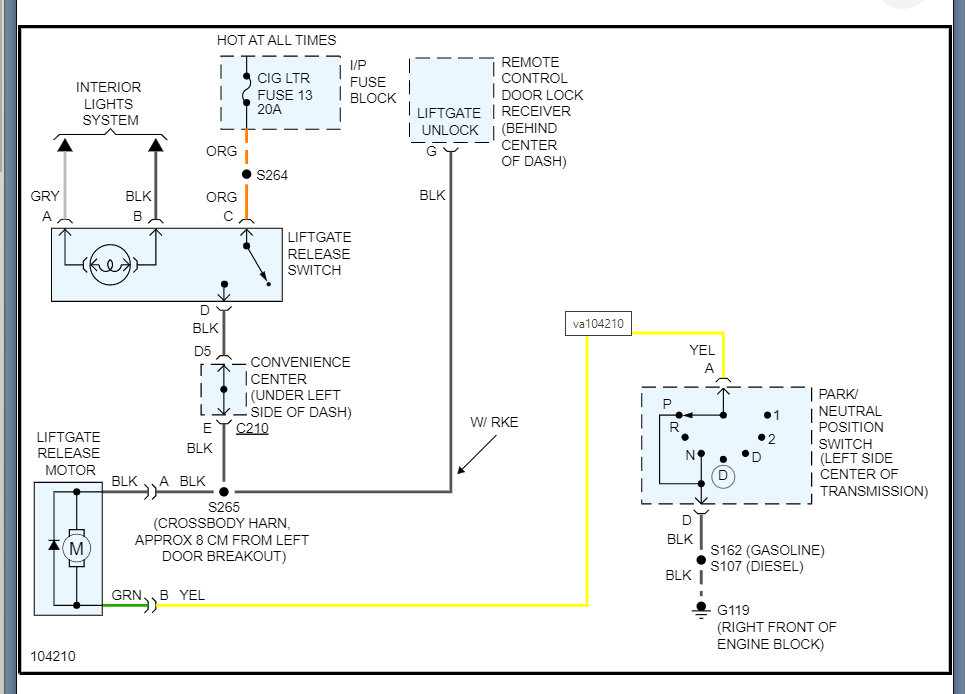
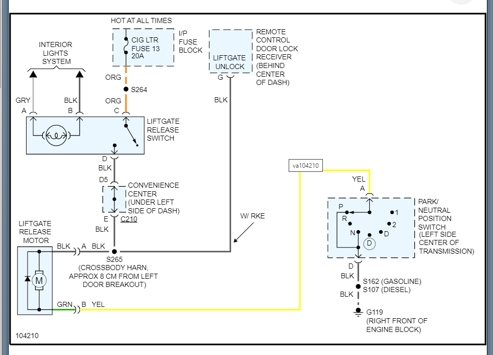
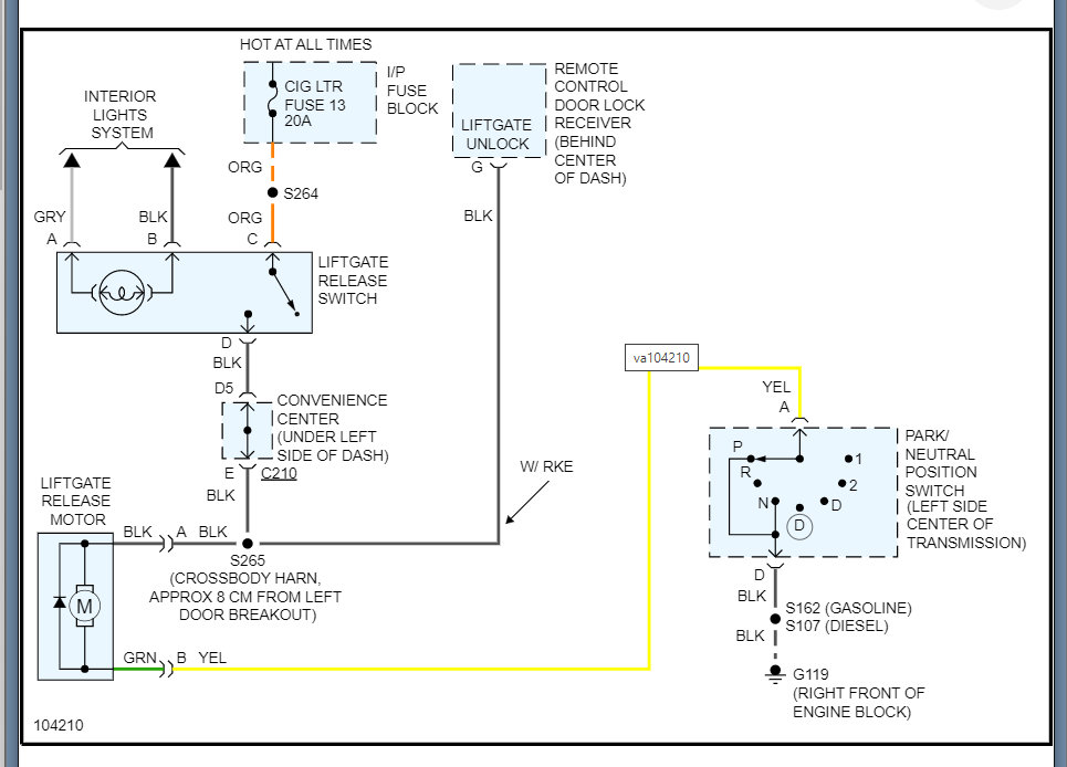
rear tailgate window latch won't open

1998 CHEVROLET SUBURBAN
160,000 MILES
Avatar
GREGFREE
  • MEMBER
  • 1 POST
Power going to latch, you can here it. Won't release the glass?
Dec 5, 2011 at 12:36 AM
Repair Safety Notice: This information is for general instructional purposes only. Vehicle repair can be dangerous. Verify all information, follow manufacturer service procedures, use proper tools and safety equipment, and consult a qualified repair shop when needed.
Advertisement
Avatar
KASEKENNY
  • CAR REPAIR CONTRIBUTOR
  • 18,907 POSTS
We need to remove the trim panel and find out what is happening inside. However, I suspect the rod that controls the latch has come loose.

This is not uncommon on these vehicles. Here is a guide that will help with removing the panel. It is not for this rear hatch, but the process is basically the same.

https://www.2carpros.com/articles/door-panel-removal

Please see the info attached and let us know what you find. Thanks
Feb 9, 2022 at 4:44 PM
Advertisement