Cruise Control to stop working?

Tiny
KYLEMCNEEL
  • MEMBER
  • 34 POSTS
Check for a vacuum leak or the hoes may be dicconnected to the diapham. You criuse is ran by vacuum. The pump like thing hooked up to the throttle linkage so it should be near the throttle body. Make sure the linkage is hooked up. What did they work on. It may also be a fuse. Does a criuse light come on the cluster. It will only work above 35 mph also. Hope that helps.I t
could be the buttons(maybe?)
the cuise module look like a round can type thing. The end pionting out tword the headlights is rubber and has the linkage stick out
Was this
answer
helpful?
Yes
No
+1
Tuesday, September 10th, 2019 AT 6:28 PM (Merged)
Tiny
SMACON
  • MEMBER
  • 2 POSTS
  • 1995 BUICK PARK AVENUE
  • 150,000 MILES
After replacing the cruise control servo and the brake switch, It works perfectly when you first turn it on. If you have to hit the brake or turn it off, it only works intermittently. If you help it with the gas pedal, it will work on and off. The cruise light stays on all of the time, though. I've replaced the servo and the brake switch. What else am I missing?
Was this
answer
helpful?
Yes
No
Tuesday, September 10th, 2019 AT 6:28 PM (Merged)
Tiny
JACOBANDNICKOLAS
  • MECHANIC
  • 110,194 POSTS
The engine supplies vacuum to the servos. There is a vacuum tank that stores vacuum as a reserve. There is a vacuum check valve between the engine vacuum harness and CC vacuum harness. It the check valve is bad, the CC will will work erraticly. That is the first thing I would check. If it is good, it could be several other things.

Let me know what you find.
Was this
answer
helpful?
Yes
No
+1
Tuesday, September 10th, 2019 AT 6:28 PM (Merged)
Tiny
LIZ12
  • MEMBER
  • 2 POSTS
  • BUICK PARK AVENUE
I have a 1993 Buick Park Avenue. It has about 130,000 miles on it. Latly my car has been giving me some difficulties such as it seems like it has no power when speeding up. No matter how hard I push down the gas pedal it speeds up the same. The service engine light only comes on when the car is slowing down or when the car is going about 60 mph. On about two occasions I was accelerating and when the car got up to about 50 mph it just started slowing down even though I was pressing the gas pedal. The car has also stalled about on about 3 different occasions. And about 4-7 days after these problems began occuring my cruise control stopped working. Any advice would be helpful. Thank you
Was this
answer
helpful?
Yes
No
Tuesday, September 10th, 2019 AT 6:28 PM (Merged)
Tiny
CLY
  • MECHANIC
  • 308 POSTS
The first thought that comes to mind is that it sounds like you may have an exhaust converter that is pluged up. That would exsplain why the car lacks the power and could also cause dying issues. What code is setting when the engine light came on. Have you had it scaned for codes? I would be curious to know what code is setting.

Cly
Was this
answer
helpful?
Yes
No
Tuesday, September 10th, 2019 AT 6:28 PM (Merged)
Tiny
LIZ12
  • MEMBER
  • 2 POSTS
What r the code setting that I should be looking for and how do I find them
Was this
answer
helpful?
Yes
No
Tuesday, September 10th, 2019 AT 6:28 PM (Merged)
Tiny
CLY
  • MECHANIC
  • 308 POSTS
Take the car to a local auto parts store most of them have something that they can hook to the car and retrieve trouble codes with. They don't charge you to check them.

Cly
Was this
answer
helpful?
Yes
No
Tuesday, September 10th, 2019 AT 6:28 PM (Merged)
Tiny
DAVID KERN
  • MEMBER
  • 2 POSTS
  • 1995 BUICK PARK AVENUE
  • 6 CYL
  • FWD
  • AUTOMATIC
  • 160,000 MILES
Good afternoon,

My cruise control green light will illuminate for about 1 second and then go off. I have replaced the multifunction switch, the two brake switches appear to open and close, however, I haven't checked continuity with a meter thus far. The vacuum is strong and the servo diaphragm seems to flex well.

Interestingly, once I have pressed the set switch, I have to turn the car off and restart it in order to get the cruise to come on for another second.

Any ideas,

Thanks

David Kern
Was this
answer
helpful?
Yes
No
Tuesday, September 10th, 2019 AT 6:28 PM (Merged)
Tiny
ZACKMAN
  • MECHANIC
  • 4,202 POSTS
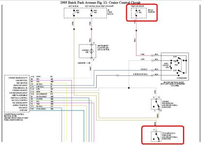
Did you happen to check the relay for the cruise control? And also the brake switch?


https://www.2carpros.com/forum/automotive_pictures/55316_95parkavecruise_1.jpg

Was this
answer
helpful?
Yes
No
-2
Tuesday, September 10th, 2019 AT 6:28 PM (Merged)
Tiny
DAVID KERN
  • MEMBER
  • 2 POSTS
Who was that masked man? You nailed it- the brake switch was the problem. I shorted terminal C and D to bypass the switch, definitively diagnosing the faulty part.

It was surprising to learn that that the cruise light would briefly illuminate even though the break switch was inoperative.

It appears the old switch will only come out in pieces, hopefully the new switch includes the snap in plastic that attaches the unit to the metal bracket.

Thanks for your help,

David Kern
Was this
answer
helpful?
Yes
No
Tuesday, September 10th, 2019 AT 6:28 PM (Merged)
Tiny
ZACKMAN
  • MECHANIC
  • 4,202 POSTS
You are most welcome. Just let us know if we can be of any help in the future.
Was this
answer
helpful?
Yes
No
Tuesday, September 10th, 2019 AT 6:28 PM (Merged)
Tiny
SMACON
  • MEMBER
  • 2 POSTS
I have just replaced the cruise control servo and the brake switch on my 1995 Buick Park Avenue. I, however, am still having problems with it kicking out and not resuming. If I help it with the gas pedal, sometimes it will pick it back up for a few seconds before it kicks out again. The cruise light stays on the whole time. After replacing the above parts, what am I still missing? Thanks! Brent
Was this
answer
helpful?
Yes
No
Tuesday, September 10th, 2019 AT 6:28 PM (Merged)
Tiny
KHLOW2008
  • MECHANIC
  • 41,814 POSTS
Get scan done to see if there are any trouble codes. Cruise control system is controlled by the PCM.
Was this
answer
helpful?
Yes
No
+1
Tuesday, September 10th, 2019 AT 6:28 PM (Merged)
Tiny
JIMMIE D HORTON
  • MEMBER
  • 3 POSTS
  • 1995 BUICK PARK AVENUE
  • 6 CYL
  • FWD
  • AUTOMATIC
  • 101,000 MILES
At 65 mph, cruise control shut off and would not come back on. Mechanic checked all switches, replaced ECM, checked continuity in all wiring. Mechanic stated that the ECM was not sending a signal to the Servo.
Was this
answer
helpful?
Yes
No
Tuesday, September 10th, 2019 AT 6:28 PM (Merged)
Tiny
KHLOW2008
  • MECHANIC
  • 41,814 POSTS
Hi jimmie d horton,

Thank you for the donation.

Is there any trouble codes set in the PCM?
Was this
answer
helpful?
Yes
No
Tuesday, September 10th, 2019 AT 6:28 PM (Merged)
Tiny
JIMMIE D HORTON
  • MEMBER
  • 3 POSTS
Thank you, KHLow2008. For your response. My mechanic said there were no trouble codes.
Was this
answer
helpful?
Yes
No
Tuesday, September 10th, 2019 AT 6:28 PM (Merged)
Tiny
KHLOW2008
  • MECHANIC
  • 41,814 POSTS
If all items are checked to be functioning correctly, then the PCM has to be substituted to test if that is the cause as it is part of the cruise control system. Any missing signal from the PCM would cause the cruise control to stop working.

One of the thing to test would be to get the freeze frame data to understand the situation when it occurs. That might show if any item malfunctioned without causing any trouble codes to be recorded when the cruise control failed.
Was this
answer
helpful?
Yes
No
Tuesday, September 10th, 2019 AT 6:28 PM (Merged)
Tiny
JIMMIE D HORTON
  • MEMBER
  • 3 POSTS
Thanks again for your help. I will forward this info to my mechanic
Was this
answer
helpful?
Yes
No
Tuesday, September 10th, 2019 AT 6:28 PM (Merged)
Tiny
MR LEN
  • MEMBER
  • 2 POSTS
  • 1992 BUICK PARK AVENUE
  • 3.8L
  • V6
  • FWD
  • AUTOMATIC
  • 103,000 MILES
The cruise control will not come on. Is there a fuse for this?
Was this
answer
helpful?
Yes
No
+1
Tuesday, September 10th, 2019 AT 6:28 PM (Merged)
Tiny
KHLOW2008
  • MECHANIC
  • 41,814 POSTS
You are welcomed.

Thank you for using 2carpros.
Was this
answer
helpful?
Yes
No
Tuesday, September 10th, 2019 AT 6:28 PM (Merged)

Please login or register to post a reply.