Tuesday, October 7th, 2014 AT 1:08 AM
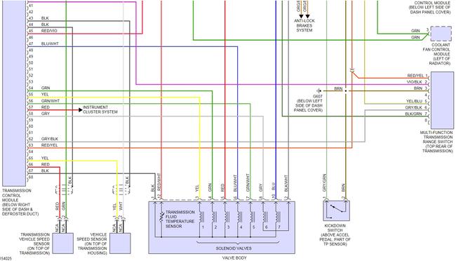
How do I override the auto box starter inhibitor and allow the car to start on the ignition key, have changed auto box and converted to manual, get ignition lights but car won't start on key, lights come on but no starter. Any advice, wiring diagram etc appreciated. Thanks.



