Heater not working?

Tiny
KENNYSTEW
  • MEMBER
  • 2001 TOYOTA RAV4
  • 128,200 MILES
My heater doesn't blow very hot and it will blow warm air out of the passenger side vents and cold air out of the drivers side vents. It doesn't matter whether I have it on defrost, dash or floor.

It only blows warm not hot out of the passenger side vents and cold only out of the driver side vents
Thursday, February 16th, 2012 AT 2:42 PM

4 Replies

Tiny
DANNY L
  • MECHANIC
  • 5,648 POSTS
Hello, I'm Danny.

It sounds like you are having a problem with the blend-air door actuator. It's a small electrical motor that opens and closes a door to direct airflow through ducts in the hvac box. Here is a tutorial what is involved in replacing a blend door motor:

https://www.2carpros.com/articles/replace-blend-door-motor

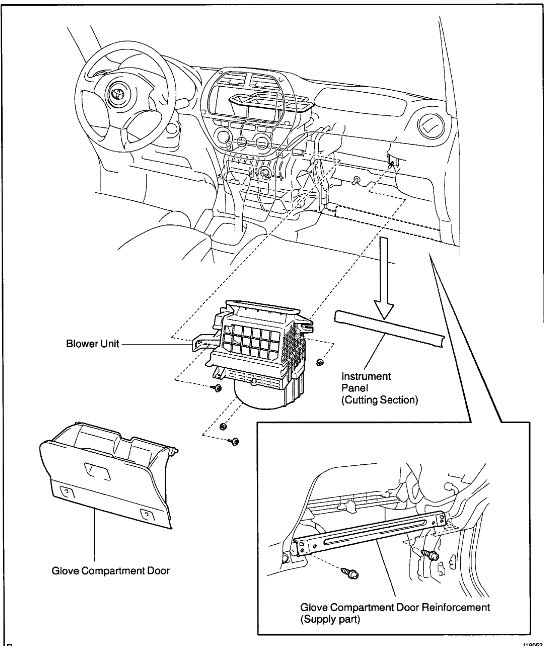
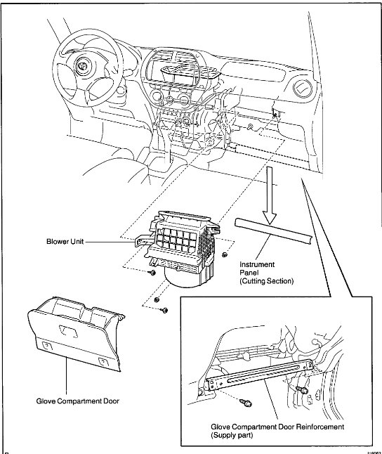
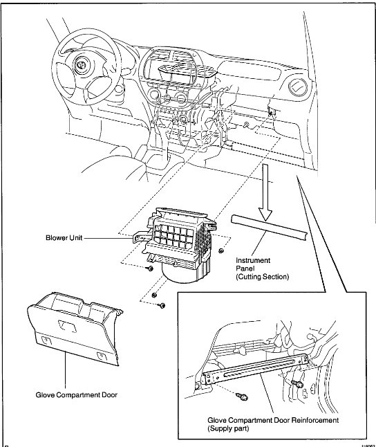
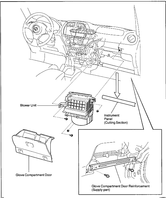
You will have to remove the blower motor unit to gain access to this actuator. I've attached picture steps below showing how to remove and replace the blower motor unit and the blend actuator on your vehicle. Hope this helps and thanks for using 2CarPros.

Was this
answer
helpful?
Yes
No
Thursday, December 24th, 2020 AT 7:54 PM
Tiny
JIMBO125234
  • MEMBER
  • 1 POST
  • 1997 TOYOTA RAV4
  • 4 CYL
  • 4WD
  • MANUAL
  • 125,000 MILES
I just replaced the water pump, radiator, with upper and lower hoses, thermostat, timing belt, and expansion tank. The car starts and runs fine but I am not getting heat. I had installed a flush kit on inlet heater hose at one point. Now when there is no heat the heater hoses are not hot and don't seem to have water in them. If I crack the cap on the flush kit thing and gradualy let air out the water starts to circulate and I get heat. But within 5 minuets or so the circulation to heater core slows or stops and it start blowing just luke warm or cool air again. If I crack it again I get heat for a while? Any help?
Was this
answer
helpful?
Yes
No
Saturday, December 26th, 2020 AT 11:12 AM (Merged)
Tiny
BLACKOP555
  • MECHANIC
  • 10,386 POSTS
Jack up the front end of that vehicle and then try to bleed out the air. Make sure vehicle is hot when doing this. Sounds like you got alot of air in there.
Was this
answer
helpful?
Yes
No
-1
Saturday, December 26th, 2020 AT 11:12 AM (Merged)
Tiny
RASMATAZ
  • MECHANIC
  • 75,992 POSTS
Hi thjimbo125234 and TY for the donation

You're sounding good my man also won't hurt to check the water control valve-Merry Christmas
Was this
answer
helpful?
Yes
No
Saturday, December 26th, 2020 AT 11:12 AM (Merged)

Please login or register to post a reply.