Tuesday, March 23rd, 2021 AT 10:05 AM
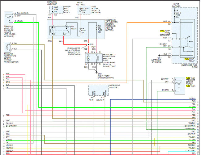
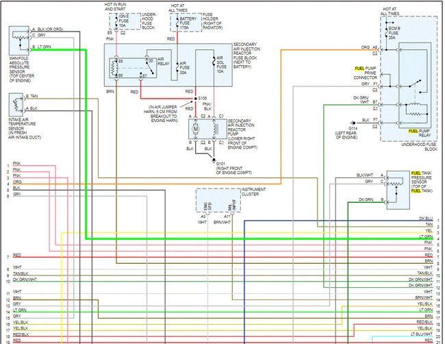
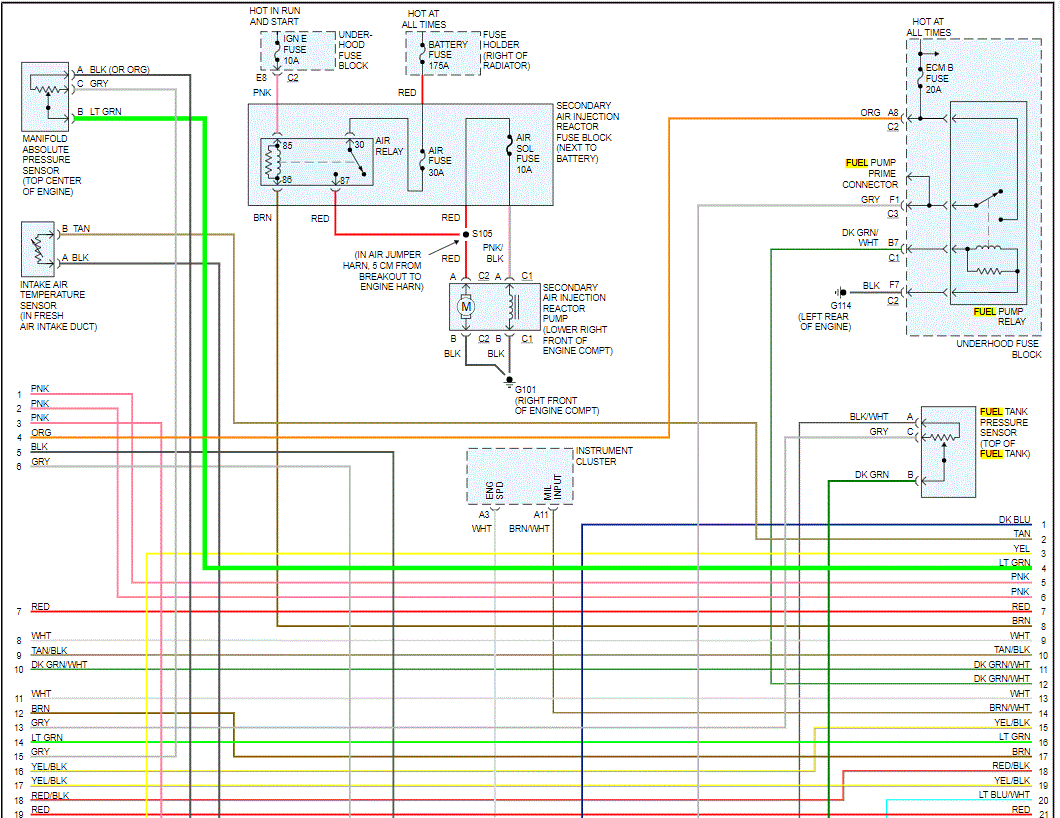
I am working on rebuilding the vehicle listed above into an off-road vehicle. The fuel tank was gone when purchased and someone had cut off the fuel pump wiring harness. We found a donor tank with fuel pump installed, but the wires had been cut right at the connectors to the fuel pump and are unmarked. Is there a wiring diagram that shows what colored wire goes where? Thanks!










