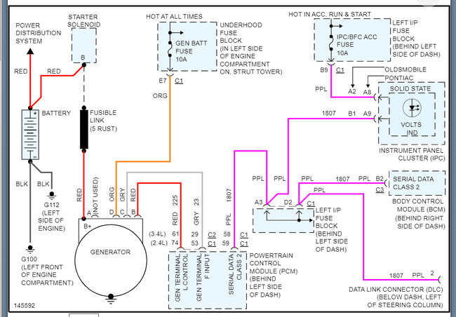
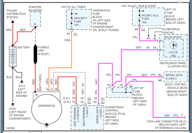
It runs fine for about 5-10 minutes. Battery voltage with alternator charging at 14.5 - 14.6 volts. Then the voltage drops to 12.5 and continues to drop. I have checked all the ground points that I could find on the car, no loose terminal connections to the battery, fusible link is intact. Battery checks out good. Fuses are good.
Does anyone know what could possibly be causing my alternator to go from working perfectly to not working at all in 5-10 minutes. Im clearly missing something here. Any help to point me in the right direction would be greatly appreciated.
Wednesday, July 2nd, 2014 AT 3:43 PM



