Where do I find the fuses for dashboard lights.

Tiny
ANONYMOUS
  • MEMBER
  • 2001 PONTIAC AZTEK
Where do I find the fuses for dashboard lights and what do they look like
Friday, December 7th, 2012 AT 2:40 PM

2 Replies

Tiny
HMAC300
  • MECHANIC
  • 48,601 POSTS
Hello,

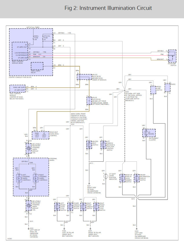
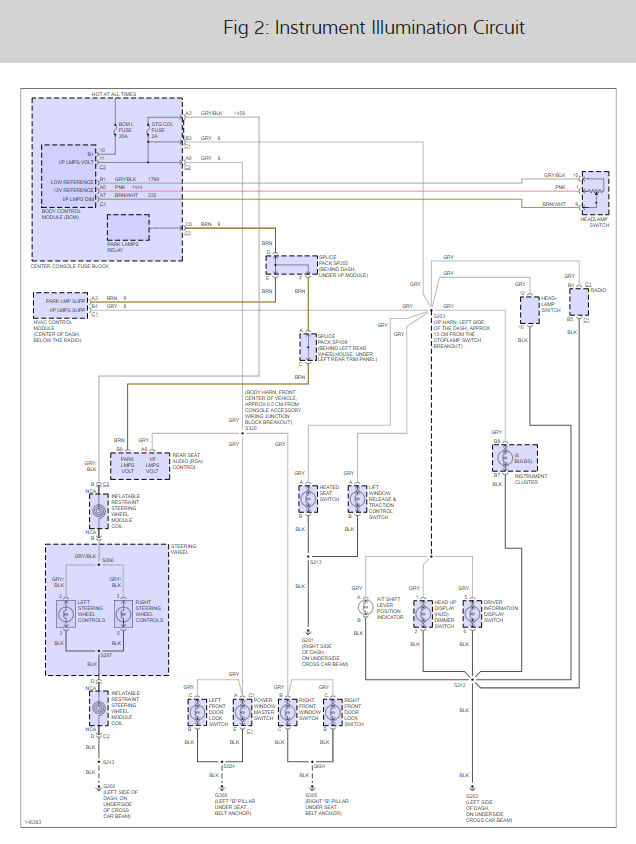
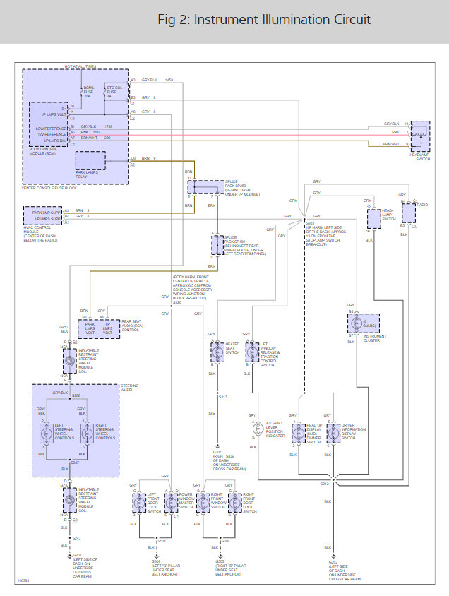
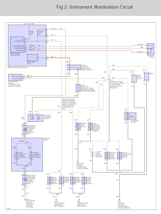
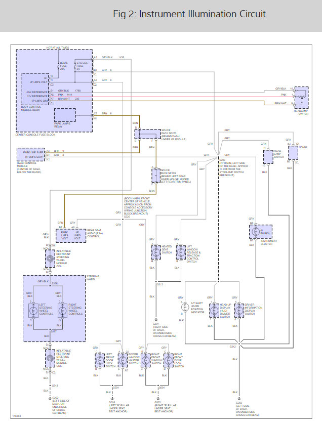
You need to test the STG COL fuse 2 amp fuse in the fuse panel. Here is a guide to help you see how to check the fuse.

https://www.2carpros.com/articles/how-to-check-a-car-fuse

Here is the fuse panel locations and the wiring diagrams for the dash lights so you can see how the system works.

Check out the diagrams (Below). Please let us know what you find.

Cheers, Ken
Was this
answer
helpful?
Yes
No
+4
Friday, December 7th, 2012 AT 2:50 PM
Tiny
SLAUGH009
  • MEMBER
  • 1 POST
It was the fuse! Thanks I love this site.
Was this
answer
helpful?
Yes
No
Monday, May 14th, 2018 AT 12:56 PM

Please login or register to post a reply.