What could the problem be?

Tiny
RICHARDGARRETTE
  • MEMBER
  • 2001 MERCURY SABLE
  • 190,000 MILES
I replaced the battery after it stalled almost a month ago.
Tried to start it but wouldn't turn over. What could be the problem, and what can I do to get it to start?
Saturday, September 29th, 2012 AT 4:01 PM

1 Reply

Tiny
JDL
  • MECHANIC
  • 16,098 POSTS
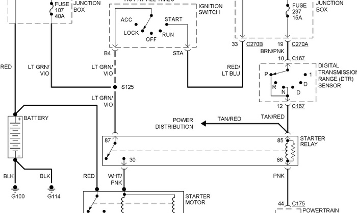
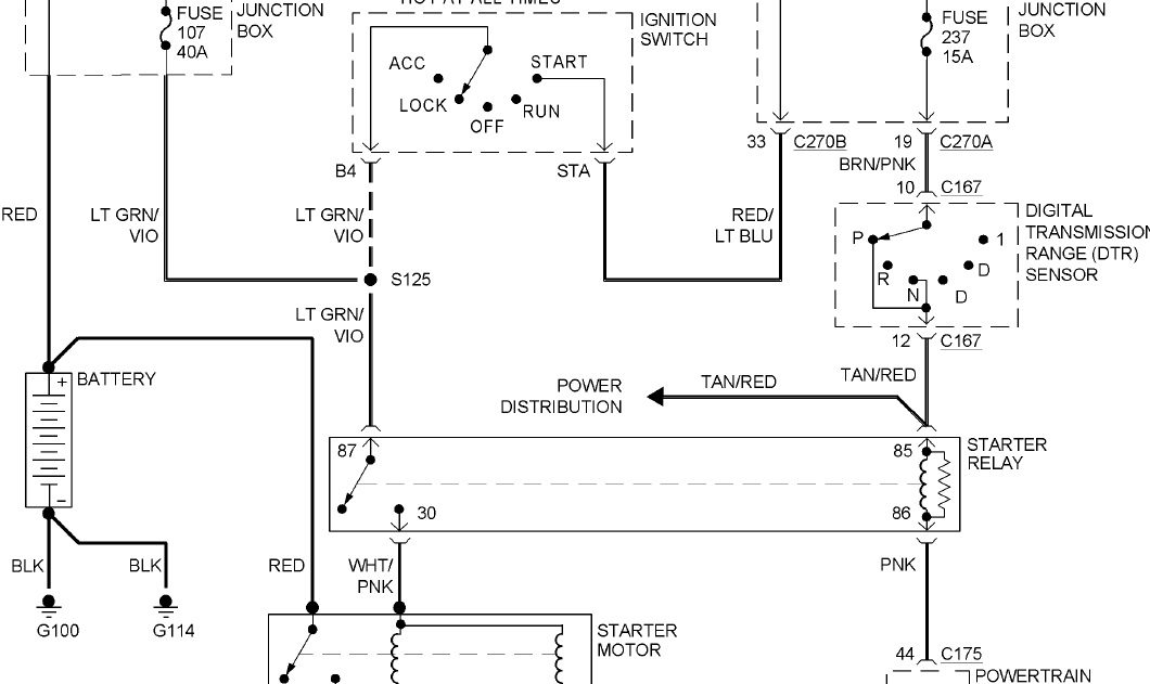
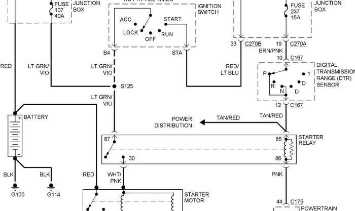
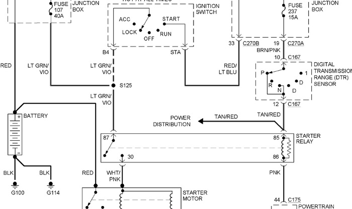
Might be issue with security system? In the diagram you can use jumper on load side of starter relay, just to see if starter will crank. The load side is the line with arrow-head. Just make sure the tranny is in park or neutral and the e-brake is set.
Was this
answer
helpful?
Yes
No
Saturday, September 29th, 2012 AT 4:23 PM

Please login or register to post a reply.