Headlights turn off when using turn signals

Tiny
LBOYER
  • MEMBER
  • 2001 FORD RANGER
  • 3.0L
  • V6
  • 2WD
  • AUTOMATIC
  • 180,000 MILES
The truck listed above XLT, the headlights function well, but cut off when using turn signal. Can occasionally get them to come back on by moving turn signal. What do I need to check?
Sunday, June 5th, 2022 AT 6:13 AM

3 Replies

Tiny
KASEKENNY
  • MECHANIC
  • 18,907 POSTS
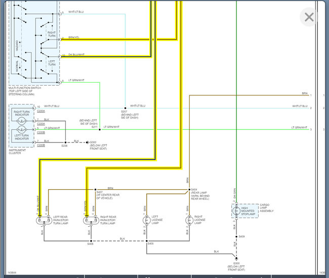
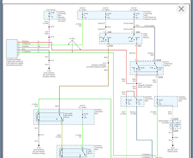
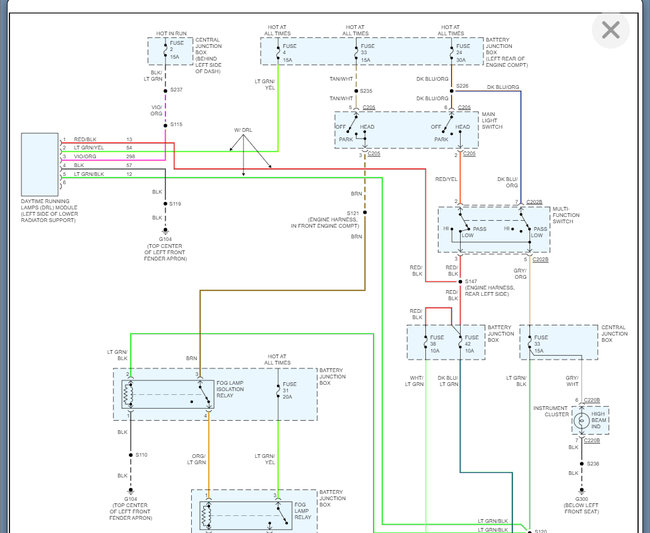
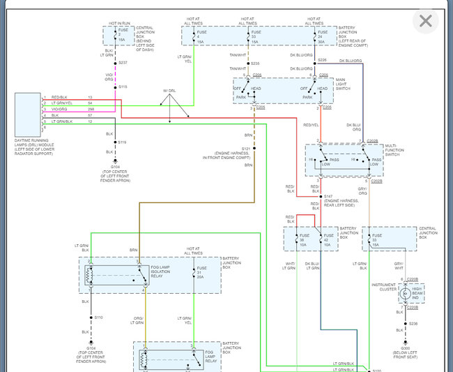
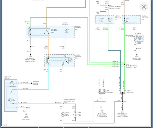
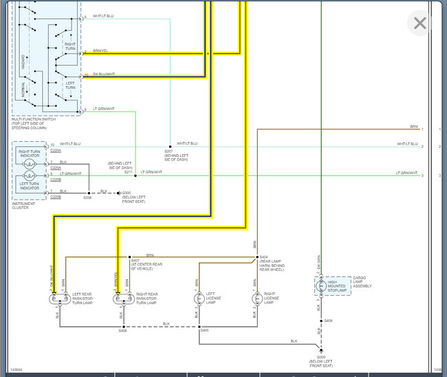
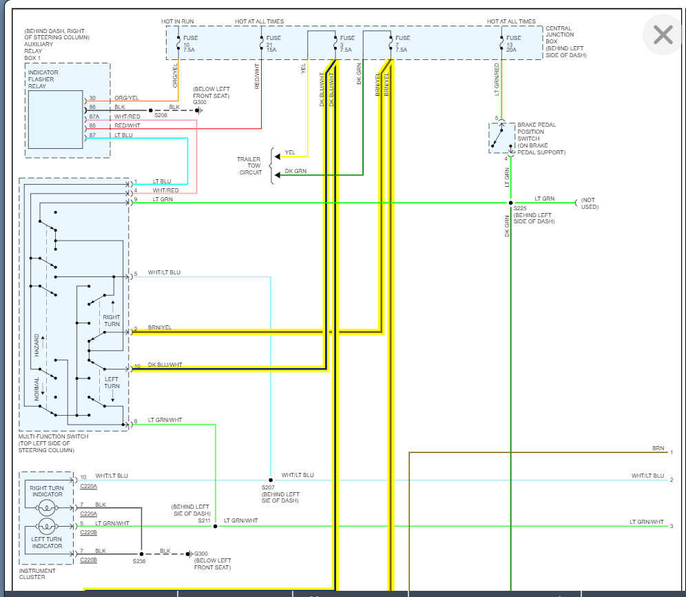
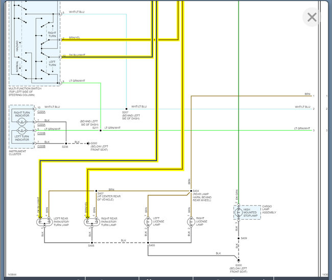
More than likely this is a turn signal switch issue.

So, let's start by checking this and go from there.

Basically, we need to check the voltage coming out of the switch when this is happening.

https://www.2carpros.com/articles/how-to-check-wiring

I suspect you will not find the voltage unless you move it around which means the multifunction switch needs to be replaced.

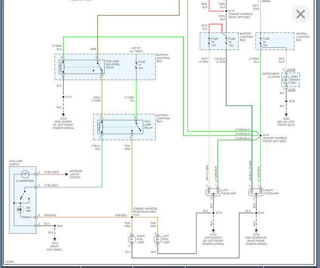
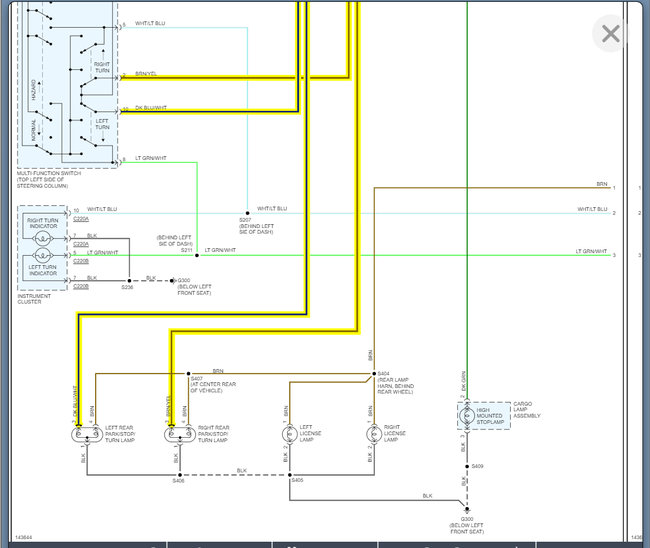
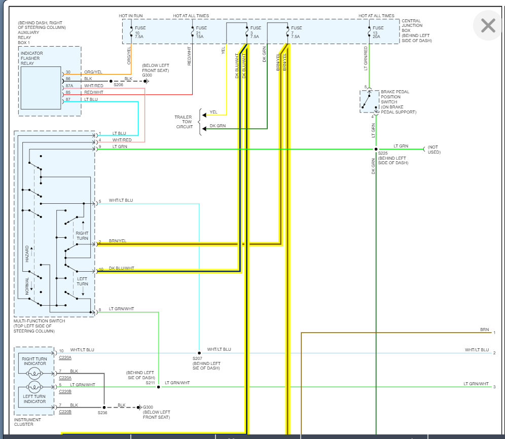
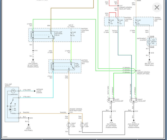
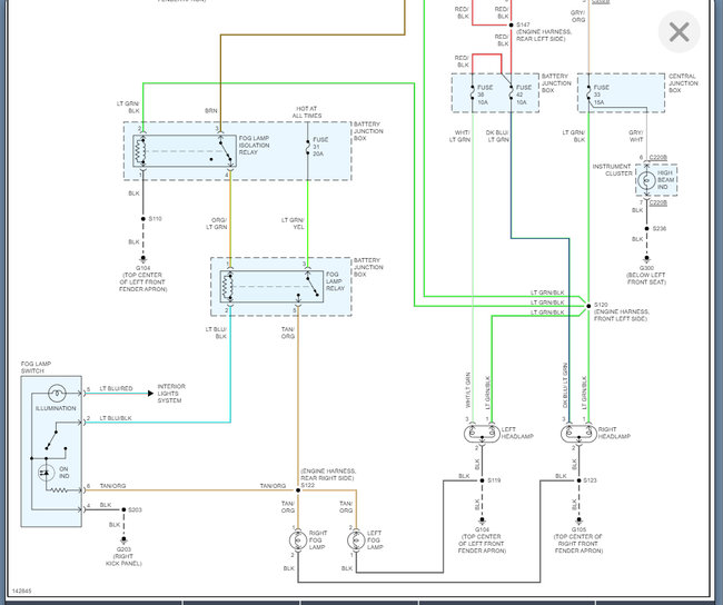
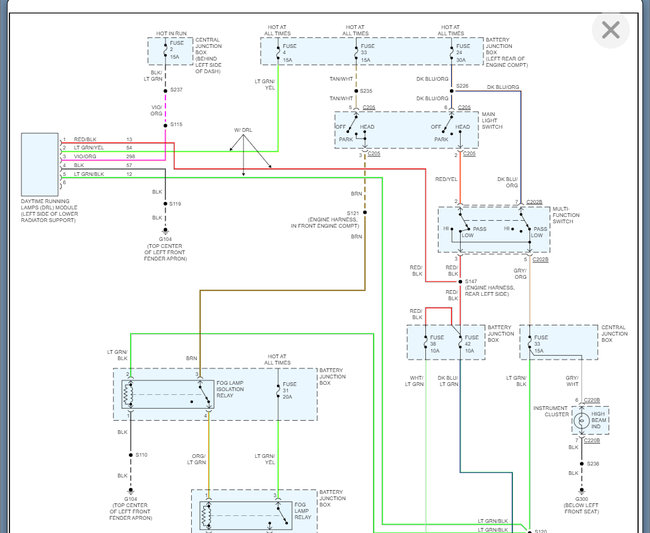
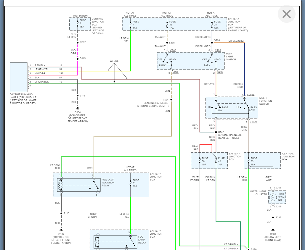
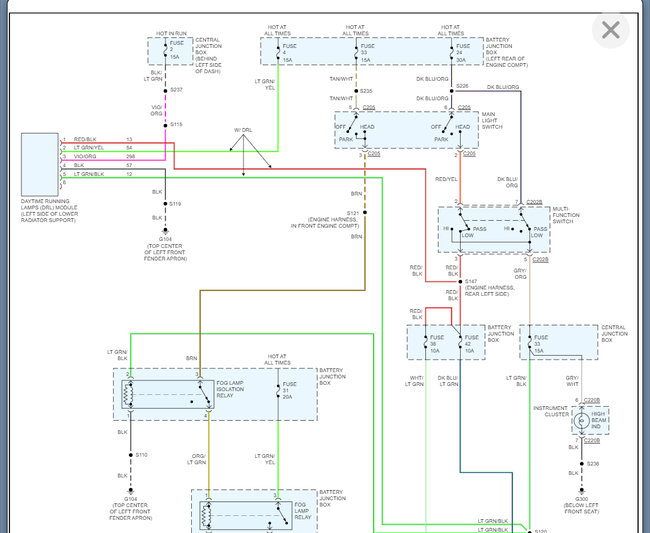
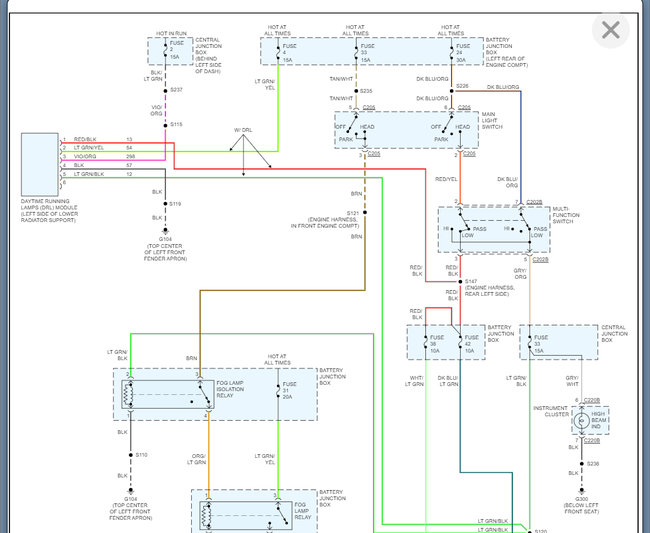
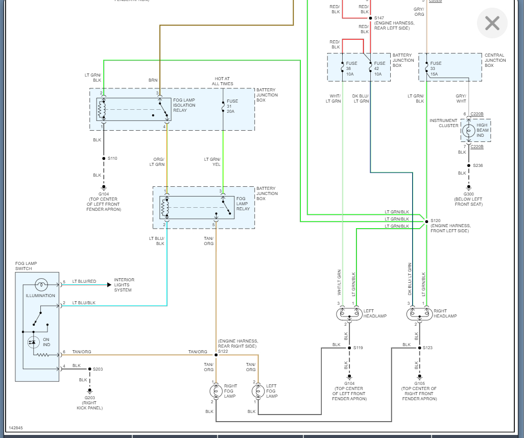
I am attaching the headlight and turn signal wiring diagrams so that you can test the switch.

This is pretty common, so I suspect this is what you are going to find so I am attaching the process to replace the switch as well.

Please let us know what you find.

Thanks
Was this
answer
helpful?
Yes
No
Monday, June 6th, 2022 AT 7:07 AM
Tiny
LBOYER
  • MEMBER
  • 2 POSTS
Replaced the turn signal switch, problem solved! Thanks!
Was this
answer
helpful?
Yes
No
Sunday, June 12th, 2022 AT 6:47 AM
Tiny
KASEKENNY
  • MECHANIC
  • 18,907 POSTS
That is great. I am so glad that this is fixed. However, I am even more glad that you came back to update us with what the fix was.

Thanks again and please come back in the future.
Was this
answer
helpful?
Yes
No
Sunday, June 12th, 2022 AT 11:13 AM

Please login or register to post a reply.