Electronics problem

Tiny
MAMAGOGO7
  • MEMBER
  • 2001 FORD E-SERIES VAN
  • V8
  • 2WD
  • AUTOMATIC
  • 115,000 MILES
I have a ford e-150 traveler wagon van that has duel tv screens and vcr and one screen will not turn on what can I do?
Friday, August 12th, 2011 AT 1:28 AM

9 Replies

Tiny
CJ MEDEVAC
  • MECHANIC
  • 11,005 POSTS
THIS IS REALLY A "caradiodoc" TYPE QUESTION! (AN EXPERT HERE)

HOW 'BOUT CHECKING FUSES FOR STARTERS. ACTUALLY PULL THE ONES RELATED OUT, INSPECT, AND RE-INSTALL. THIS MAY ALSO GIVE IT A BETTER CONNECTION, IF SLIGHTLY CORRODED.

IF THIS IS A FACTORY DEAL.I MAY CAN GET WIRE DIAGRAMS THAT MAY SHOW OTHER FACTORS THAT MIGHT BE INVOLVED

THEN WORST CASE SCENARIO IS, DEFECTIVE UNIT

KEEP RESPONDING. WE WILL TRY TO HELP!

SEE WHAT THE FUSE SITUATION IS

THE MEDIC
Was this
answer
helpful?
Yes
No
Friday, August 12th, 2011 AT 1:44 AM
Tiny
MAMAGOGO7
  • MEMBER
  • 3 POSTS
I tried all of that first. The thing is the one screen works the other does not. Any other options
Was this
answer
helpful?
Yes
No
Friday, August 12th, 2011 AT 2:35 AM
Tiny
CJ MEDEVAC
  • MECHANIC
  • 11,005 POSTS
HOW EZ WOULD IT BE/ CAN YOU, SWAP 'EM AS A TEST?

THE MEDIC
Was this
answer
helpful?
Yes
No
Friday, August 12th, 2011 AT 2:57 AM
Tiny
CJ MEDEVAC
  • MECHANIC
  • 11,005 POSTS
I'LL LOOK FOR DIAGRAMS, WHILE I WAIT FOR YOU

THE MEDIC
Was this
answer
helpful?
Yes
No
Friday, August 12th, 2011 AT 2:58 AM
Tiny
CJ MEDEVAC
  • MECHANIC
  • 11,005 POSTS
I HAVE 2 DIAGRAMS

I PLUGGED IN "E-150" FOR THE VEHICLE. YOU DID NOT PROVIDE THAT INFO AT THE TOP. IF YOURS IS A "250 0R 350", THESE MAY NOT BE CORRECT

LET ME KNOW.I'LL GRAB THE CORRECT ONES

THE MEDIC
Was this
answer
helpful?
Yes
No
Friday, August 12th, 2011 AT 3:39 AM
Tiny
CJ MEDEVAC
  • MECHANIC
  • 11,005 POSTS
OK----THAT WAS STUPID!

I JUST READ BELOW THE TOP INFORMATION. THE DIAGRAMS BELOW ARE "E-150"

"TRAVELER" WAS NOT AN OPTION AT THE DIAGRAMS

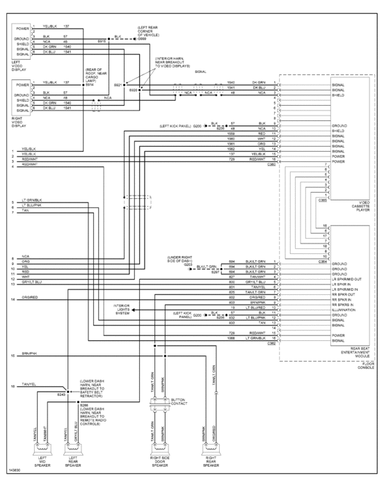
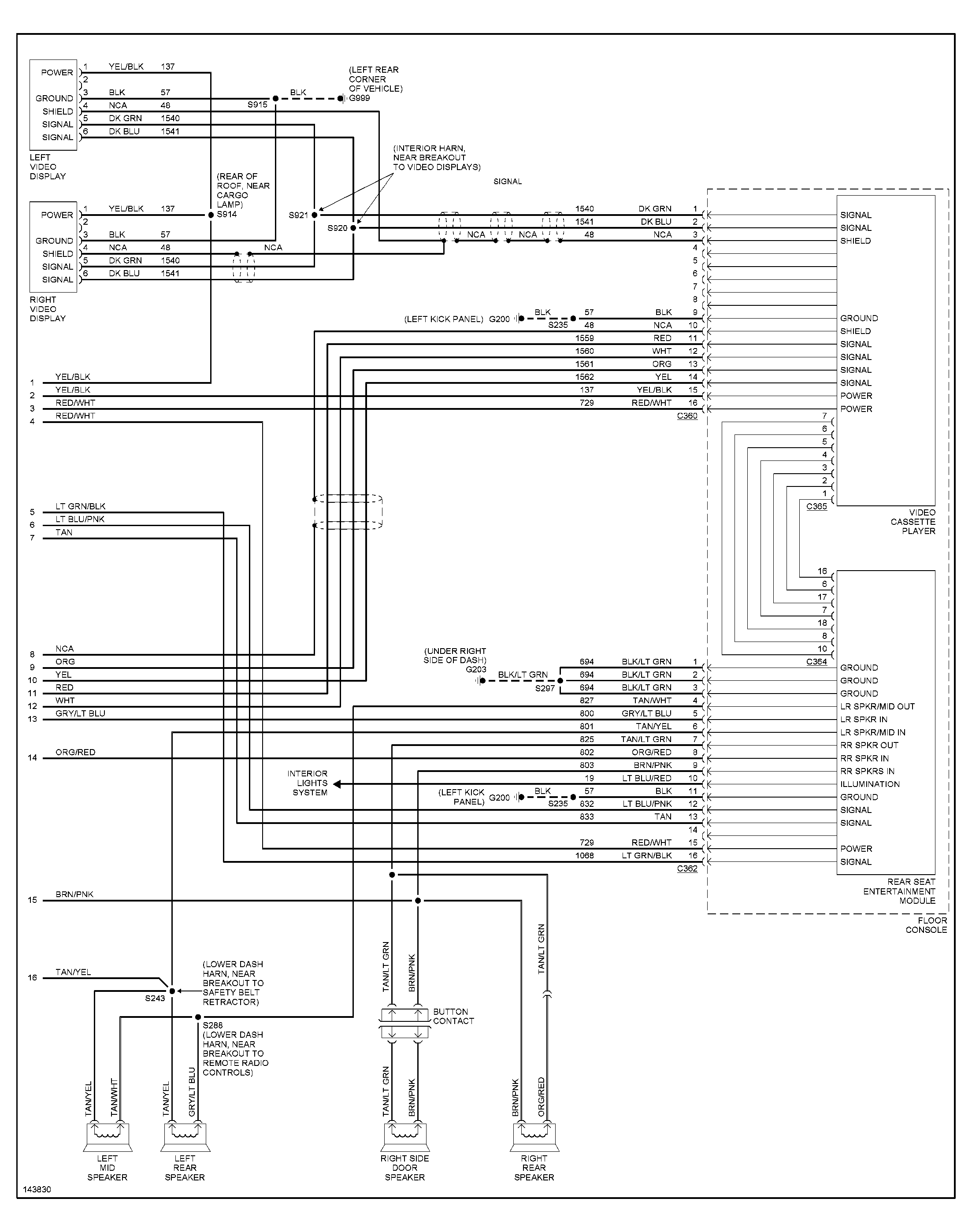
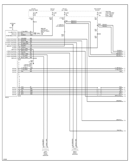
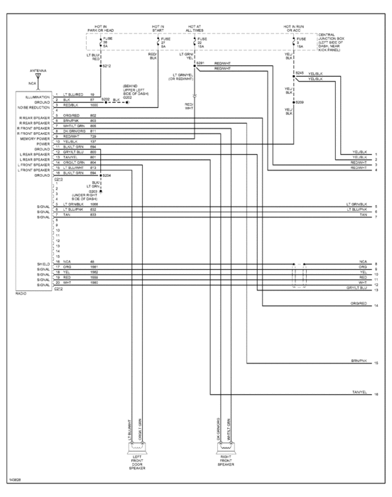
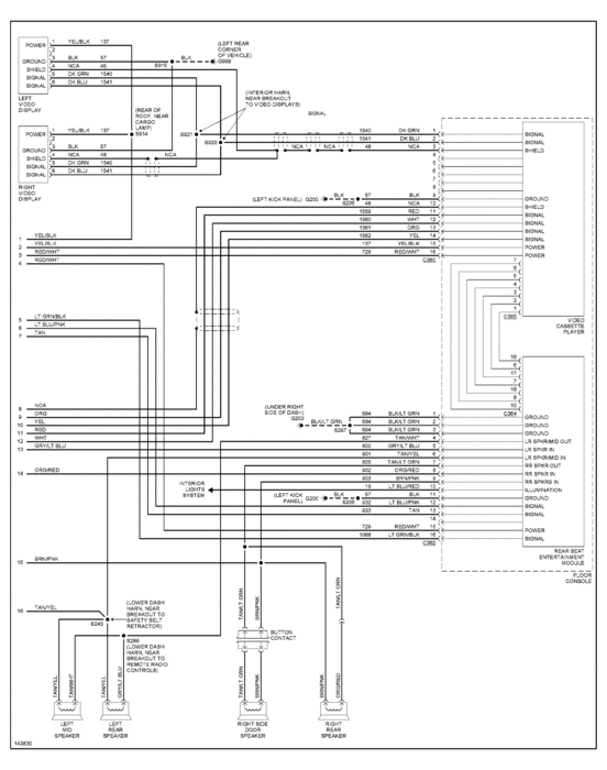
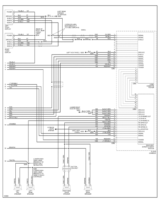
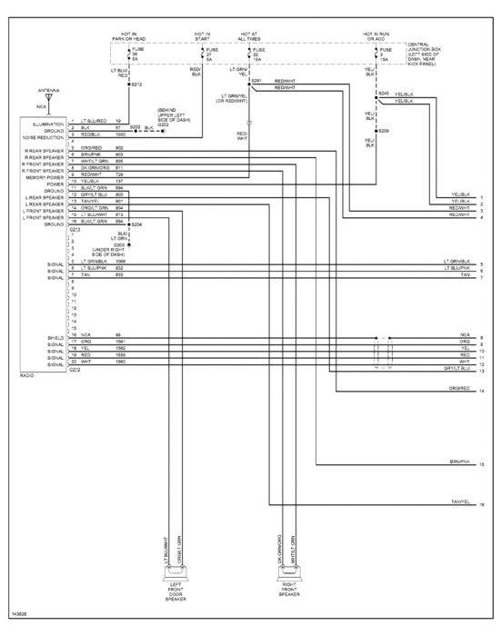
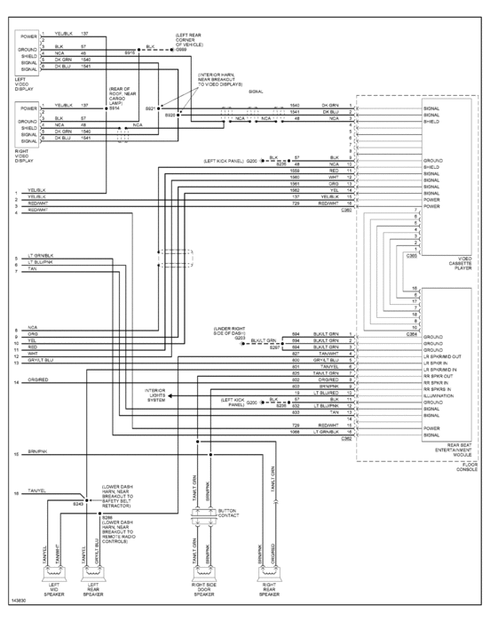
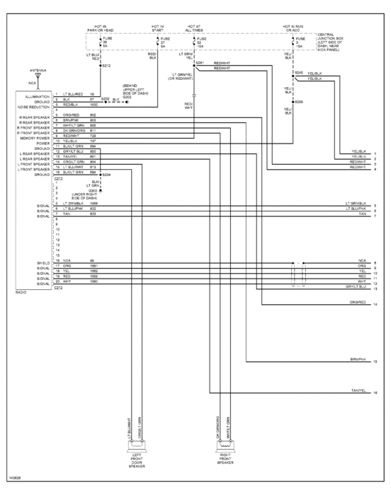
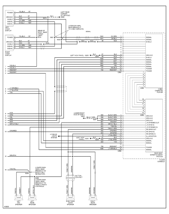
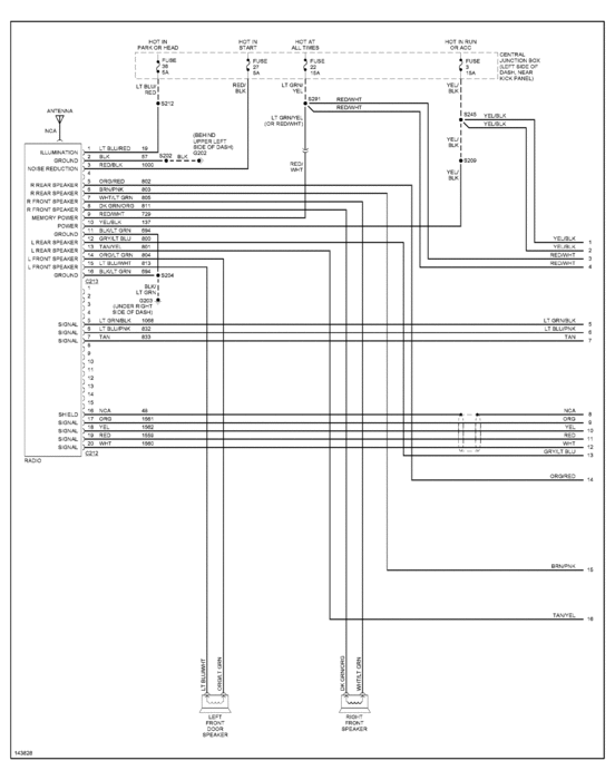
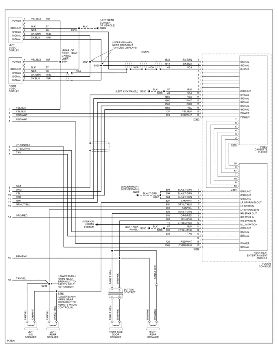
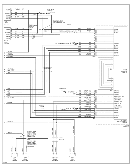
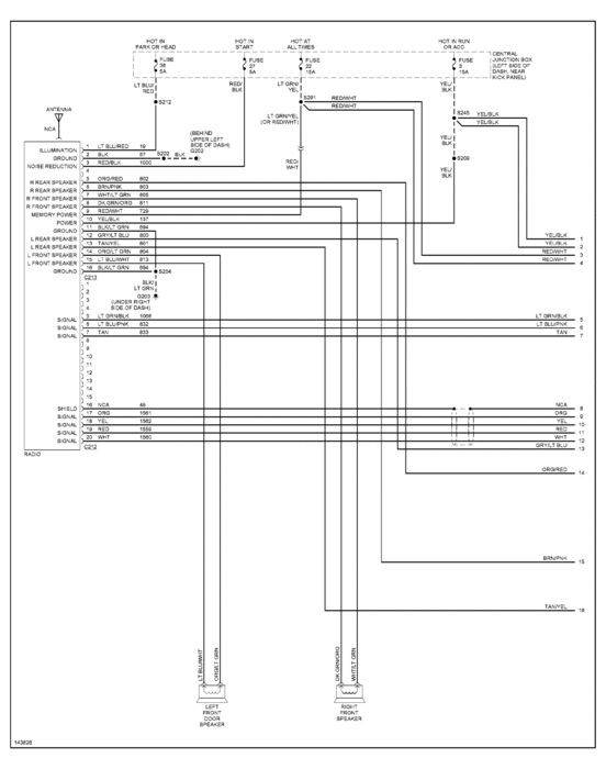
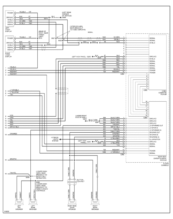
THIS MAY HELP. IT SHOWS FUSES. OUT BESIDE THEM, THEIR LOCATION

I DO NOT KNOW IF YOU CAN SEE THEM GOOD, UNTIL I POST THEM. IF ILLEGIBLE, LET ME KNOW, I WILL PROVIDE YOU A SAFE WAY, FOR ME TO SEND THEM TO YOU.

I LIKE THESE DIAGRAMS, BECAUSE WIRE COLORS ARE POSTED EZ TO SEE, BESIDE THE WIRES.I HAVE TAKEN SOME OVER TO "MS PAINT" AND COLORED THE WIRES FOR EZ TRACING

I LIKE UPDATES. KINDA LIKE WATCHING SOAP OPERAS!

THE MEDIC
Was this
answer
helpful?
Yes
No
+1
Friday, August 12th, 2011 AT 3:51 AM
Tiny
MAMAGOGO7
  • MEMBER
  • 3 POSTS
See the thing is we checked all the fuses and everything works except for the one screen, now the terrible thing is the wiring goes from the door over top of the car. So in order to check any wiring malfunctions I would have to figure a way to get into the door to the wiring. Im a women with no real wiring experiance I have car knowledge but no real wiring. It seems like your really trying to help me. Heres my other dilema I bought this van 2 weeks ago. And the warranty does not cover the electrical accessories and I really want to use this when I take my children on vacation next week. Sending it in to an electrical shop would cut into our vacation fund and seeing how I am hoping to sell this beast of a van in the begining of the year I dont want to pour alot of money into it for a vcp screen. So I was thinking an at home job would work best. If there is any other advice you can give im more then willing to use it to try and make this screen work.
Was this
answer
helpful?
Yes
No
Friday, August 12th, 2011 AT 5:58 AM
Tiny
CJ MEDEVAC
  • MECHANIC
  • 11,005 POSTS
ARE YOU PRETTY GOOD PALS WITH.....A COMPUTER GEEK?

I HAVE LEARNED TO BE DIPLOMATIC, IN MANY DIFFERENT WAYS!

AT THE AUTO PARTS STORE

https://www.2carpros.com/questions/1996-ford-mustang-gt-inside-door-handle

https://www.2carpros.com/questions/1996-jeep-grand-cherokee-bulb-replacement

AT THE AUTO SALVAGE YARD

https://www.2carpros.com/questions/ford-f-150-2001-ford-f-150-rear-door

THE GROWN? KIDS????

https://www.2carpros.com/questions/2005-ford-focus-power-steering

THE COMPUTER GEEK....WHO NOW KEEPS ME "CYBER SPACING" NEARLY FOR FREE!!! (AROUND MY 4TH OR 5TH RESPONSE IN THIS ONE)

https://www.2carpros.com/questions/1985-jeep-cj7-fires-but-wont-start

THE COMPUTER GEEK MAY BE YOU MAN!!!

HE SHOULD KNOW HOW TO TRACE WIRES USING CONTINUITY, AND READ EZ AUTO DIAGRAMS, PROBABLY TEDIOUS, KNOWS AUDIO AND VIDEO, AND TAKES PRIDE IN HIS WORK.....REMEMBER, DIPLOMACY!!!! LET ME KNOW HOW YOUR "APPROACH" AND "BRIBE" TACTICS WORKED

OTHERWISE...IT'S COUNTING VW BEETLES ON VACATION..NOT MANY AROUND ANYMORE!

YOUR TURN

THE MEDIC
Was this
answer
helpful?
Yes
No
Friday, August 12th, 2011 AT 2:25 PM
Tiny
SPARK PLUG
  • MEMBER
  • 9 POSTS
I am guessing the tv is an older generation type (Not flatscreen or LCD)
1st: is the tv receiving power or does it have sound? If yes, check the brightness controls, if NOT, check the power cables.
2: If power cables are good and still no power, switch the power cable between the TV's, if the TV that was not working NOW works, the problem is the cable, if it still does not work, the problem is the TV--maybe a blown fuse inside or bad connection at TV power side
Was this
answer
helpful?
Yes
No
Saturday, August 13th, 2011 AT 3:50 PM

Please login or register to post a reply.