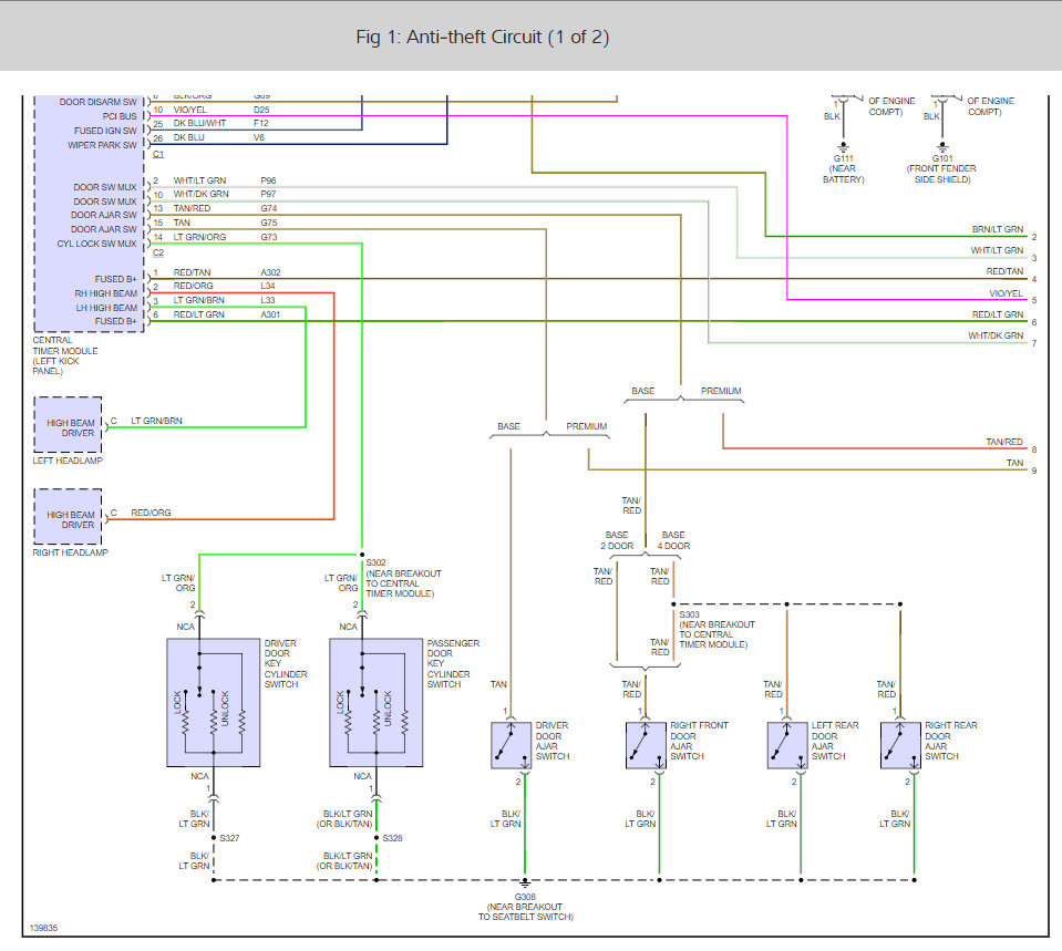
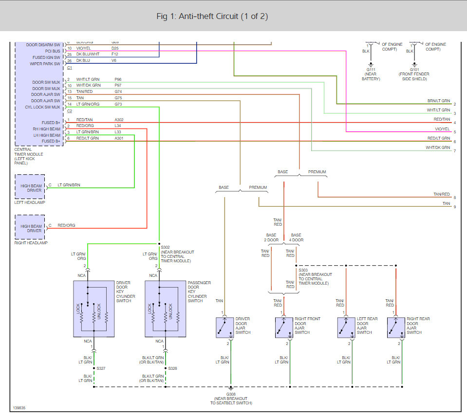
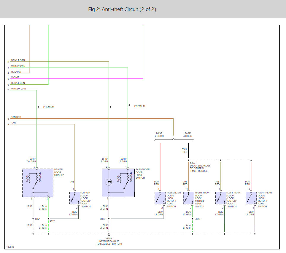
I changed the battery it is new. I dont know do you know where is that system someone told me is in the side of the door I dont know what is the problem with control I think it is the sensor.
I also forgot to tell you that the last time it worked when I fixed the Power Window Regulator the one on the side on driver seat when I push the lock button it locked but the horn when lock sounded week? What could that be?
I mean the last time the remote that locks the door worked was when I had replace window regulator when I was finished I lock the door for the last time and when it locked the sound of the horn sounded week. After that it has not been working I checked the remote at auto zone where it test the remote and it said it was working good. Sorry for the bad grammar. Do you know what can that be?
Saturday, June 25th, 2011 AT 5:17 PM









