Air conditioner clutch not moving?

Tiny
MIKED-WYD
  • MEMBER
  • 2001 DODGE DAKOTA
  • 116,000 MILES
My air conditioner does not blow cold. I popped the hood and the clutch on compressor does not ever kick on. I tried to charge it thinking it was low on coolant but was saying was full. Someone please help it is getting hot outside!
Sunday, March 18th, 2012 AT 5:25 AM

9 Replies

Tiny
RASMATAZ
  • MECHANIC
  • 75,992 POSTS
Hello,

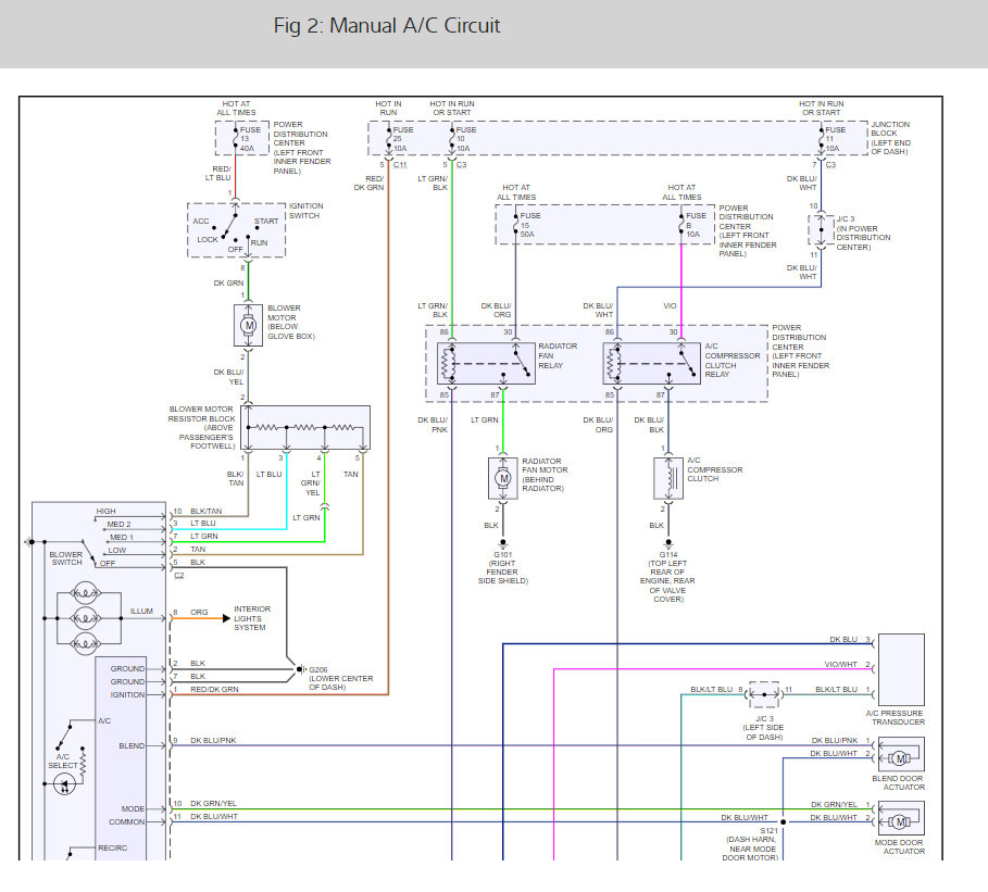
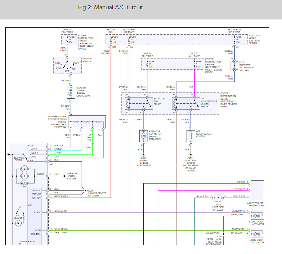
It sounds like the compressor relay is not working but to be sure here is a guide to help check it with the air conditioner wiring diagrams so you can see how the system works and the relay location as well.

https://www.2carpros.com/articles/how-to-check-an-electrical-relay-and-wiring-control-circuit

Check out the diagrams (Below). Please let us know what you find. We are interested to see what it is.
Was this
answer
helpful?
Yes
No
Sunday, March 18th, 2012 AT 6:43 AM
Tiny
OIDAVEY
  • MEMBER
  • 0 POST
Thank you for this post I had this problem had to get a new compressor relay cost me $34.00, I love this site
Was this
answer
helpful?
Yes
No
Sunday, March 18th, 2012 AT 8:31 AM
Tiny
KEIFF23
  • MEMBER
  • 2 POSTS
  • 1999 DODGE DAKOTA
  • 6 CYL
  • 4WD
  • AUTOMATIC
  • 116,000 MILES
The AC works fine when the engine is cool, the AC clutch works.
When engine is warmed up the clutch does not engage the compressor, does not run. The freon is full or whatever they put in it now. Any ideas?
Thanks
Jeff
Was this
answer
helpful?
Yes
No
Tuesday, August 13th, 2019 AT 11:21 AM (Merged)
Tiny
RASMATAZ
  • MECHANIC
  • 75,992 POSTS
Direct power to the clutch if it engages the compressor check the AC relay and low pressure cut off switch
Was this
answer
helpful?
Yes
No
+1
Tuesday, August 13th, 2019 AT 11:21 AM (Merged)
Tiny
MALETTE
  • MEMBER
  • 8 POSTS
  • 2000 DODGE DAKOTA
  • 102,000 MILES
About every 8 seconds there is a squeal/slipping sound coming from where the belt runs over the ac pulley. I thought it was the belt slipping, but had it looked at and was told it was the compressor. Then said maybe just the clutch. However, it appears my Freon is empty as when we opened the valve only air came out. Air in the truck comes out kind of cool, but not ice cold. He recommended I get a can of the r-134a at a auto store and refill to see. Said if air gets colder its the clutch if not the compressor. Issue is can't seem to find a hose to fit it and don't want to spend to recharge at the shop just to empty and repair. Mean while I will try to find a hose to fit. I also noticed now that the sound stops when the ac is off. I know I could bypass it, but I'd rather just fix it. I just want to know what it is. If I don't need the compressor the cost for the clutch would be better. Though I've referenced your site before for help this is the first time asking a question and appreciate any troubleshooting help or solutions. Hope I've provided enough information.
Was this
answer
helpful?
Yes
No
Tuesday, August 13th, 2019 AT 11:21 AM (Merged)
Tiny
DAN_K
  • MECHANIC
  • 213 POSTS
In my opinion, the best way to start would be to locate and identify the leak. If your A/C system has no refrigerant in it, it has leaked out somewhere. There is also a lubicant in the system called PAG Oil. If the clutch on the compressor is slipping, it's a possibility that the front compressor seal has been leaking and the PAG Oil has contaminated the compressor clutch. The 134a refrigerant is ozone-friendly and resonably inexpensive, so if you add a can and use it to check for leaks; you may be able to visually find the leak if it is a large one. A fill-kit can be purchased at any good auto-parts store for a minimal amount of money. And if it is indeed the compressor seal, a compressor rebuilt kit is probably available. Compressor replacement may not be necessary.
Was this
answer
helpful?
Yes
No
Tuesday, August 13th, 2019 AT 11:21 AM (Merged)
Tiny
SATURNTECH9
  • MECHANIC
  • 30,869 POSTS
With the engine off does the center of the clutch turn freely?Or is it all bound up?It could be low on charge causing the compressor to cycle. Or the pressures could be too high causing the pressures to cycle. The low side fitting should be a standard r134 fitting. Its not a good idea to just press the a/c valve in doesnt tell you if the system is full and can be dangerous. To properly do this your self you will need to get a r134 gauge set to see what the high and low pressures.
Was this
answer
helpful?
Yes
No
Tuesday, August 13th, 2019 AT 11:21 AM (Merged)
Tiny
ESULTANA
  • MEMBER
  • 1 POST
  • 1999 DODGE DAKOTA
Air Conditioning problem
1999 Dodge Dakota 6 cyl Two Wheel Drive Automatic

My AC compressor pulley is worn out and noisy. I would like to pull the pulley/clutch off and replace whatever is worn out instead of replacing the compressor and the pully. I need information of the right way to pull the old pulley and replace it with one from the junk yard. I appreciate all the help.

Thanks.
Was this
answer
helpful?
Yes
No
Tuesday, August 13th, 2019 AT 11:21 AM (Merged)
Tiny
MASTERTECHTIM
  • MECHANIC
  • 4,750 POSTS
There is a special set of pullers and installers needed for this job and I find most of the time its fruitless due to shaft wear or rust build up where puller needs to grab. Much much easier to replace the compressor
Was this
answer
helpful?
Yes
No
Tuesday, August 13th, 2019 AT 11:21 AM (Merged)

Please login or register to post a reply.