Car cranks but will not start

Tiny
JUSTINA123
  • MEMBER
  • 2001 CHRYSLER PT CRUISER
  • 95 MILES
Car was slightly overheating while at a stand still. Seemed to go away. Few weeks later I ran my car on empty before I got gas and the next day the car wouldn't start. We changed fuel pump, fuel filter, water pump and one sensor but car still wouldn't start. Then replaced the timing belt then the car worked for 2 days then shut down on the freeway. Changed the rest of the sensors (3), cam shaft, crank shaft, bought a new battery and still nothing. I am waiting on a ECM that is programmed to arrive in the mail. THis is my last option, All wires that we know of have been checked. Any idea what could be wrong with this car. I have heard the ECM is sensitive and may have broke when battery was wearing down and being jumped a few times. Is this true? Do you think this new ECM may fix the problem? Any suggestions would be great!
Monday, December 5th, 2011 AT 7:39 PM

8 Replies

Tiny
RASMATAZ
  • MECHANIC
  • 75,992 POSTS
Go to this link: https://www.2carpros.com/articles/car-cranks-but-wont-start
Was this
answer
helpful?
Yes
No
Tuesday, December 20th, 2016 AT 5:36 PM
Tiny
CARADIODOC
  • MECHANIC
  • 34,463 POSTS
You've chosen the most expensive, least effective way to solve this problem. That's by throwing random parts at it. Each one introduces new variables and compounds the original problem. Chrysler typically has very little Engine Computer trouble, especially compared to GM. That is the last thing I would suspect.

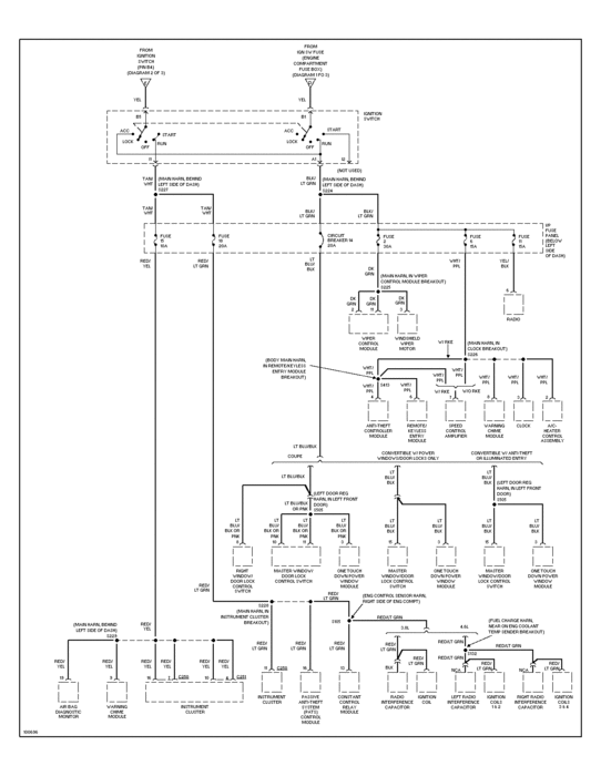
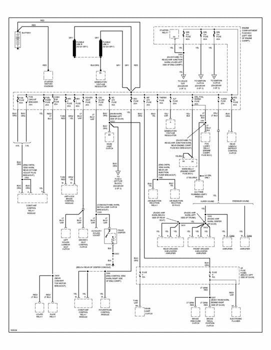
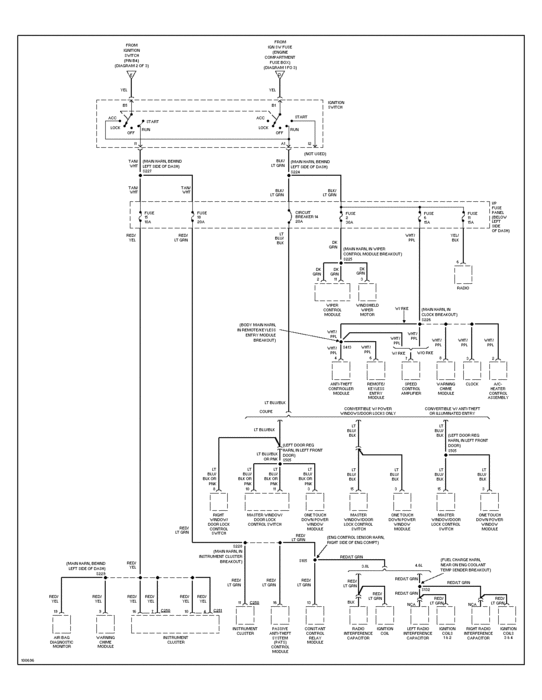
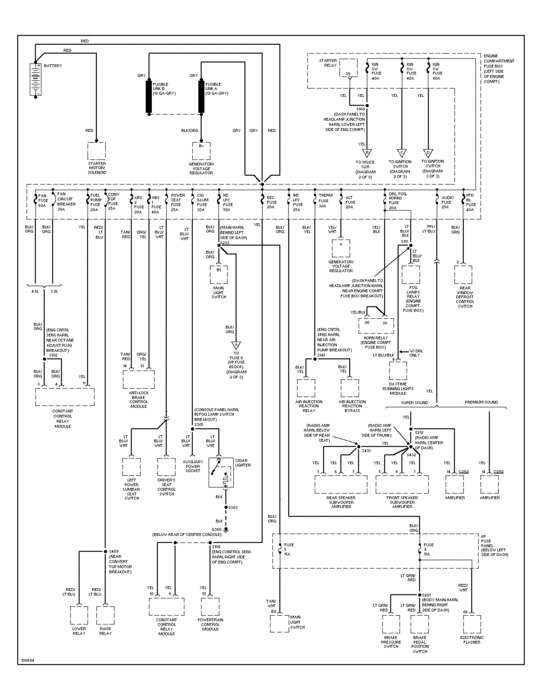
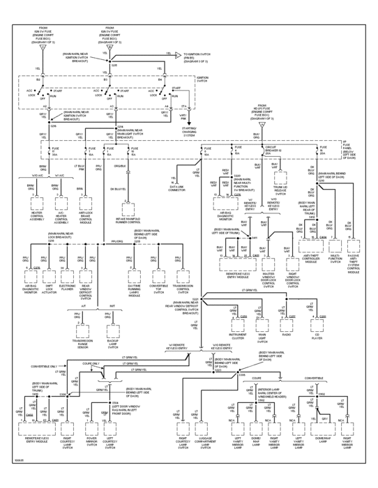
Have you checked for diagnostic fault codes? They will lead you to the circuit or system that needs further diagnosis. What led you to the other sensors? Did the Check Engine light turn on? If it did, what were the fault codes? The Engine Computer learns the relationship between the camshaft position sensor and the crankshaft position sensor. When it changes, it knows the timing belt has jumped a tooth and will turn on the Check Engine light. If the belt jumps two teeth, the computer will shut the engine down to protect it. At three teeth, the pistons will hit and bend any open valves. If you do anything to force the engine to try to start, you'll damage the valves.

If there are no stored fault codes, the Chrysler DRB3 scanner can be used to display live sensor data. It also has a no-start menu that shows all the relevant sensors and whether they're producing signals. If the signals are missing from BOTH the cam and crank sensors, the computer won't know to expect them and won't test for them, so no fault code will be set. In that case the wiring common to both of them must be tested. They share a 5.0 volt feed and a ground wire. A corroded splice or grounded wire will cause that. If it's grounded, the computer will shut the 5.0 volt power supply down to protect it. Less experienced mechanics will find that missing 5.0 volts and incorrectly assume the computer is defective.

Now that you disconnected the battery, the Engine Computer's memory has been lost. Normally that is not a problem but since so many other parts were also replaced, it will have to relearn all the the characteristics of those new parts. It normally does that when one part at a time is replaced by reconciling its readings to other sensors' readings. When multiple parts are replaced, the DRB3 scanner has a function to allow a "quick learn" of the cam and crank sensors' relationship. Sometimes the engine will start without doing that but it just depends on the individual sensor that was installed.

Chrysler fuel pumps almost never quit once they're running so they won't suddenly let you sit on the highway like GM pumps will. They can fail to start up causing a no-start, but not a stalling once it's running. Except for diesel engines, you'll never solve a running problem on a Chrysler product by replacing the fuel filter. They often last the life of the car.

One thing to keep in mind is there have been some stalling / no-start problems caused by a sheared off key between the camshaft and sprocket but that only pertains to the single overhead cam engines. The sprocket will turn on the camshaft slightly and make it look like the timing belt jumped a few teeth so the computer will shut the engine down. One potential clue is one coil pack might be producing spark intermittently, and the automatic shutdown (ASD) relay might click on and off during engine cranking.

If you have a no-start condition now, have you checked for spark and fuel pressure? Most people get stuck on the first thing they find missing. You must check for both.
Was this
answer
helpful?
Yes
No
Tuesday, December 20th, 2016 AT 5:36 PM
Tiny
JUSTINA123
  • MEMBER
  • 4 POSTS
The car has no spark but fuel pressure. Btw changed coil pack too. I understand what your saying but I keep finding posting like this one:

"Hello everyone, Bought this cruiser from a guy that gave up trying to fix it! It just died on him and his mech said it was a timing belt, they replaced the timing belt, the water pump, cam and crank sensors, plugs and wires, and coil pack, and still no spark, or fuel. Plugs are dry, but I do hear the fuel pump when I turn the key, had sentry checked, thats all ok! I dont know where to go next, any help would be super, thanks.

Check to see that the coil pack connector and cam sensor connectors aren't swapped. These connector ends were keyed similarly and can reach either component. Wire color check will verify this.

So, hooked the snap on modis up and quickly realized I had good crank pulse, but intermitant cam pulse, This led me to start looking at wires, which led me to unplug the ECM where I saw a gooey oil like substace coming out from the pins. I think something heated up to the point it burst open and oozed out the only place it could. Will keep you guys posted, ordered a new ecm today.

OK boys, and girls! Car is running! What a nightmare, took it to the dealers and they reflashed my ecm and still no spark and fuel! The service manager kindly shrugged his shoulders and said I have no clue whats wrong with it, now that will be $238 dollars! So, towed the car back to my house and started ripping apart the top end in disgust and upon taking the sproket off the cam, I realized the keyway on the intake cam was sheered off!.27 CENTS. YES, .27 cents later and a reassembly and she started right up, unbelievable. Thanks guys for all your replies, happy motoring!

THIS leads me to believe I have some corky problem that a mechanic is not going to find.
Was this
answer
helpful?
Yes
No
+1
Tuesday, December 20th, 2016 AT 5:37 PM
Tiny
CARADIODOC
  • MECHANIC
  • 34,463 POSTS
I'm not sure if your reply of the fix pertains to your car or the post you found somewhere else, but did you see this from my reply:

"One thing to keep in mind is there have been some stalling / no-start problems caused by a sheared off key between the camshaft and sprocket but that only pertains to the single overhead cam engines. The sprocket will turn on the camshaft slightly and make it look like the timing belt jumped a few teeth so the computer will shut the engine down. One potential clue is one coil pack might be producing spark intermittently, and the automatic shutdown (ASD) relay might click on and off during engine cranking."

Hope you mean YOUR engine is running now.
Was this
answer
helpful?
Yes
No
Tuesday, December 20th, 2016 AT 5:37 PM
Tiny
JUSTINA123
  • MEMBER
  • 4 POSTS
Well we broke downand towed the car to the dealer and had it diagnosed and was told something was wrong with the timing belt bc of the amount of pressure was too low and when thy took the cam sensor off the car starts. They wanted 698. Just to further diagnose what exactly is the problem with the timing belt then charge me for parts and labor to fix it. I just had the timing belt done and inspected by a family mechanic that builds drag racing toyota's and was told the timing was done perfect by my husband. So I declined their services and towed the car home. We noticed the pressure is low bc this hose is warped and not getting enough air through it and when you step on the accelerator the hose pops off. So a new hose and factory sensor was really the problem and the dealership just wanted to rip me off which is exactly what I knew would happen. It's so sad people could be so dishonest.
Was this
answer
helpful?
Yes
No
Tuesday, December 20th, 2016 AT 5:37 PM
Tiny
CARADIODOC
  • MECHANIC
  • 34,463 POSTS
What pressure was too low? Are you referring to a compression test? If the compression test is low on all cylinders, the dealer was correct in suspecting the timing belt. Their estimate is not out of line for tearing the front of the engine down to check the belt installation and the sprocket key; that 27 cent part. They have no way of knowing that your husband put the belt on properly unless they check. What would you think of them if they DIDN'T check and that turned out to be the problem, along with the common and expensive bent valves?

You never gave the dealer the chance to perform this very common examination and you never gave them the chance to surprise you with a repair bill considerably lower than the estimate. You just yanked it out from under them with the preconceived notion they were going to rip you off. Nothing you said suggests dishonesty, but it's this kind of false impressions that lead to undeserved bad reputations among many service people, not just mechanics.

Estimates are just that. Until they know exactly what is wrong, they can't give you a firm cost of repairs. What if the timing belt was installed incorrectly AND the.27 key was sheared off and they only checked for one of them? Knowing that other hands were already in there and there are now new and / or additional problems, the mistake the dealer made was in not preparing you for the possibility of bent valves. All mechanics and shops really hate having to call back with revised, higher estimates once the cause of the problem is found. For that reason they will give you an estimate up front that includes that possibility. If later it turns out all those repairs aren't needed and the final bill is considerably lower, you are pleasantly surprised. The exception is a lot of employees are afraid to give you a high estimate right away because they're afraid you're going to pull the car out from under them and call them names before they even look at it. Oh, wait. That's what you did after a $698.00 estimate. I can only imagine what you'd be calling them if they gave you the $2500.00 estimate they should have to begin with.

Is your mechanic friend even aware that the sheared-off key is a common problem on this engine? And that when that happens the installation of the timing belt APPEARS to be correct. In fact it is, but that broken key allows the camshaft to be late and can cause bent valves, except the Engine Computer catches that and shuts the engine down to protect it.

I learn new stuff all the time and recently learned from a rather bright owner that he figured out his engine would run without the cam sensor if he bypassed the relay I told him to as part of a different test. Apparently your engine will also run if the cam sensor is removed. I'll have to experiment with that, but if it's true, you bypassed the safety system designed in to protect the engine from extremely serious and expensive damage. Good for you. Had that key been sheared off, your mechanic would have caused those valves to become bent. Had that happened at the dealership, you'd be angry with them, wouldn't you.

What it sounds like the dealer did wrong was to give you an estimate that was too low. $698.00 seems a little high to disassemble the front of the engine just to take a look, but it takes even longer to put it back together. I doubt they were expecting to take it apart, examine it, find the problem, then leave it that way for you to pick up. They expected to put it back together too. And as long as they were in there, if they found the timing belt to be off one or two teeth, they would have taken the extra couple of minutes to make it right. They were likely expecting to find the key sheared off. At that point it takes a whole minute to set a new one in place. At that point, there would be NO additional parts or labor so they could have stuck to their $698.00 estimate except it would have included giving you the car back running, not just inspected. You didn't give them the chance. You just assumed they couldn't be trusted. In reality, it's the do-it-yourselfer who can not be trusted. The dealer knows do-it-yourselfers don't have factory training, are not familiar with the little subtleties of the various engines and their sometimes quirky assembly techniques, and some people are going to cause additional expensive damage, such as bent valves. They know that when anyone else, even a different mechanic, got their hands in it, inspection for damage becomes a lot more involved. I would expect no less of a mechanic after I had MY hands into something I wasn't familiar with. Did your husband use gasket sealer from a tube when reassembling the various parts? We all do, but is he aware the fumes from some will destroy oxygen sensors? Not right away, but soon. Who are you going to blame then?

So the question now is, what hose are you referring to that popped off and why didn't your husband notice that before attacking the timing belt? How would you feel towards a mechanic who overlooked something apparently so simple and charged you for replacing the belt? It's sad people can be so mistaken, ... Or in your words, "dishonest".

What pressure was low? What hose was popping off? Why did the engine originally overheat? If you ran it out of gas, put some in, the engine started and ran but stalled the next day, how is running out of gas relevant to anything? One day the engine wouldn't start. Two days later the engine stalled. VERY common problem with an easy fix so far, with a new timing belt thrown in there in the middle. No mention yet whether the Check Engine light turned on or if anyone ever checked for diagnostic fault codes. Seems a lot of mistakes were made on this project but only the dealer is "dishonest".

You stated the engine had no spark when it wouldn't start. Try as hard as I can, I can't think of any hose popping off that would cause no spark. Or is this hose problem a new problem unrelated to the no-spark? It sounds to me like there were multiple problems, some of which got fixed along the way by who knows who, but obviously the timing belt was never the problem to begin with. Then, without doing any diagnosis, you jumped on the Engine Computer while having absolutely no reason to suspect it as being defective. I'm pretty sure you have more than $698.00 invested in getting your car running, plus your husband's free labor. You have to admit a lot of mistakes were made, the least of which were done by the dealer. I know you won't see it that way. People paying the bill always look for someone else to blame. There are dishonest people in every profession, and I will never defend their actions or them, but in this case, I don't see anything the dealer did to deserve being called dishonest.

After mulling over the various symptoms and observations, here's how the story should have played out had anyone been paying attention. Engine overheated "slightly" at a standstill. If it didn't overheat when moving, you know lack of airflow through the radiator is the problem, and an inoperative electric radiator fan is the place to be looking. Instead, you went for the least likely culprit, the water pump. The pump is moving coolant just fine as evidenced by the engine not overheating when the car is moving and air is being blown through the radiator. You ran out of gas, put gas in, the engine ran fine for another day. Fuel pump is obviously working so leave it alone. Instead, you replaced it and the filter which, other than on diesel engines, will never solve a running problem on a Chrysler product. Had anyone bothered to check for spark and found it missing, you would have known it was not a fuel pump problem. Somehow it was decided the timing belt was the problem, and the engine ran fine after it was replaced. Since it ran fine, we know the cam key was not sheared off. Was the old belt checked for proper timing before it was removed? If it had not jumped a tooth, you would have known right there the problem was not related in any way to the timing belt or camshaft. The dealer's mechanics know if the old or new belt had jumped one tooth, the Check Engine light would have turned on and there would have been a diagnostic fault code directing them to that area. If it jumped two teeth, the computer would shut the engine down. There's no indication anyone ever checked codes. Had I done this repair and the engine stalled two days later, my first assumption would have been I didn't set the tension on the belt properly, or there was a misaligned pulley that I overlooked that caused the belt to track off-center and shred. That's the first place I would have rechecked, and that's most likely what the dealer wanted to do.

There's a real common cause of an engine failing to start, and stalling two days later. That is a failing camshaft position sensor that becomes heat-sensitive. Every mechanic with a little experience is aware of it occurring on any brand and model of car and it's probably the first thing they would suspect. A cam sensor failing by becoming heat-sensitive, which will cause a no-start and stalling when warm, is going to be aggravated, (not caused), by an engine running hotter than normal. They typically work again and let the engine start after cooling down for as little as half an hour, but usually longer. So it would appear there were indeed multiple problems that acted together to cause the stalling. The $50.00 camshaft position sensor most likely was the cause, but you still need to check if the radiator fan is turning on. I have total respect for any competent do-it-yourselfer who is willing to tackle today's complicated, over-engineered cars, but in this case, had you gone to any mechanic first, you would have spent a whole lot less time and money on the repair. On a positive note, 95,000 miles is a little early to be replacing the timing belt and water pump, but it's done and is good insurance against it breaking in the near future. The job was coming up soon anyhow so chalk that expense up to normal maintenance.
Was this
answer
helpful?
Yes
No
+1
Tuesday, December 20th, 2016 AT 5:37 PM
Tiny
JUSTINA123
  • MEMBER
  • 4 POSTS
OK So it seems I didn't tell the whole story correctly. For one the timing belt was missing teeth and was indeed broke. This was found after the first repair was done on the fuel pump. He did the fuel pump and fuel filter bc it was not getting fuel and maybe he was wrong about that (but he says it was not getting fuel) and while he was changing it he decided to change it with the water pump since it had 95k miles on it and didn't cost much more to do it while the engine was already apart. When that didn't start the car he then further investigated to see the timing belt issue. He fixed it and all was good. Then 2 days later the car shut down on the freeway. At this point we should have taken it in. And had the dealer given me an estimate for work I would have probably paid it but I was only given an estimate to look further into the timing belt. I hardly doubt I wouldn't have had alot more charges. I do understand it is alot of work and labor cost money. I feel like I got a great deal if it ever runs because we only spent 1100. To replace fuel pump/water pump, sensors, hose, timing belt, coil pack, spark plugs, new fluids, and who knows what else I am forgetting. I didn't mean to insult mechanics or dealers. I do wish they could have given me something better than for 698. We will tear it apart and look. So the PCV hose and valve was replaced and we exchanged the cam shift after market sensor for the factory one but still car only starts without that sensor. SO. After looking at it again without even taking it apart, low and behold he put a chalk line on the cam shaft sprocket and the line moved and when he checked the pin it sheared off. So I guess my point is if he found this and is not a mechanic how did the dealer not check this since it doesn't require you to tear it apart to check. (Maybe I am not understanding something but this is why I don't understand the dealer's logic)
You say this just a minute to repair. Cold you please tell me how this is done?
Was this
answer
helpful?
Yes
No
Tuesday, December 20th, 2016 AT 5:37 PM
Tiny
CARADIODOC
  • MECHANIC
  • 34,463 POSTS
Sorry for my poor communication. It takes hours to take enough stuff apart to check if that key is sheared off. It's at that point that it only takes a minute more to drop a new one in if it's needed. You still have to put everything back together too.

With teeth missing from the timing belt, it's a good thing it got replaced. Most mechanics will replace the water pump at the same time for insurance and because it takes just as long as replacing just the belt and they don't want to do that entire job again later. Might as well do both parts at the same time. That was also your husband's logic.

It appears the second stalling problem was the sheared-off key, but that should not have caused the first problem. When the sprocket turns on the camshaft the equivalent of one tooth, the Engine Computer will turn on the Check Engine light to let you know something's wrong, and the engine will be noticeably down on power. It will also store the diagnostic fault code "cam and crank sync". When the sprocket turns the equivalent of two teeth is when the computer shuts the engine down. At that point it's usually going to be a permanent no-start condition because the sprocket will either stay were it is or it will continue to creep ahead of the camshaft a little. It will never magically go back to its proper position and let the engine start. The fact the engine ran for two days after the first repair suggests the sheared-off key wasn't the problem then, at least not yet. With the sheared-off teeth, perhaps the timing belt was the original issue and had jumped a tooth or two.

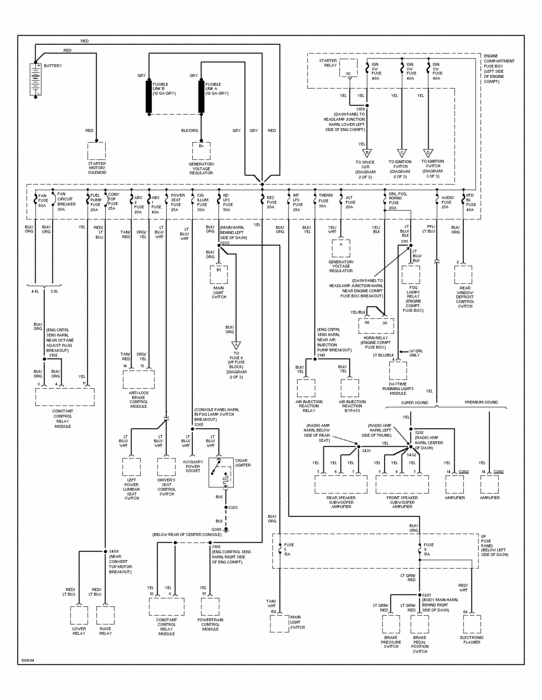
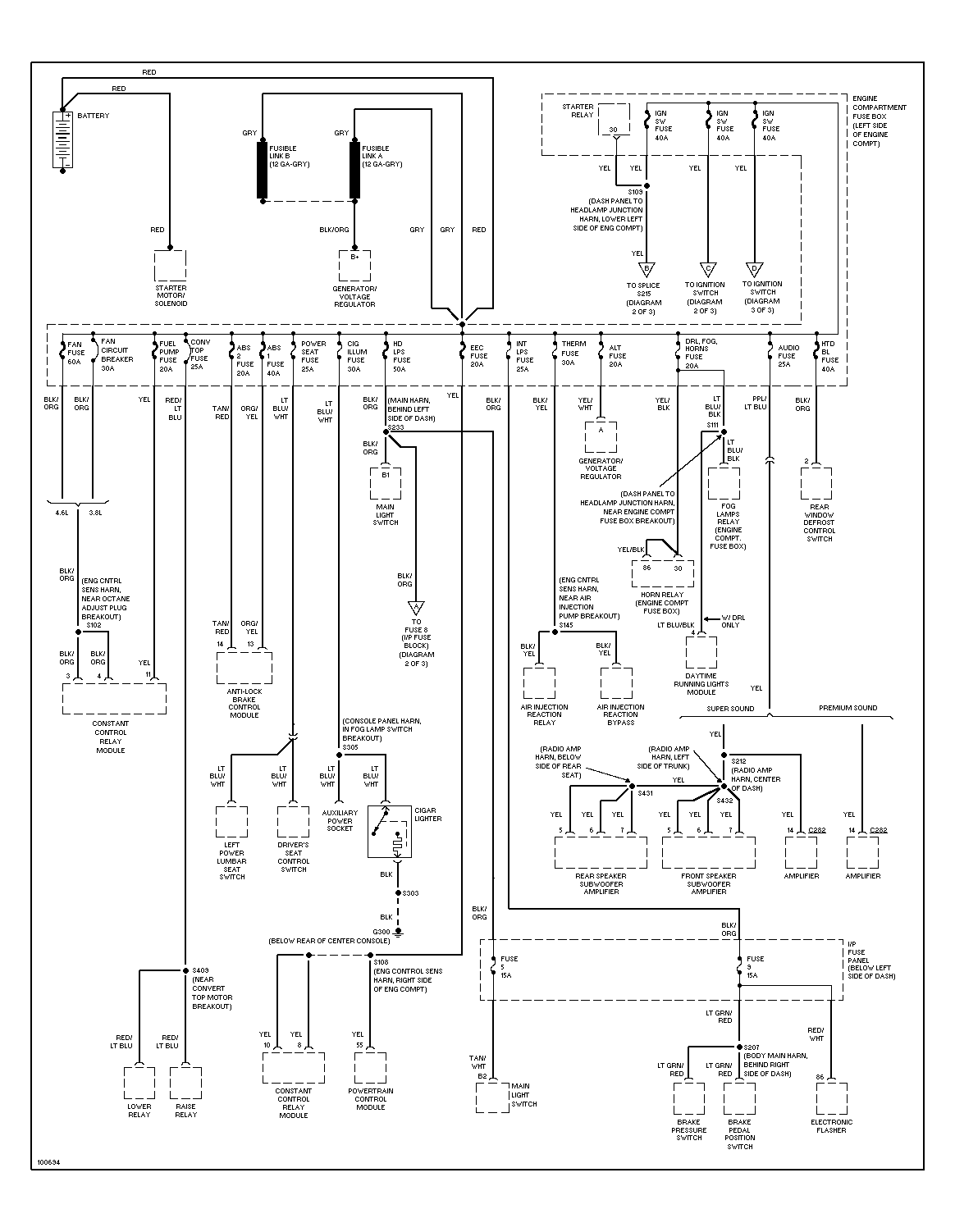
Here's two things to keep in mind that are not commonly known by a lot of people. The fuel pump is not supposed to run unless the engine is being cranked or is running, and some engines will run on just one of the two sensors, camshaft position sensor or the crankshaft position sensor.

The fuel pump, ignition coil, and injectors, (along with the oxygen sensor heaters and alternator field), all get their power through the automatic shutdown (ASD) relay. The Engine Computer turns that relay on for one second when you turn on the ignition switch, then again when it sees engine rotation, (cranking or running). It knows the engine is turning by the pulses from those cam and crank sensors. You will usually be able to hear the hum of the fuel pump for that one second. Many people expect the fuel pump to be running long after they turn on the ignition switch, then when it isn't, they start troubleshooting that circuit. Other people find the missing spark first and try to diagnose that circuit. It's important to check both circuits to determine if they're both dead due to a common cause. That common cause is usually the camshaft position sensor resulting in the ASD relay not turning on. To add to the confusion, some people just test for fuel pressure at the test port, find it, and incorrectly assume the pump is working. That pressure is there from the pump running during that one second burst when the ignition switch is turned on. The purpose of that burst is to insure the fuel pressure is up high enough for starting in case it bled down overnight. If your husband is already aware of this, just disregard it, but it might help others reading this who are researching the same problem.

All through the '90s, the ASD relay would not turn on if the signal was missing from the crankshaft position sensor, OR from the camshaft position sensor when that one was also used. Something I just learned a few weeks ago from a rather sharp visitor to this site is some engines can be made to run on just one of those sensors. I apologize if I'm repeating myself here. I've typed this comment so many times recently that I forget where I posted it. I'm still learning more about this too. For many years GM had a system where the engine would continue to run when one of the two sensors failed while driving, but when restarting a stopped engine, a V-6 had a one on three chance of starting if the correct cylinder was about to fire. If it didn't start, you had to know to turn the ignition switch all the way to "off" before trying again. Once the engine started, the computer would just calculate which cylinder to fire next, and it would continue to run just fine. Chrysler never had such a system until starting in the 2000s, and not all car models were affected in the same years. What I DO know is there are now some engines that will run on just the one sensor, but as in the case of this other person, he figured out the computer wouldn't turn the ASD relay on if one sensor's signal was missing, but if he forced that relay to turn on, the engine would start and run, apparently just fine. This might be related to your engine running when the cam sensor is unplugged. Related to that, the cam and crank sensors both share the same ground wire and the same power wire, so if either sensor is shorted, it will kill that 5.0, 8.0, or 10.0 volt power supply in the Engine Computer. The computer will shut that supply down to protect it from damage. So there's two possible reasons your engine will run with that sensor disconnected. It could be shorted and killing the power supply to both sensors or it could be just failing to produce its signal.

A third possibility is that the computer hasn't yet relearned the relationship between the cam and crank sensor signals to know what "correct" is. The service manual description for that relearn procedure for the Neons, which use the same engine, is very involved and requires use of Chrysler's DRB3 scanner. However, the first time I ran into this sheared-off key, and after spending many days trying to figure it out, I didn't have to do any of that procedure. With the new key in place, I just bumped the starter to try to turn the engine a little, and to my surprise, it started and ran fine.

If I understand correctly, your engine is running now with the new key, but not if the camshaft position sensor is connected. What you might try is reconnecting the cam sensor while the engine is running, then see what happens.

One valuable lesson I learned many years ago while working for a really smart fellow at a tv repair shop was to never just pack up my tools and breathe a sigh of relief when a big diagnostic / repair project is finished. THAT'S the time to think it over and see where mistakes were made and what would have provided valuable clues. That's why I'm spending so much time talking about what APPEARS to have been going on with your car. After driving my '88 Grand Caravan since it was new, I'm still learning things about it that I never learned at the dealership or Chrysler schools. Those clues and hints can be valuable if the problem ever occurs again.
Was this
answer
helpful?
Yes
No
+2
Tuesday, December 20th, 2016 AT 5:37 PM

Please login or register to post a reply.