Intake manifold gasket replacement?

Tiny
SUBURBNDESTRESS
  • MEMBER
  • 2001 CHEVROLET SUBURBAN
  • 190 MILES
The SUV does hold steady when applying gas at 1.5-2.0 RPMs but will loose power when letting off gas and stall after a strong turnover. It has a vacuum leak I need to replace the Intake manifold gasket Please help me.
Thursday, February 16th, 2012 AT 11:19 AM

14 Replies

Tiny
KASEKENNY
  • MECHANIC
  • 18,907 POSTS
I am attaching the info for replacing the manifold gasket. Also, here is a guide that will help confirm a vacuum leak which you can use to test the gasket:

https://www.2carpros.com/articles/how-to-use-an-engine-vacuum-gauge

Let us know what questions you have. Thanks
Was this
answer
helpful?
Yes
No
Tuesday, December 1st, 2020 AT 12:22 PM
Tiny
ASEMASTER6371
  • MECHANIC
  • 52,796 POSTS
Good afternoon,

Yes, it could be the vacuum leak from the intake. I posted the procedure and pictures below for you.

https://www.2carpros.com/articles/replace-intake-manifold-gasket

Roy

Intake Manifold Replacement

Removal Procedure

Important: The intake manifold, throttle body, fuel rail, and injectors may be removed as an assembly. If not servicing the individual components, remove the manifold as a complete assembly.

imageOpen In New TabZoom/Print

1. Remove the engine sight shield and retainer.
2. Relieve the fuel system pressure.
3. Disconnect the cruise control cable from the throttle blade stud.
4. Remove the cruise control cable from the bracket.

imageOpen In New TabZoom/Print

5. Remove the accelerator control cable from the throttle blade.
6. Remove the accelerator control cable from the bracket.

imageOpen In New TabZoom/Print

7. Disconnect the following electrical connectors:
Main ignition coil harness (2).
Fuel injectors (3)
8. Disconnect the wiring harness clips (1) from the fuel rail.

imageOpen In New TabZoom/Print

9. Disconnect the following electrical connectors:
Main ignition coil harness (1)
Fuel injectors (3)
Exhaust gas recirculation (EGR) valve (4)
10. Disconnect the harness clips (2) from the fuel rail.

imageOpen In New TabZoom/Print

11. Disconnect the following electrical connectors:
Manifold absolute pressure (MAP) sensor (1)
Knock sensor (2)
12. Remove the knock sensor harness electrical connector from the intake manifold.
13. Set the electrical harness aside.

imageOpen In New TabZoom/Print

14. Disconnect the following electrical connectors:
Throttle Position (TP) sensor, if equipped
Electronic Throttle Control (ETC) motor, if equipped
Idle Air Control (IAC) valve

imageOpen In New TabZoom/Print

15. Disconnect the following electrical connectors:
Purge solenoid (1)
Generator (3)
16. Remove the wiring harness bracket nut.
17. Remove the harness bracket from the stud.
18. Reposition the engine wiring harness.

imageOpen In New TabZoom/Print

19. Reposition the coolant air bleed hose at the throttle body.
20. Remove the coolant air bleed hose from the throttle body.

imageOpen In New TabZoom/Print

21. Reposition the radiator vent inlet hose clamp at the throttle body.
22. Remove the radiator vent inlet hose from the throttle body.

imageOpen In New TabZoom/Print

23. Remove the Positive Crankcase Ventilation (PVC) hose from the throttle body and rocker arm cover.

imageOpen In New TabZoom/Print

24. Remove the PCV hose (with valve) from the intake manifold and rocker arm cover.

imageOpen In New TabZoom/Print

25. Remove the following EGR pipe bolts:
Intake manifold (1)
Cylinder head (2)
Exhaust manifold (3)

imageOpen In New TabZoom/Print

26. Remove the EGR pipe (with valve).
27. Remove the EGR pipe gasket from the exhaust manifold.
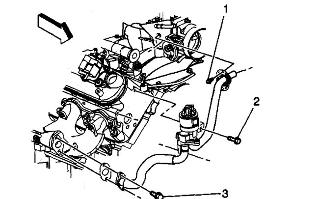
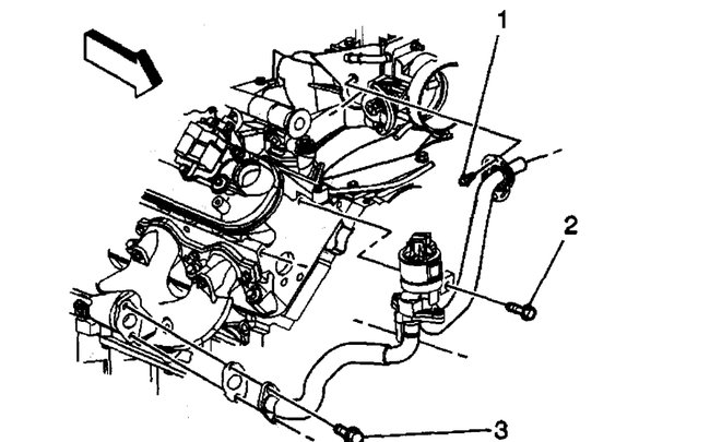
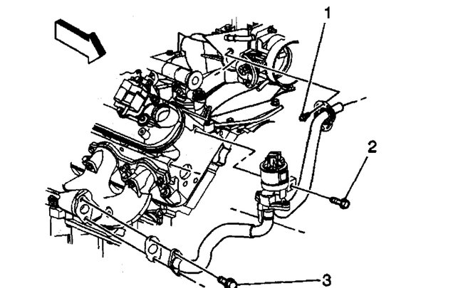
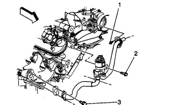
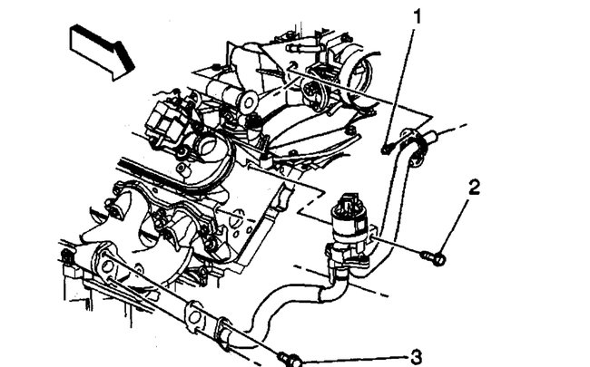
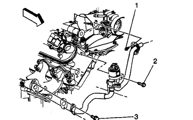
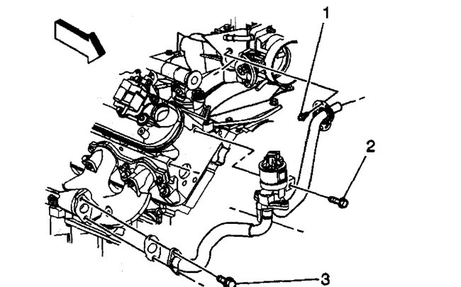
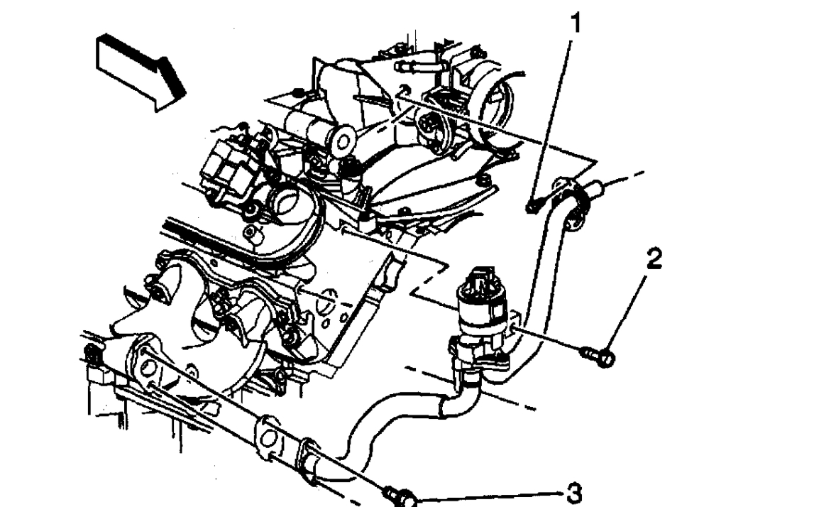
28. If equipped, remove the vacuum brake booster hose from the rear of the intake manifold.

imageOpen In New TabZoom/Print

29. Remove the Evaporative Emission (EVAP) purge solenoid vent tube by performing the following:
29.1. Remove the EVAP tube end (2) from the solenoid (1).
29.2. Squeeze the EVAP pipe quick connect fitting (3) retainer together.
29.3. Remove the EVAP tube end (3) from the vapor pipe.
30. Disconnect the fuel line quick connect fittings.

imageOpen In New TabZoom/Print

31. Remove the intake manifold bolts.
32. Remove the intake manifold.

Was this
answer
helpful?
Yes
No
Tuesday, December 1st, 2020 AT 12:22 PM
Tiny
JBARRESE
  • MEMBER
  • 2 POSTS
  • 1999 CHEVROLET SUBURBAN
  • V8
  • 4WD
  • AUTOMATIC
  • 100,000 MILES
Hi I was wondering whether I need to replace the head gaskets on my truck. I noticed the temp gauge going up and kept adding coolant. I discovered all the coolant I added ended up in the oil. I assumed I had a blown head gasket and started to tear down the engine. When I removed the intake manifold the gasket was clearly bad and a ton of oil/water sludge was present. Now I'm wondering if this was the whole problem because I didn't notice any smoke from the tailpipe when it was running, no misfire or any sludge on any of the spark plugs when I took them out. I cranked the engine and didn't see anything come from the cylinders. I don't want to replace the head gaskets if I don't need to. How can I be sure?
Was this
answer
helpful?
Yes
No
Wednesday, December 2nd, 2020 AT 8:58 AM (Merged)
Tiny
MMPRINCE4000
  • MECHANIC
  • 8,548 POSTS
The only way to be sure is to perform a compression test on the cylinders. If compression is OK, then intake gasket.

Get that oil out if contaminated with coolant.
Was this
answer
helpful?
Yes
No
Wednesday, December 2nd, 2020 AT 8:58 AM (Merged)
Tiny
JBARRESE
  • MEMBER
  • 2 POSTS
Thanks that makes sense, I should have done that before I took the distributor out. So I guess I have to put it partially back together with the distributor lined up with my mark - or redo it the hard way by getting no.1 up on compression. Uugh.
Was this
answer
helpful?
Yes
No
Wednesday, December 2nd, 2020 AT 8:58 AM (Merged)
Tiny
MMPRINCE4000
  • MECHANIC
  • 8,548 POSTS
Compression test is always the first test. A cooling system pressure test would work, but if head gasket is bad, coolant could get into cylinders and hydro-lock the engine.
Was this
answer
helpful?
Yes
No
Wednesday, December 2nd, 2020 AT 8:58 AM (Merged)
Tiny
2CP-ARCHIVES
  • MEMBER
  • 4,540 POSTS
  • 1999 CHEVROLET SUBURBAN
  • 19,200 MILES
Changed bottom intake gasket now. It won't start. Seems like its not getting enough gas. What could be wrong
Was this
answer
helpful?
Yes
No
Wednesday, December 2nd, 2020 AT 8:58 AM (Merged)
Tiny
JACOBANDNICKOLAS
  • MECHANIC
  • 110,194 POSTS
Check to make sure the fuel pressure is within spec. Also, check to make sure the regulator is working properly. If that is all good, check to make sure the injectors are getting power.
Was this
answer
helpful?
Yes
No
Wednesday, December 2nd, 2020 AT 8:58 AM (Merged)
Tiny
DRCRANKNWRENCH
  • MECHANIC
  • 3,380 POSTS
Did you use a torque wrench that is in calibration and use the corect tighteningpattern and torque for it. It may have a bad vacuum leak. You can check for a leak with a piece of sewing thread by dragging along mated surfaces until it gets sucked in towards leak.
Was this
answer
helpful?
Yes
No
+1
Wednesday, December 2nd, 2020 AT 8:58 AM (Merged)
Tiny
HEATERMN
  • MEMBER
  • 1 POST
  • 1999 CHEVROLET SUBURBAN
  • V8
  • 4WD
  • AUTOMATIC
  • 98,000 MILES
My intake manifold gasket is leaking again. This will be the 5th gasket I've put on this vehicle. I'm getting some feedback that the dex-cool orange anti-freeze is causing this problem. Any thoughts?
Was this
answer
helpful?
Yes
No
Wednesday, December 2nd, 2020 AT 8:59 AM (Merged)
Tiny
MARK115
  • MEMBER
  • 2 POSTS
1999 suburban 132,000
Good luck I am on my third intake gasket, however there is a major lawsuit against GM on this very issue. Hundreds if not thousand of vehicles affected. Look up Dex Cool lawsuit on internet and get in line. Make sure if you decide to fix it you use a fel-pro gasket kit. It addresses this very issue. I have a 99 suburban and buick I will no longer be buying GM they stand behind nothing. My gauge cluster is also going out on my suburban 2 fuel pumps later and water pump the list grows today I found out my shift cable is bad.
Was this
answer
helpful?
Yes
No
Wednesday, December 2nd, 2020 AT 8:59 AM (Merged)
Tiny
SAINTDEER
  • MEMBER
  • 3 POSTS
Wow! This piece has had every problem listed by everyone on the internet! I will never ever buy GM again. Nothing. 3rd water pump in 1.5 years, 2nd gasket going in now, guage cluster works when it wants to, brake lights go out like blinking christmas lights! Interior light and door chimes work with keys out of vehicle, fuel pump 3 not icluding one that was put in and worked for a day before I picked uop the trash heap, and heater hose connection nobody will touch except dealer and I will burn it before I give them another red cent. I need 3 more months out of this thing to get rid of it and get ANYTHING else!
Was this
answer
helpful?
Yes
No
Wednesday, December 2nd, 2020 AT 8:59 AM (Merged)
Tiny
BLUEGOOSE33
  • MEMBER
  • 1 POST
  • 1995 CHEVROLET SUBURBAN
  • V8
  • 4WD
  • AUTOMATIC
  • 130,000 MILES
I have never replaced an intake manifold gasket but plan to do so. Just wondering if there are any special tasks/potential problems that I should know about? Thanks, Bruce
Was this
answer
helpful?
Yes
No
Wednesday, December 2nd, 2020 AT 8:59 AM (Merged)
Tiny
BLACKOP555
  • MECHANIC
  • 10,386 POSTS
Make sure you mark EVERYTHING you remove. And don't remove things that aren't necessary to remove.

Be careful with the new gasket and make sure the mating surfaces are clean and for gods sake dont over torque the bolts.
Was this
answer
helpful?
Yes
No
Wednesday, December 2nd, 2020 AT 8:59 AM (Merged)

Please login or register to post a reply.