Thursday, May 26th, 2011 AT 10:32 PM
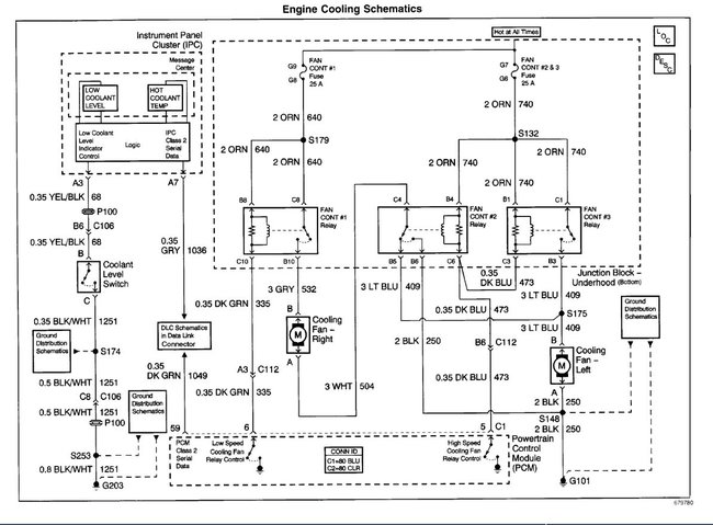
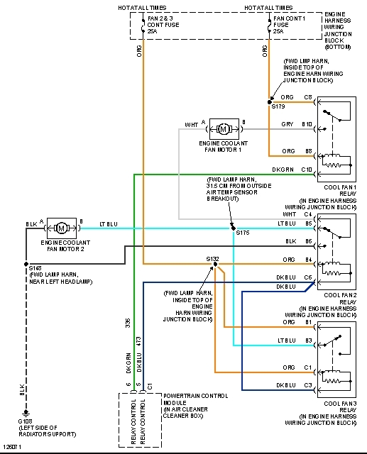
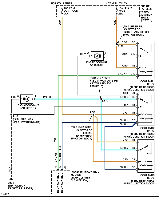
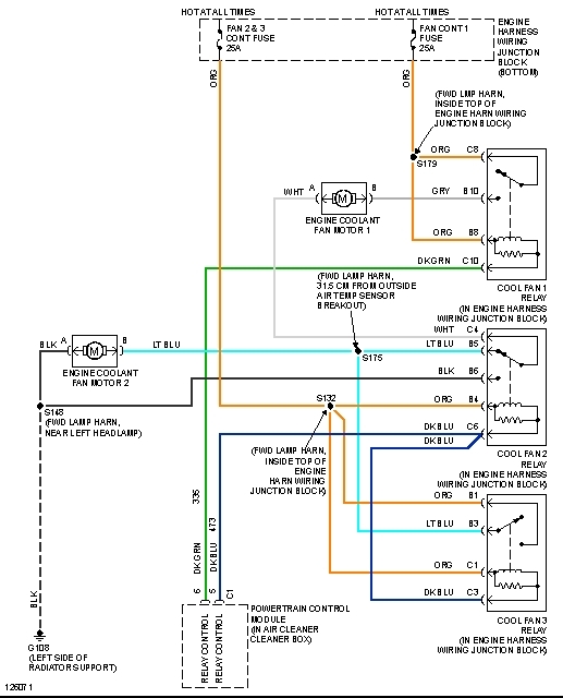
The fans do not work unless the AC is on. Seen so many similar posts with no definite answer. Is it the engine coolant temperature sensor, the thermostat, the head gasket, the relays? I am pretty sure it is not my temperature sensor or the relays. The thermostat was supposedly replaced shortly before I bought the car and I would think this is an electric problem. Current status of the car is it over heats when the AC is not on to about a quarter above half line then goes down and back up. I have not been in city traffic yet this summer so I have a feeling if I sit in traffic it would definitely increase without the fans. As is right now I am just going to keep the AC on but would really love to fix this. Thanks for any responses in advance.

