Rough Idle

Tiny
EJOHNICS
  • MEMBER
  • 2001 CHEVROLET MALIBU
  • 6 CYL
  • 2WD
  • AUTOMATIC
  • 183,948 MILES
My car idles rough when at a stop. I put in neutral and it idles better. I replaced the spark plugs and wires. I've also cleaned the throttle air intake. Any suggestions? My car is a 2001 malibu 3.1

Thank you in advance.

PS: Other wise it runs great!
Wednesday, February 2nd, 2011 AT 9:17 PM

2 Replies

Tiny
RASMATAZ
  • MECHANIC
  • 75,992 POSTS
Hello,

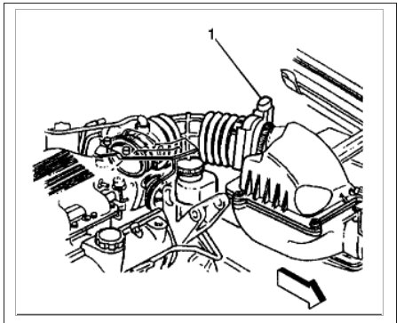
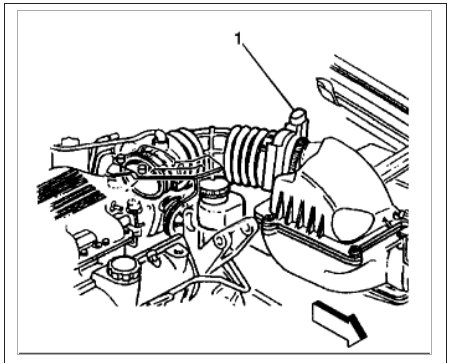
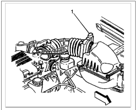
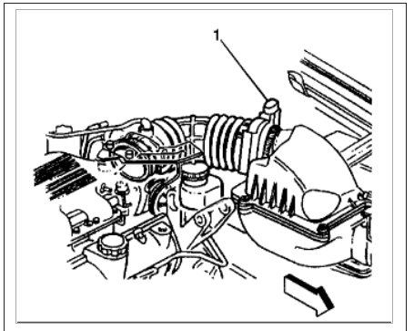
This sounds like you have a MAF sensor that is not working right and needs to be replaced. Here is a guide to help you see what you are in for when doing the job.

https://www.2carpros.com/articles/how-to-replace-a-mass-air-flow-sensor-maf

Here is the location for your car

Check out the diagrams (Below). Please let us know what happens.

Cheers
Was this
answer
helpful?
Yes
No
+3
Saturday, March 12th, 2011 AT 1:37 AM
Tiny
MAHENDRA DAHYA
  • MEMBER
  • 1 POST
Yep that fixed it costs me $78.00 on Amazon thanks for the tip. I love this site.
Was this
answer
helpful?
Yes
No
Monday, May 14th, 2018 AT 11:58 AM

Please login or register to post a reply.