2001 Corvette. How do I get to the oil pressure sender? Under the windshield wiper grill? Thanks

Tiny
JOE REBHOLTZ
  • MEMBER
  • 2001 CHEVROLET CORVETTE
  • 79,000 MILES
Body can't be blank? What "body"?
Wednesday, February 29th, 2012 AT 8:24 PM

4 Replies

Tiny
RASMATAZ
  • MECHANIC
  • 75,992 POSTS
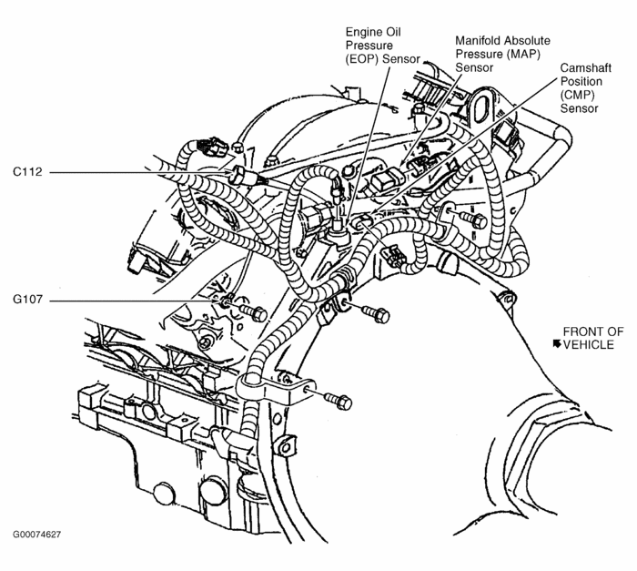
Check the engine oil pressure sensor-See below
Was this
answer
helpful?
Yes
No
Wednesday, February 29th, 2012 AT 8:40 PM
Tiny
JOE REBHOLTZ
  • MEMBER
  • 2 POSTS
If the picture was the reply, tats, but I have that in my service manual. What need is directions on HOW to get a it. Is it accessed via removing the wiper grill? Or, from beneath? Thanks
Was this
answer
helpful?
Yes
No
Thursday, March 1st, 2012 AT 3:55 PM
Tiny
RASMATAZ
  • MECHANIC
  • 75,992 POSTS
I don't have the R/R procedures in Mit1-sorry
Was this
answer
helpful?
Yes
No
Thursday, March 1st, 2012 AT 7:49 PM
Tiny
CHEVYFORLIFE
  • MECHANIC
  • 33 POSTS
You will have to remove to intake to get the oil pressure sender out of the block.
Was this
answer
helpful?
Yes
No
+1
Tuesday, March 13th, 2012 AT 5:07 AM

Please login or register to post a reply.