Where to purchase front CV axles and front wheel bearing?

Tiny
CARMELLA23
  • MEMBER
  • 2001 VOLKSWAGEN CABRIO
  • AUTOMATIC
  • 116,000 MILES
I'm trying to find front CV axles and front wheel bearings. This is my first time buying car parts and I don't want to buy the wrong thing or get scammed. Any advice or places to find these parts?
Monday, February 1st, 2021 AT 12:55 PM

5 Replies

Tiny
CARADIODOC
  • MECHANIC
  • 34,463 POSTS
Try the Rock Auto web site. Make the selections through the drop-down menus, then you'll find the half shafts listed under the "Drivetrain" selection.

Next, back up, then select "Brake and Wheel Hub" to find the wheel bearings. This is the pressed-in design that isn't used much anymore. Normally a set of special tools is needed to replace this type of bearing. In most cases the old one has to be destroyed to remove it, so it can't be reused later or on the other side.

If you need the tool set, check at some local auto parts stores. Many of them rent or borrow tools. In my city, they make you buy the tool, then you get a full refund when you take it back. If you choose to keep a tool, you still return it, then they give or order you a brand new one.

Some aftermarket suppliers are offering these bearings as an assembly now that do not require the special tools. Those will come with a sheet of instructions including torque specs for the bolts.
Was this
answer
helpful?
Yes
No
+1
Monday, February 1st, 2021 AT 1:33 PM
Tiny
CARMELLA23
  • MEMBER
  • 3 POSTS
Thank you so much! I was able to get them ordered. Thank you again! Have a great day!
Was this
answer
helpful?
Yes
No
Monday, February 1st, 2021 AT 1:58 PM
Tiny
DANNY L
  • MECHANIC
  • 5,648 POSTS
Hell, I'm Danny.

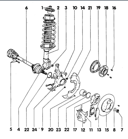
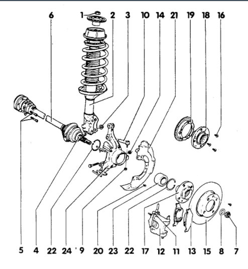
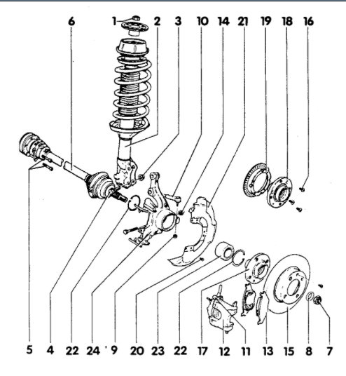
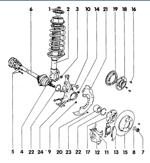
Here is what your local AutoZone parts stores has to offer. I've attached pictures below. Here is a tutorial showing how to replace cv axles and wheel hub assemblies:

https://www.2carpros.com/articles/replace-cv-axle

https://www.2carpros.com/articles/how-to-replace-front-wheel-bearings-and-seals

I've attached picture steps below for CV axle replacement and hub assembly below for your VW. Hope this helps and thanks for using 2CarPros.
Was this
answer
helpful?
Yes
No
+1
Monday, February 1st, 2021 AT 3:24 PM
Tiny
CARMELLA23
  • MEMBER
  • 3 POSTS
Hello! Thank you so much for sending me how to install them! I'm super excited to get the parts in and installed, this helps a lot! Thank you! Have a great day!
Was this
answer
helpful?
Yes
No
Thursday, February 4th, 2021 AT 8:28 AM
Tiny
DANNY L
  • MECHANIC
  • 5,648 POSTS
You're welcome!
Let us know if you have any other questions or need any other steps added when the parts arrive and you are ready to install them. Hope this helps and thanks again for using 2CarPros.

Danny-
Was this
answer
helpful?
Yes
No
Thursday, February 4th, 2021 AT 4:18 PM

Please login or register to post a reply.