Sunday, January 22nd, 2012 AT 11:07 PM
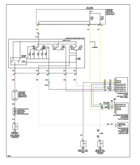
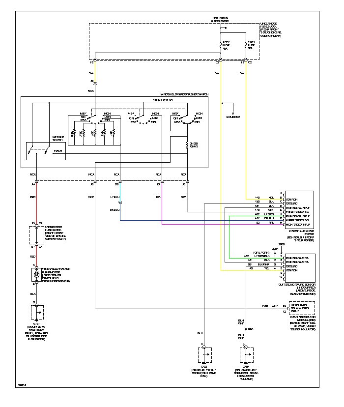
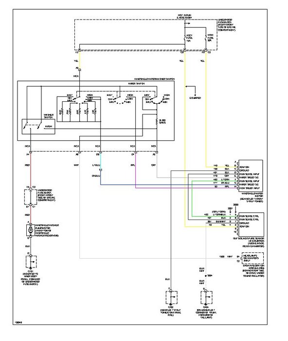
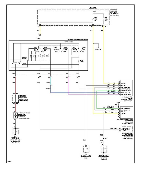
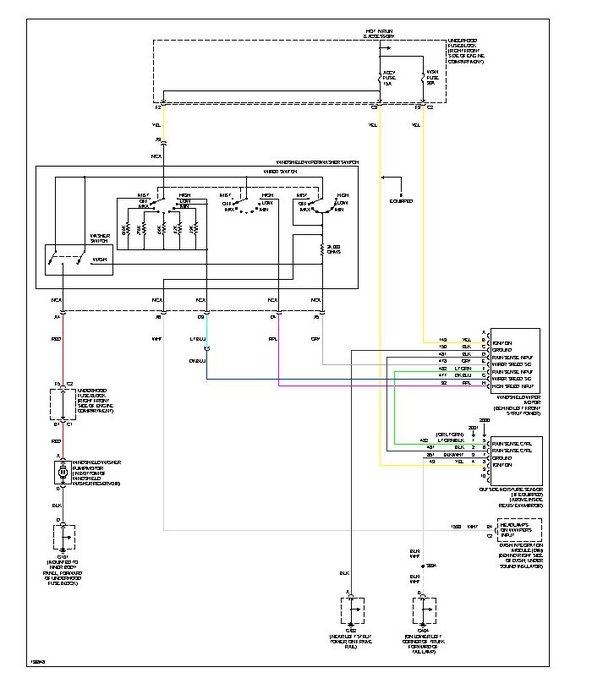
Winshield washer pump is not working, not making noise, is there a fuse I can check and if so what number is it, (under hood or inside car?) I have owners manual but diagram isn't a bit sketchy on names of fuses. Want to know if I can check a fuse first before worrying if I have to get a new washer pump. Can you help? Thanks a million






