Wednesday, October 11th, 2017 AT 7:53 AM
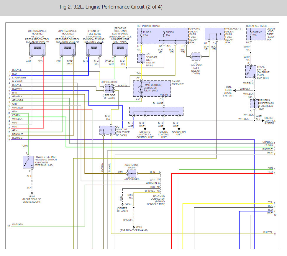
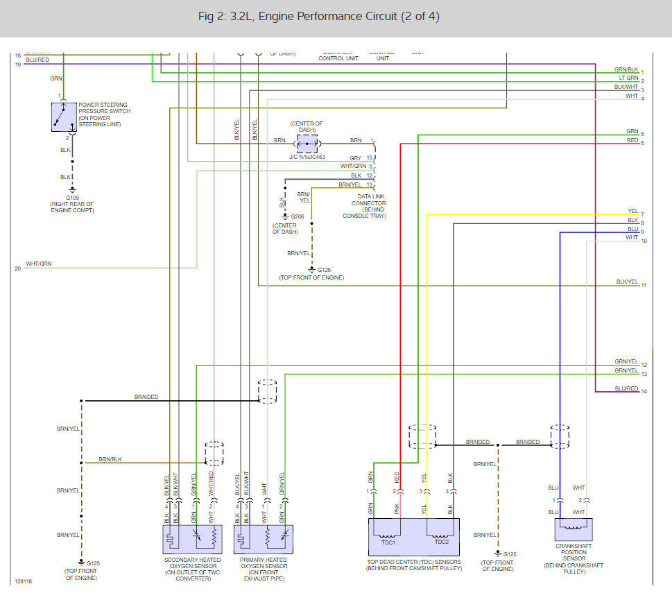
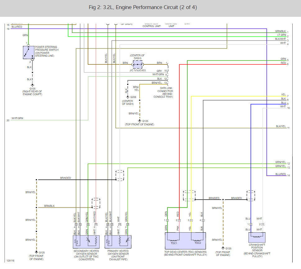
Hello all, I recently purchased this car and received a 2000 transmission with wiring harness and ECU for free. When I began connecting the wiring harness to the engine and automatic transmission, I noticed that just below the lower intake manifold was a sensor connection and next to that was another sensor connection coming from near the timing belt. Now I connected those, however, on my harness is an extra connection. I am unable to locate any other valve or solenoid on the engine. I am thinking it could be a knock sensor or an oxygen sensor. Can anyone help me determine the changes within the wiring harness connections, 1998-2002?










