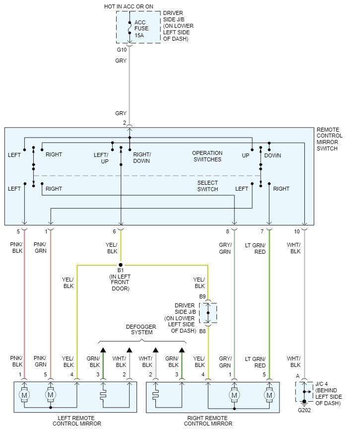
Side view mirror wiring diagram

Tiny
JESUS BERRIOS2
  • MEMBER
  • 2001 TOYOTA 4RUNNER
  • 3.4L
  • V6
  • 2WD
  • AUTOMATIC
  • 180,000 MILES
I have been searching for a wiring diagram for my side view mirrors. My plug got broken but I don't want to buy a new mirror because the mirror is in good shape! Any help on finding that diagram or telling me which cables are for which thing?

Third gen 4runner runs from 1996 to 2002 and they all use the same wiring for the mirrors! If that can help! Thanks!
Tuesday, January 8th, 2019 AT 7:01 AM

3 Replies

Tiny
STEVE W.
  • MECHANIC
  • 15,449 POSTS
Hello, Welcome to 2CarPros.

Attached you will find the wiring diagrams for both the non-power window (first image) and the power window versions of the mirrors. Not much difference, just some connections move around. The motors use three wires and polarity reversal to move them. Basically they get voltage on two of the wires to go up or left and then the positive and negative are reversed in the switch to make them go down or right. The third wire is used to determine which function you want the mirror to do. Either up and down or left and right. If the connector on the truck side is damaged a trip to a salvage yard or even buying a replacement shell for it from a dealer is possible. That would let them be plug in units and prevent damage if you tried to solder the wires directly to the socket on the mirror.
Was this
answer
helpful?
Yes
No
+1
Tuesday, January 8th, 2019 AT 7:58 AM
Tiny
JESUS BERRIOS2
  • MEMBER
  • 9 POSTS
Which wires colors move them to which side? I mean can you give me the color codes more simplified? If possible!

Thanks for all your help
Was this
answer
helpful?
Yes
No
Saturday, January 12th, 2019 AT 6:11 AM
Tiny
STEVE W.
  • MECHANIC
  • 15,449 POSTS
There are three wires which control the motors. The yellow and pink with black stripe move one. Then the yellow and pink with green move the other. To easily find out which motor does which motion is easy. Make a jumper with two wires, connect the ends to battery power. Now go to the mirror end wires, not the vehicle. Connect the positive wire to the yellow wire on the mirror. Now just touch the ground wire to the pink with black stripe wire. Watch the mirror to see which way it moves. It will move either up or down or left or right.
Lets say the first time you touch the pink with black wire the mirror moves up. That would mean that wire connects to the up/down motor and the other pink with green wire connects to the left/right motor.
To get the mirror to move both ways you reverse the power and ground feeds, so if in our test Yellow wire to positive battery power and touching the negative wire to the pink with black wire moves the mirror up If you disconnect the wires and now connect the negative wire to the yellow wire and the positive feed to the pink with black wire the mirror will now move down.

In your case it should be simpler as the wires from the mirror should just connect to the same wire colors on the truck side connection. As long as the yellow wire goes to the yellow wire if you were to mix up the other two pink wires, you would know it easily as the mirror would move the wrong way, so your up/down would become left/right. That would mean you just flip those around to correct the problem.
Was this
answer
helpful?
Yes
No
+2
Saturday, January 12th, 2019 AT 7:34 AM

Please login or register to post a reply.