Dash gauges not working

Tiny
GRANDSLAMX
  • MEMBER
  • 2000 PONTIAC SUNFIRE
  • 4 CYL
  • FWD
  • AUTOMATIC
  • 53 MILES
I have a 2000 sunfire, my problem is all the dash gauges on the dash stop working, how do I figure out what the problem is?
Monday, August 22nd, 2011 AT 10:19 PM

4 Replies

Tiny
MHPAUTOS
  • MECHANIC
  • 31,937 POSTS
It sounds like it could be the fuse or the cluster has gone out but to be sure lets run a test on the fuse and cluster.

https://www.2carpros.com/articles/how-to-check-a-car-fuse

and

https://www.2carpros.com/articles/how-to-use-a-test-light-circuit-tester

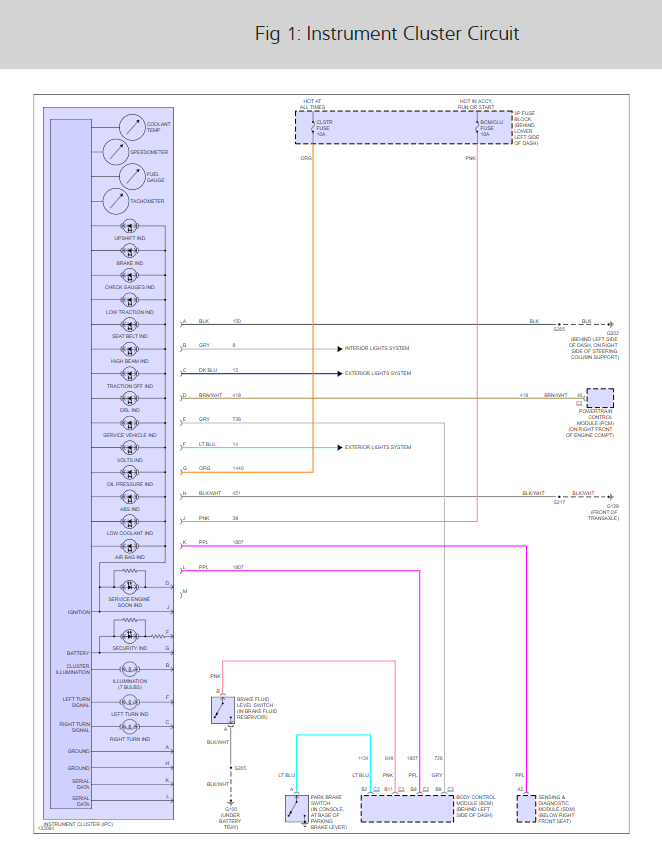
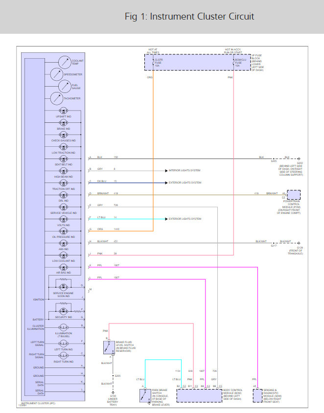
Here is the cluster wiring diagram so you check for power and ground to confirm the cluster failure if the fuse is okay.

Check out the diagrams (Below)

Please let us know what you find.

Cheers
Was this
answer
helpful?
Yes
No
Monday, August 22nd, 2011 AT 10:27 PM
Tiny
CANAM77
  • MEMBER
  • 2 POSTS
I had this problem it ended up being the cluster I got a used one and plugged it in all good now.
Was this
answer
helpful?
Yes
No
Sunday, April 29th, 2018 AT 2:20 PM
Tiny
GRANDPASREPAIR
  • MEMBER
  • 1 POST
I came across the same issue with my son's car. The cluster would go in and out going down the road along with the radio and the wipers would not work as well.
I removed the drivers seat and located a single ground wire connected just below the rocker panel. Removed it and put in into fresh clean steel and cleared up all the dash issues.
Very strange to as a 40 year ASE master tech that they would have a single ground in such a crazy place. But it fixed this gem.
Was this
answer
helpful?
Yes
No
Monday, July 12th, 2021 AT 6:44 AM
Tiny
KEN L
  • MASTER CERTIFIED MECHANIC
  • 55,420 POSTS
Excellent addition to this thread! Please feel free to use 2CarPros anytime!
Was this
answer
helpful?
Yes
No
Monday, July 12th, 2021 AT 9:59 AM

Please login or register to post a reply.