Grand Am will not start, Ignition module wire grounded

Tiny
FREEGB1
  • MEMBER
  • 2000 PONTIAC GRAND AM
  • 6 CYL
  • FWD
  • AUTOMATIC
  • 205,000 MILES
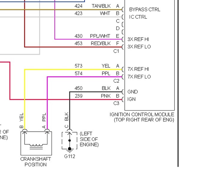
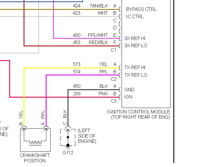
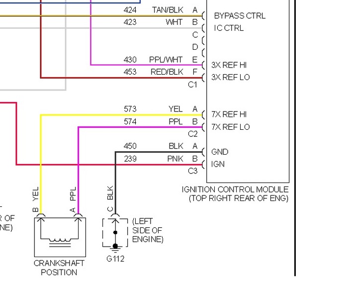
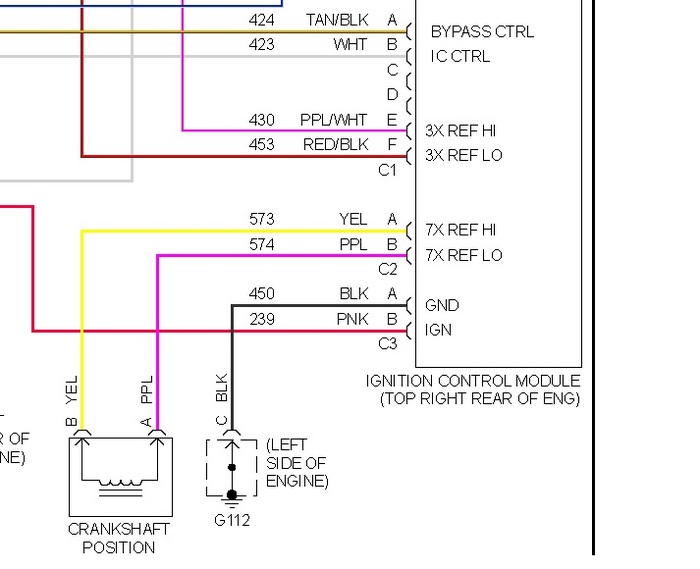
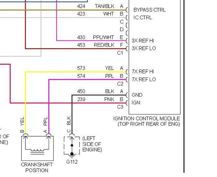
My 2000 Grand AM will not start, and my troubleshooting has taken me to the two wire connector on the left side(looking from front) of the ignition module. I dont have spark to plugs, and when checking the pink wire on that connector against ground, I have continuity, as does the black wire.
Tracing this short seems like its going to be difficult, and I was wondering if there were common areas to this vehicle, that may be trouble spots and what I can do to get car running again, thanks
Sunday, April 10th, 2011 AT 11:54 PM

3 Replies

Tiny
JDL
  • MECHANIC
  • 16,098 POSTS
The pink wire is voltage, goes hot with the key on. Use voltage tester, is it hot. Black wire is ground. I don't know what testing you have done?
Was this
answer
helpful?
Yes
No
+1
Thursday, July 30th, 2020 AT 2:16 PM
Tiny
FREEGB1
  • MEMBER
  • 9 POSTS
I have 3 ohms of resistance between wire 239(pink) and ground. When checking for voltage on that wire I get about 2 volts, when I was expecting battery voltage. My question was basically how to deal with the problem. Should I crack open the harness, and find the short, or just run a new wire? Is there a full schematic available to see what else is attached to that pink wire?
Was this
answer
helpful?
Yes
No
Thursday, July 30th, 2020 AT 2:16 PM
Tiny
JDL
  • MECHANIC
  • 16,098 POSTS
Do you think you may have run the battery down with testing?

That voltage comes from the ignition module fuse. Check voltage there. If voltage is still low, and battery has a full charge, have to track the feed to the fuse. May have to check feed to and from ignition switch?

If you have tracked the problem to the wiring circuit from the fuse to ignition module, then yes, replace the wire.
Was this
answer
helpful?
Yes
No
Thursday, July 30th, 2020 AT 2:16 PM

Please login or register to post a reply.