Wednesday, October 9th, 2013 AT 4:30 PM
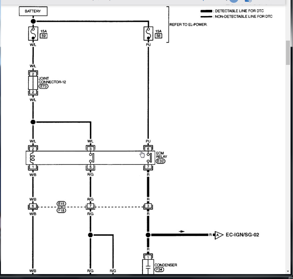
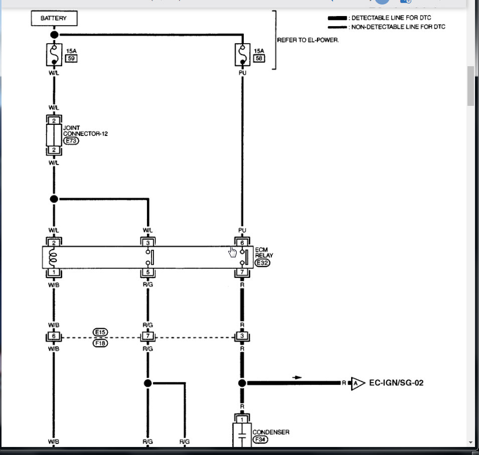
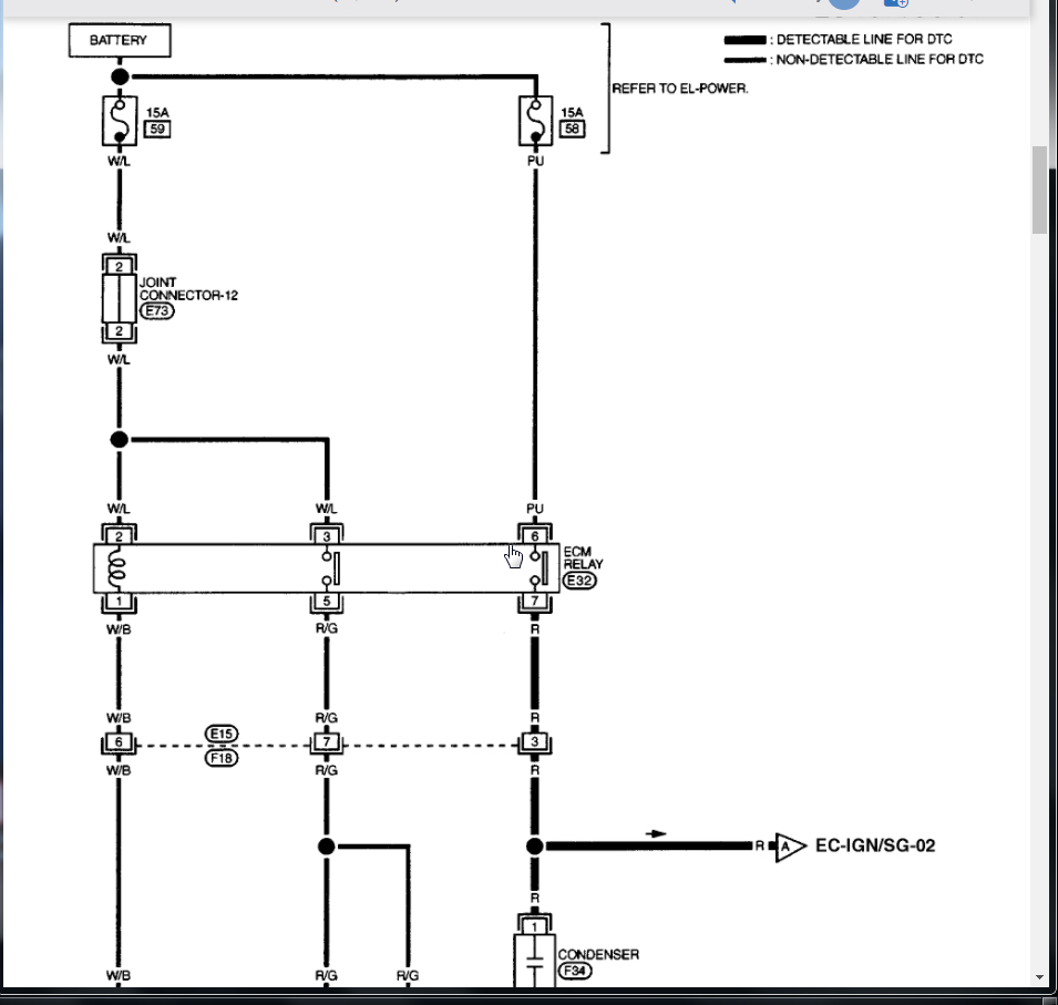
My TCS, Slip, and engine light come on and I have a P1320 error code. The TCS and Slip lights only come on after the car has warmed up. The engine runs smooth. I have replaced the #2 ignition coil and got rid of errors P302, P308 and P309 but not the P1320 error.















