HOME
ASK A QUESTION
REPAIR GUIDES
BECOME A MEMBER
LOG IN
Login with Facebook
OR
Remember me
NOT A MEMBER?
FORGOT PASSWORD?
CONTACT US
PRIVACY POLICY
TERMS AND CONDITIONS
☰
Home
Mitsubishi
Eclipse
Climate Control
Blower Fan
Not Working
Blower not working
TEVERON
MEMBER
2000 MITSUBISHI ECLIPSE
4 CYL
AUTOMATIC
The blower for the A/C and heater does not work in my 2000 Eclipse. What could it be?
Wednesday, December 8th, 2010 AT 9:10 PM
2 Replies
RASMATAZ
MECHANIC
75,992 POSTS
You will need to do some testing.
Check the guides below on wiring/relay testing.
https://www.2carpros.com/articles/how-to-check-wiring
https://www.2carpros.com/articles/how-to-use-a-test-light-circuit-tester
https://www.2carpros.com/articles/how-to-check-an-electrical-relay-and-wiring-control-circuit
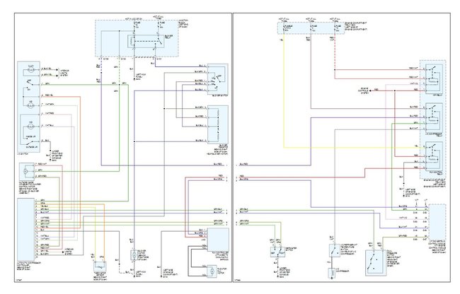
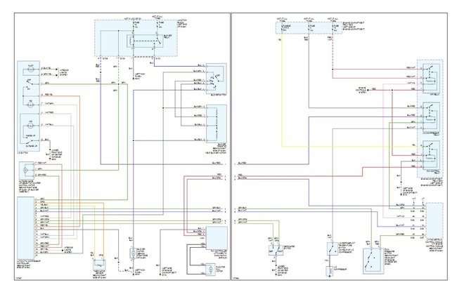
The wiring diagram is attached below.
Image (Click to make bigger)
Was this
answer
helpful?
Yes
No
+1
Wednesday, December 8th, 2010 AT 9:15 PM
MIKE KURTH
MEMBER
1 POST
My Eclipse did the same thing. I had to replace the fan switch, $45.00 and it blows like new.
Was this
answer
helpful?
Yes
No
Monday, September 24th, 2018 AT 6:33 PM
Please
login
or
register
to post a reply.
Related Blower Fan Not Working Content
2005 Mitsubishi Eclipse Blower Motor Inop
It Was -17 Degrees This Morning When I Started My Vehicle. The Blower For The Heat Was Not Working Until I Put It On High. I Tried To...
Asked by
Bombman2130
·
1 ANSWER
2005
MITSUBISHI ECLIPSE
Why Does The Blower Motor Does Not Change Speed? I...
Why Does The Blower Motor Does Not Change Speed? I Noticed That My Car Was Heating Up Unexpectedly. I Checked Coolant Level And I Replaced...
Asked by
chavacamarena
·
3 ANSWERS
6 IMAGES
2003
MITSUBISHI ECLIPSE
The Power Mirrors And Door Locks Horn And Heater...
I Checked All The Fuses As Well As The Relays All Are Good
Asked by
rohomal
·
1 ANSWER
2001
MITSUBISHI ECLIPSE
Heat On The Passenger Side But Cool
When The Car Is In Park You Get Heat On The Passenger Side Of The Car But Only Cool On The Driver Side. When Moving The Driver Side Get...
Asked by
armyguy1202
·
3 ANSWERS
2002
MITSUBISHI ECLIPSE
2003 Mitsubishi Eclipse A/c Blower
When I Turn My A/c To One Just My Compressor Comes On. When I Turn It To 2 And 3 I Get Nothing But When I Turn It To Four Mur Blower And My...
Asked by
2010mommy
·
3 ANSWERS
2003
MITSUBISHI ECLIPSE
VIEW MORE
Ask a Car Question. It's Free!
How to Use a Test Light
How to Replace the A/C Blower Motor
How to Vacuum Down and Recharge Your A/C