Wiper relay location

Tiny
DNJHURD
  • MEMBER
  • 2000 FORD EXPLORER
  • V8
  • AWD
  • AUTOMATIC
  • 153,000 MILES
Where is the wiper relay switch located?
Sunday, April 10th, 2011 AT 3:46 PM

3 Replies

Tiny
CJ MEDEVAC
  • MECHANIC
  • 11,005 POSTS
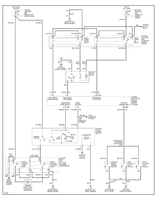
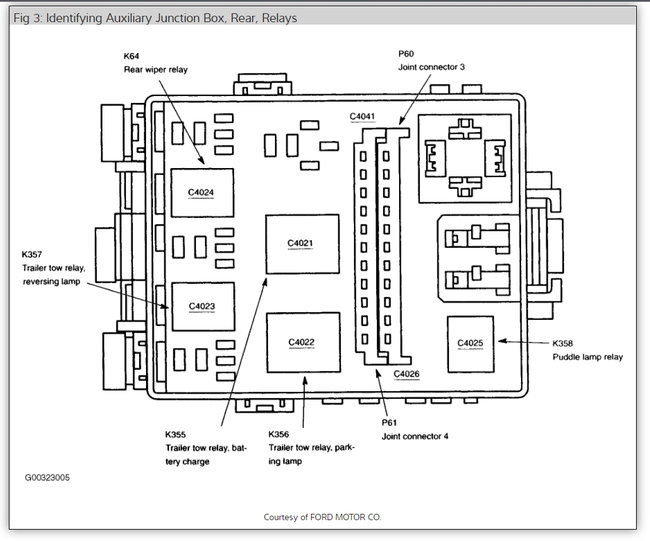
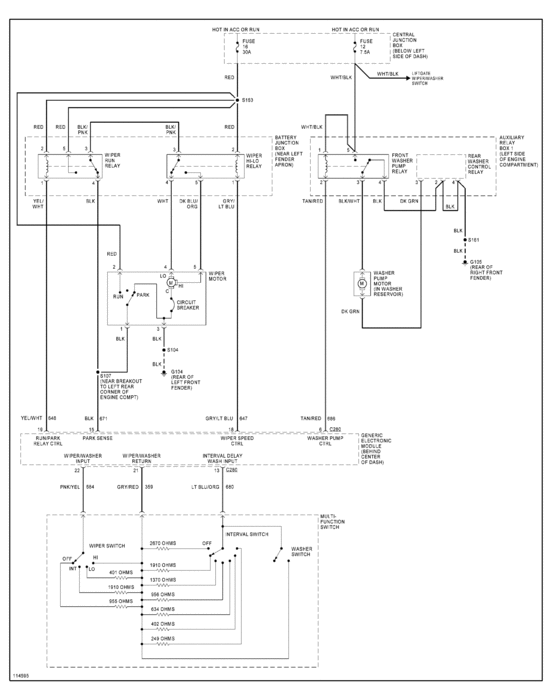
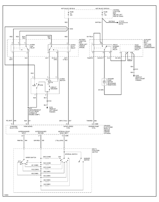
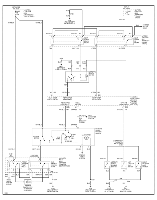
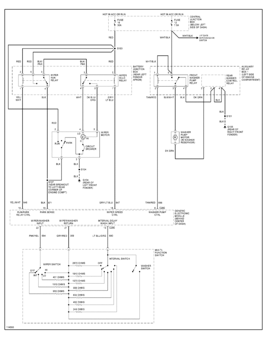
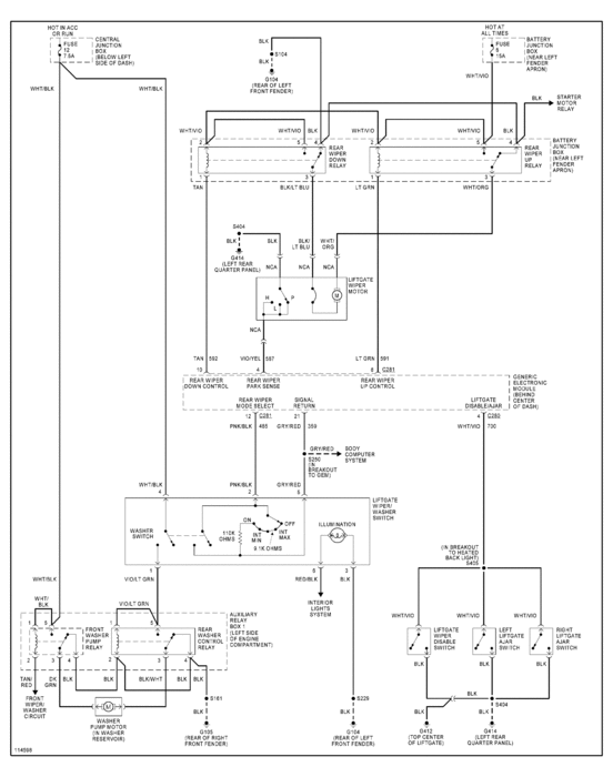
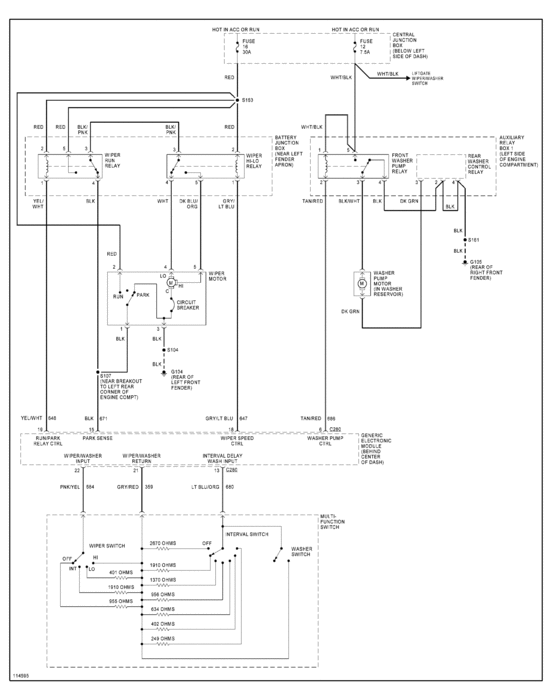
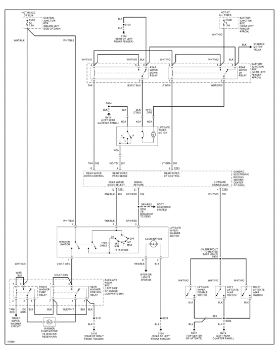
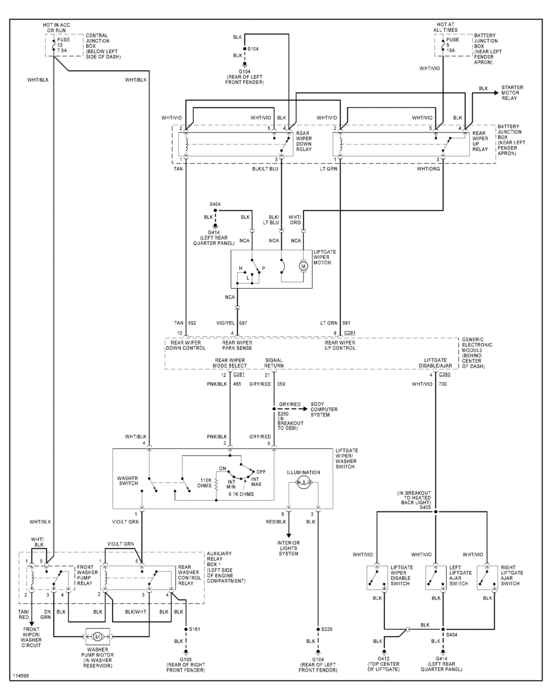
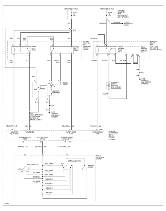
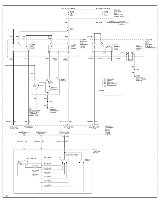
Is the relay behind the glove box. I attached the front and rear wiper wiring diagrams for your vehicle and the fuse and relay locations for the front and rear wipers.

This guide will show you how to test the relays.

https://www.2carpros.com/articles/how-to-check-an-electrical-relay-and-wiring-control-circuit

Check out the diagrams (below).
Was this
answer
helpful?
Yes
No
Sunday, April 10th, 2011 AT 5:15 PM
Tiny
JDL
  • MECHANIC
  • 16,098 POSTS
The location of wiper relays is below. In the low speed mode, the windshield wiper motor is set to a low speed setting. The windshield wiper ho/lo relay is deactivated, while the windshield wiper run relay is activated.
Was this
answer
helpful?
Yes
No
Sunday, April 10th, 2011 AT 5:18 PM
Tiny
MELINDA0922
  • MEMBER
  • 0 POST
Thank you. This site rocks!
Was this
answer
helpful?
Yes
No
Monday, April 23rd, 2018 AT 3:07 PM

Please login or register to post a reply.