My power windows don't work?

Tiny
YOOPERGIRL
  • MEMBER
  • 2000 DODGE INTREPID
  • 6 CYL
  • FWD
  • AUTOMATIC
  • 245,000 MILES
I have a Dodge Intrepid and my power windows don't work. If I have the heater fan on my turn signals don't work. There is power going to the switch and the fuses are all good. Help!
Friday, July 1st, 2011 AT 12:02 AM

1 Reply

Tiny
KASEKENNY
  • MECHANIC
  • 18,907 POSTS
We need to narrow down on where we have power and where we do not.

So, let's review this video on how to check power on a window switch and make sure this is what you have.

https://youtu.be/HBFBcJrdym4

https://www.2carpros.com/articles/door-panel-removal

If it is then we more likely have a master window switch issue.

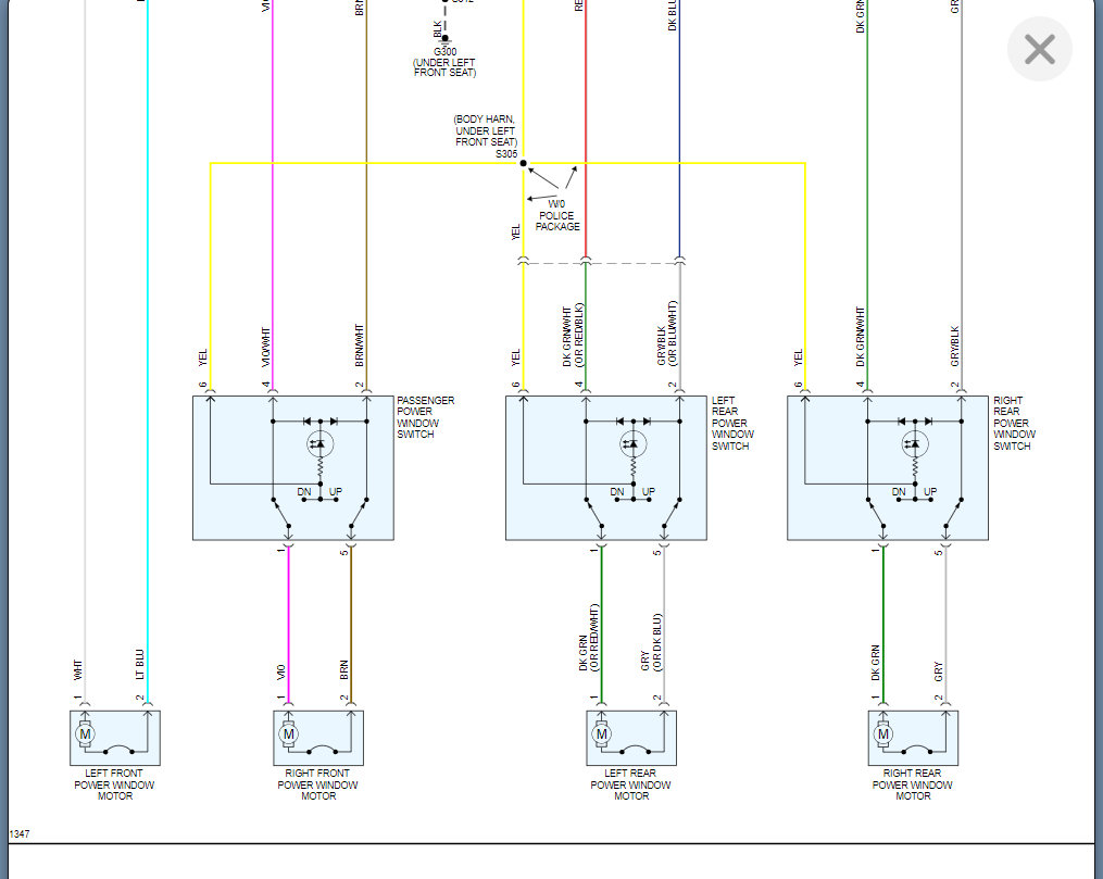
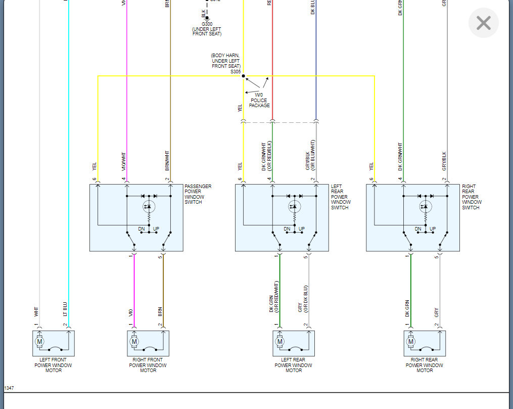
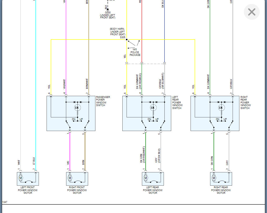
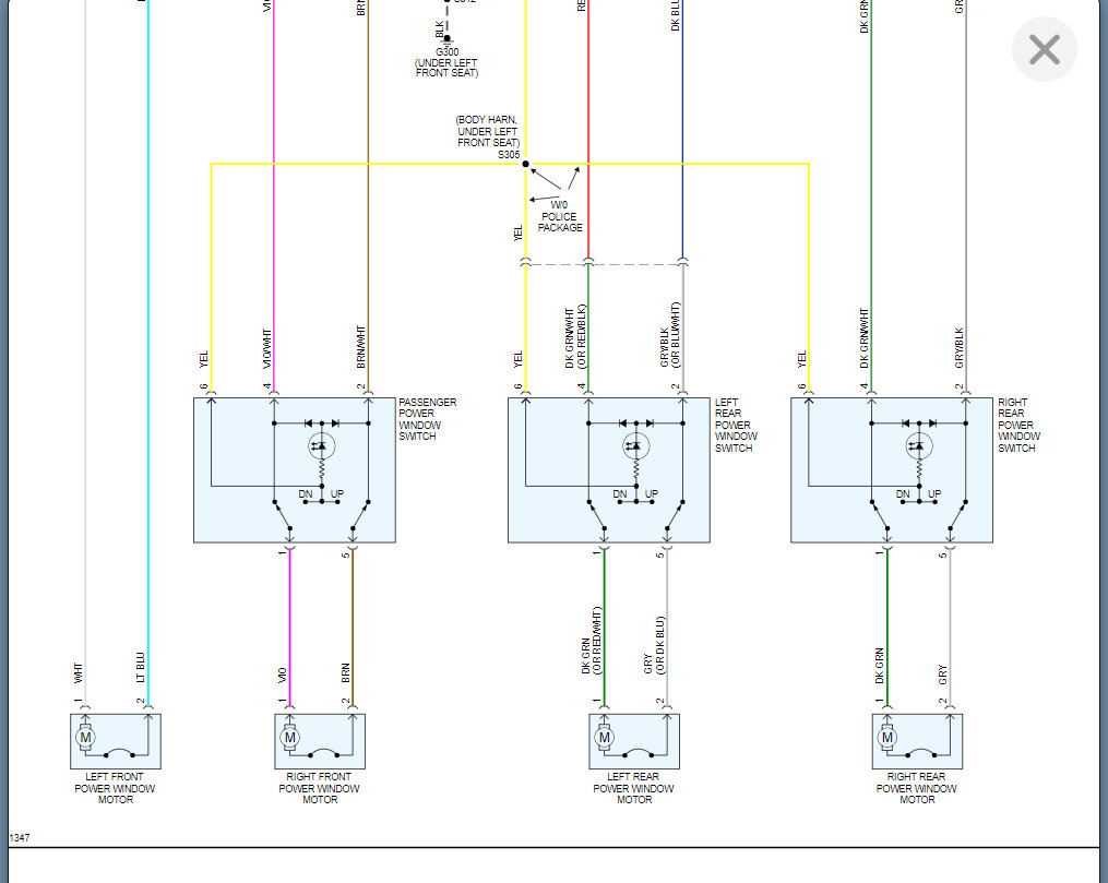
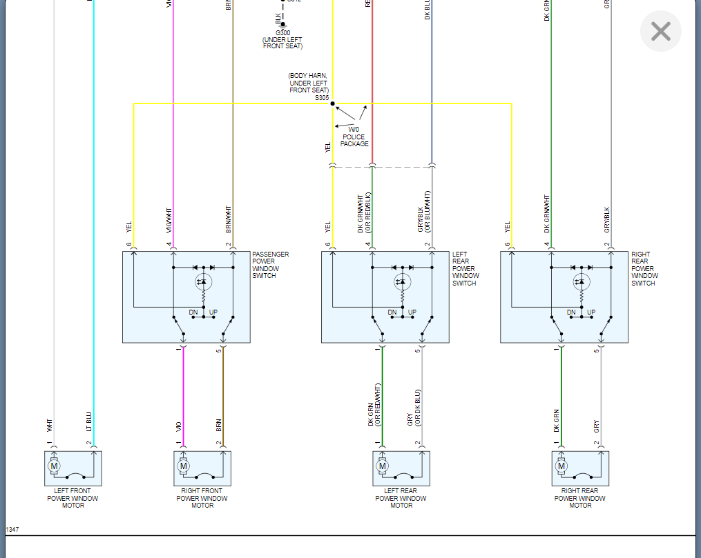
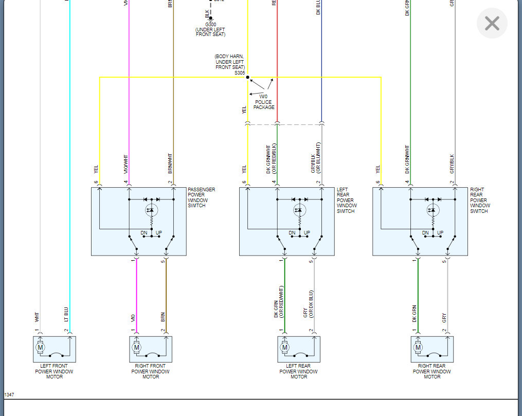
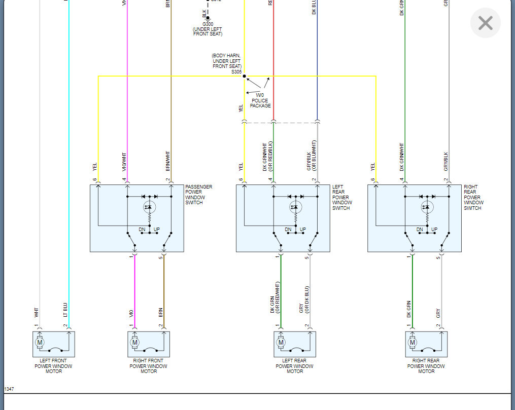
If you take a look at the wiring diagram below you will see that the other windows run through this switch, so we need to start with checking power on this one.

https://www.2carpros.com/articles/how-to-check-wiring

If you have power coming out of it then it is most likely okay, but I suspect you will find that when you press the button up or down on the other switches that you will not have power leaving the master switch. If that is the case, then you need to replace the master switch.

Please let us know what questions you have on this.
Was this
answer
helpful?
Yes
No
Wednesday, September 29th, 2021 AT 6:40 PM

Please login or register to post a reply.