How do I change the sway bar on 2000 Chevy.

Tiny
ANONYMOUS
  • MEMBER
  • 2000 CHEVROLET MALIBU
  • 80,000 MILES
How do I change the sway bar on 2000 chevy malibu?
Sunday, December 16th, 2012 AT 4:17 PM

1 Reply

Tiny
KEN L
  • MASTER CERTIFIED MECHANIC
  • 55,420 POSTS
Hey,

For this job you will need to loosen and drop the cradle.

Remove end links. Remove sway bar bushings to frame. Lower the cradle to get enough room to remove.

Raise and support the vehicle, allowing the front suspension to hang free. Refer to Vehicle Lifting.
Remove the front tire and wheel assemblies. Refer to Tire and Wheel Removal and Installation.
Remove the stabilizer shaft links. Refer to Stabilizer Shaft Link Replacement.
Remove the tie rods (3) from the steering knuckles (6). Refer to Tie Rod End Replacement -Outer.

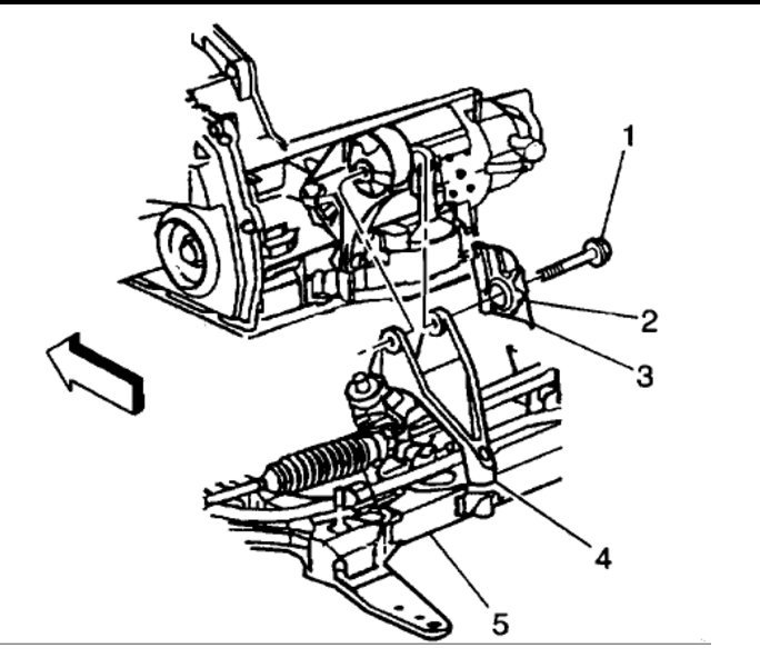
Remove the bolt from the rear transmission mount (4).
Remove the power steering line bracket from the front suspension cross member.

Remove the bolts (1) from the clamps (2) attaching the stabilizer shaft (3) to the front suspension cross member (4).

Support the rear of the front suspension cross member (4) with an adjustable jack stand.
Remove the rear bolts (3) from the front suspension cross member (4).
Loosen the front bolts (5) on the front suspension cross member (4).
Lower the front suspension cross member (4) three inches by adjusting the jack stands down.

Remove the stabilizer shaft from the vehicle.

Please let us know happens so it will help others.

Best, Ken
Was this
answer
helpful?
Yes
No
+2
Wednesday, January 4th, 2017 AT 11:26 AM

Please login or register to post a reply.