Wednesday, June 26th, 2013 AT 6:34 PM
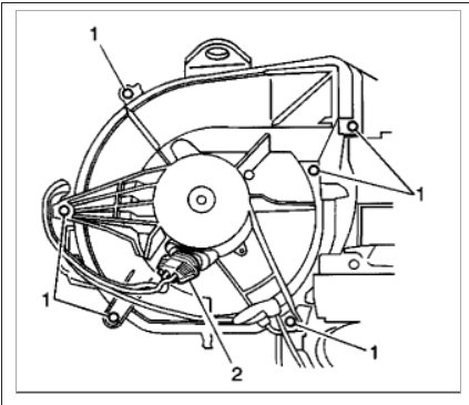
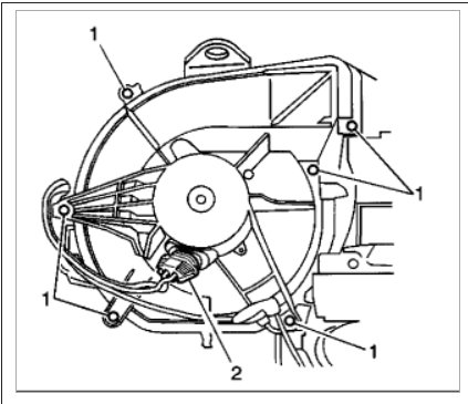
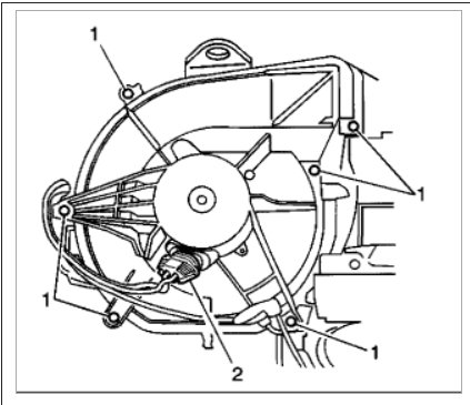
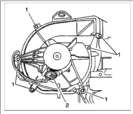
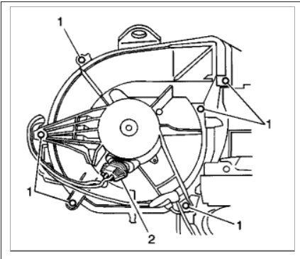
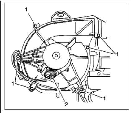
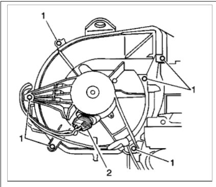
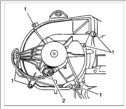
I have a problem with my blower motor it doesn't run. I checked to see if I was getting my voltages coming off of wires going into blower, I had 12 volts on red the black wire is the ground but the middle wire which is the control wire has no voltage on it and research that I did said it should be between 3 and 9 volts which leads me to believe that the blower control module is bad. I could not find the module I checked behind glove box and all over the passenger dash area and still didn't locate the module. So I guess my question is where is the blower control module located on my 2000 cadillac eldorado esc












