Wednesday, March 24th, 2021 AT 10:37 PM
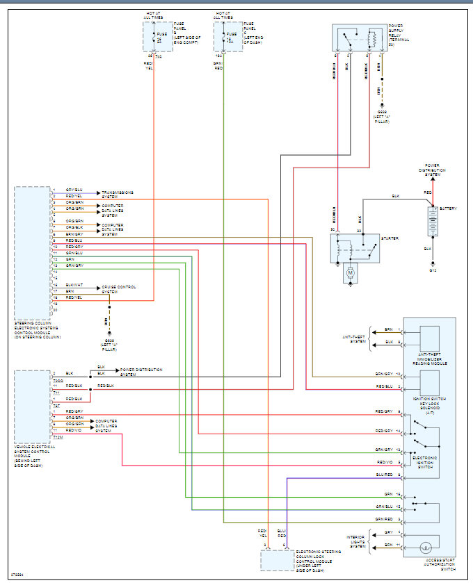
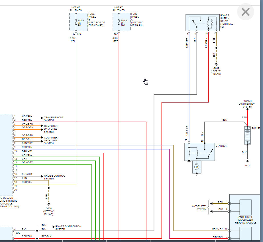
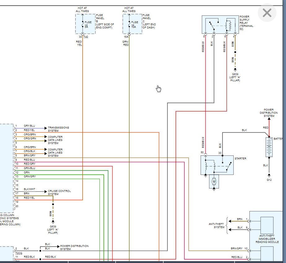
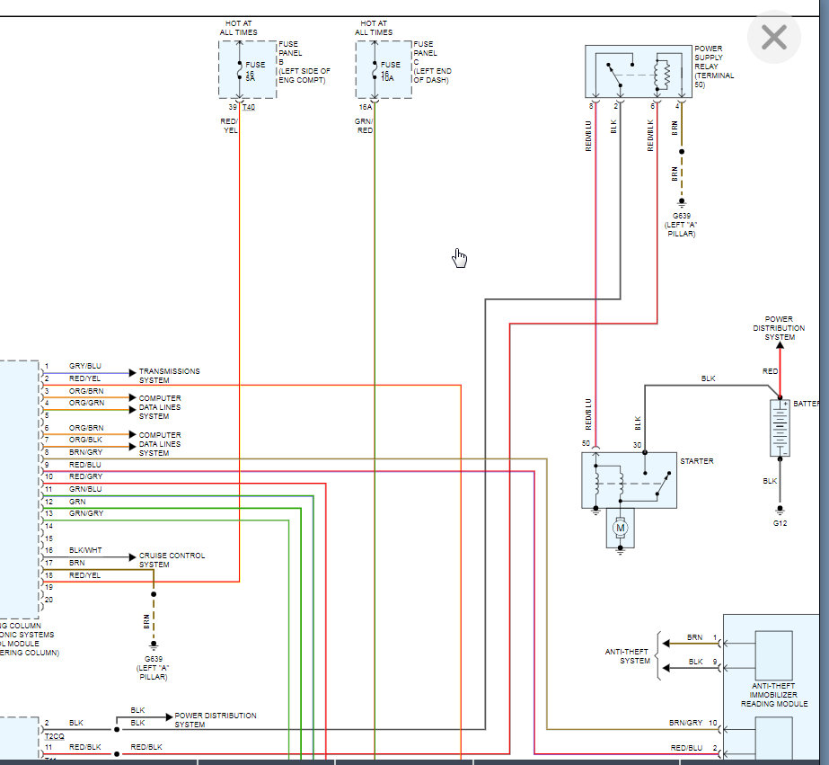
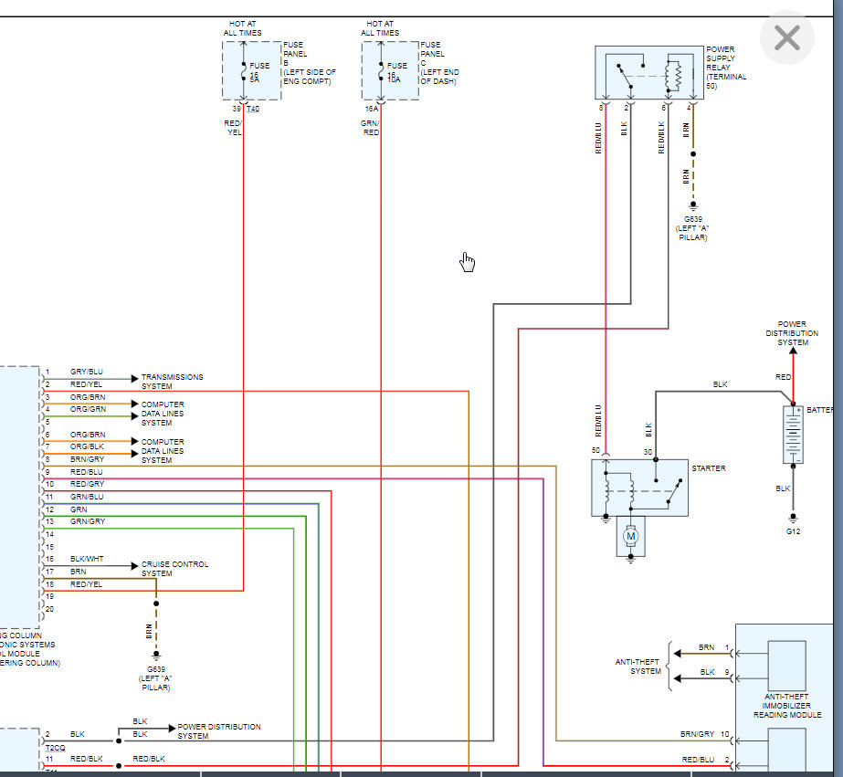
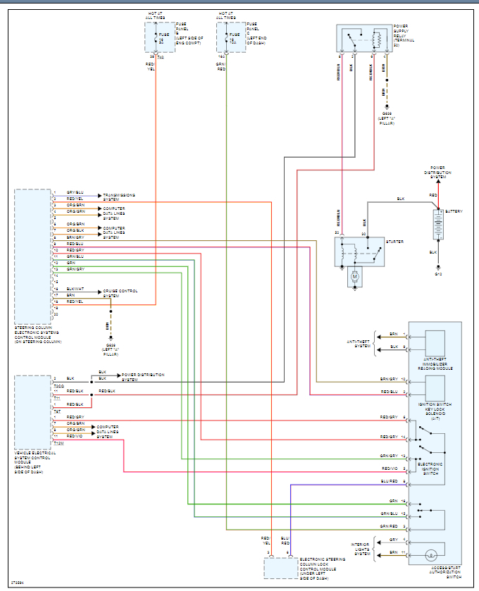
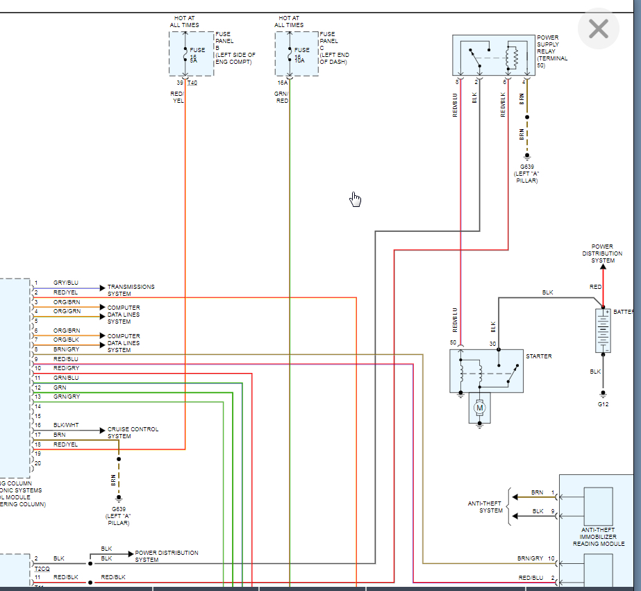
I had a local mechanic come look at my running vehicle listed above 2.0t wagon (for my misfire in cylinder 2 problem) another issue, but anyway he hooked up his scanner, then started messing with the wires in the coil harness. Well, he didn't see that the battery charger was hooked up and charging the battery and he put two wires together and it made a spark and then he shrugged it out and went back to turn the car on and read his scanner. Well. The car didn't start after that. What did he short out? My ECU? A fuse? I've been car less for 2 months now, can't figure out the problem. My key is also stuck in the ignition, the only lights that come on when the key is inserted in the on position is the door open and closed lights and my miles on my dash, my radio doesn't have power there is no sound, except when you first push the key in you can hear a motor (i am thinking is my fuel pump) going on for about 5 seconds but that's it. Oh, and my alarm flasher lights blink off and on, but no sound. Help!





