20 amp power outlet stopped working?

Tiny
DANNY DOTY
  • MEMBER
  • 2000 DODGE DAKOTA
  • 6 CYL
  • 2WD
  • AUTOMATIC
  • 220,000 MILES
No power at the left cigarette lighter plugin. Need for power inverter because heater blower motor is out. Been using a plugin defroster from Walmart.
Sunday, January 6th, 2019 AT 11:17 AM

8 Replies

Tiny
ASEMASTER6371
  • MECHANIC
  • 52,796 POSTS
Good afternoon,

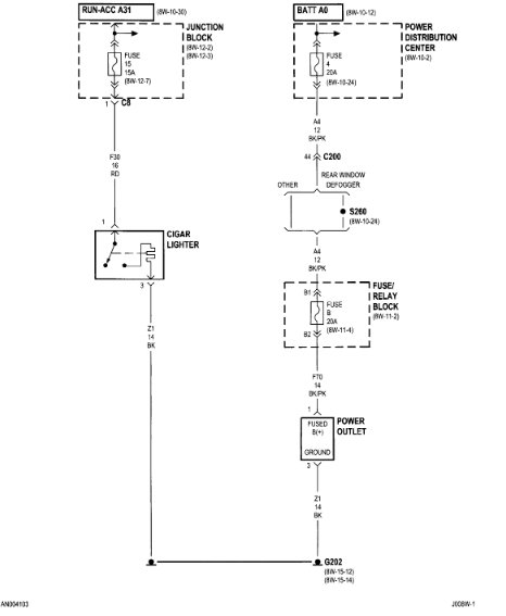
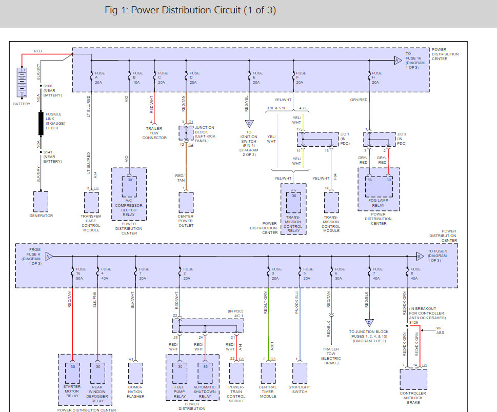
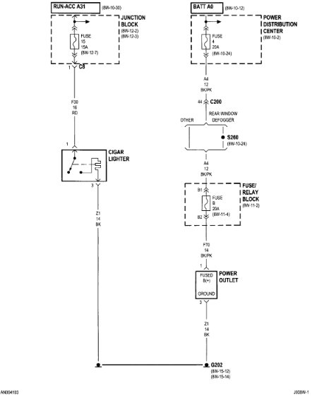
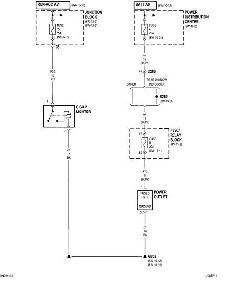
I attached a wire diagram for both power outlets. Check the fuses listed for power on both sides.

How much current is used with the plug in heater?

Roy
Was this
answer
helpful?
Yes
No
+1
Sunday, January 6th, 2019 AT 11:24 AM
Tiny
ATHLETFREAK
  • MEMBER
  • 2 POSTS
  • 2000 DODGE DAKOTA
Electrical problem 6 cylinder Four Wheel Drive Automatic 100,000 miles

I recently bought a cheapo car charger for my cell phone and plugged it into my 12 volt outlet and my cigarette light and it blew fuse for the 12 volt and the cigarette lighter. I replaced the fuse and only the cigarette lighter came back on. I am not sure if there is a separate fuse for the 12 volt. I bought a 12 V socket and that did not fix the problem. I am not sure if I have a short in the wires. If anyone knows what is wrong that would be great.

And I threw away the car charger and bought a OEM one. No more problems with the cigarette lighter.

I checked the fuse panel already and found the cigarette lighter fuse to be blown and I replaced that and I checked the rest of the fuses that is on the side of the dash, but could not find the power outlet fuse?

Thank you.
Was this
answer
helpful?
Yes
No
-1
Saturday, September 26th, 2020 AT 1:40 PM (Merged)
Tiny
KEN L
  • MASTER CERTIFIED MECHANIC
  • 55,112 POSTS
Hey Athletfreak,

It sounds like you have the fuse D 20 amp that has gone out. Here is a guide and a full description of both fuse panels and there locations.

https://www.2carpros.com/articles/how-to-check-a-car-fuse

User info (the fuse was found on the back of the fuse panel for the aux power port.)

Check out the diagrams (Below). Please let us know what happens.
Was this
answer
helpful?
Yes
No
Saturday, September 26th, 2020 AT 1:40 PM (Merged)
Tiny
TIM WELLS
  • MEMBER
  • 1 POST
  • 2000 DODGE DAKOTA
  • V8
  • 2WD
  • 214,003 MILES
I have a 2000 dodge dakota truck the power outlet does no work I check all fuses all fuses are fine. What else can I look for at this problem
Was this
answer
helpful?
Yes
No
Saturday, September 26th, 2020 AT 1:40 PM (Merged)
Tiny
CARADIODOC
  • MECHANIC
  • 34,454 POSTS
Did you check the fuses under the hood? Check fuse # 4, a 20 amp. If it's good, check for voltage on it at all times. If it's missing at the fuse, there's a bad connection inside the fuse box.
Was this
answer
helpful?
Yes
No
Saturday, September 26th, 2020 AT 1:40 PM (Merged)
Tiny
BRICKMAN
  • MEMBER
  • 2 POSTS
I have the same problem, are there fuses other than the ones under the hood? They are the only ones I can see.
Was this
answer
helpful?
Yes
No
-1
Saturday, September 26th, 2020 AT 1:40 PM (Merged)
Tiny
CARADIODOC
  • MECHANIC
  • 34,454 POSTS
Open the driver's door and look on the end of the dash.
Was this
answer
helpful?
Yes
No
Saturday, September 26th, 2020 AT 1:40 PM (Merged)
Tiny
BRICKMAN
  • MEMBER
  • 2 POSTS
Thanks cardiodoc!
Was this
answer
helpful?
Yes
No
-2
Saturday, September 26th, 2020 AT 1:41 PM (Merged)

Please login or register to post a reply.