Speedometer fluctuates after driving 35 MPH?

Tiny
RAILFANNER
  • MEMBER
  • 1998 CHRYSLER SEBRING
  • 2.5L
  • 6 CYL
  • 2WD
  • AUTOMATIC
  • 81,100 MILES
Speedo needle correctly shows driving speed until about 35mph, then jumps to 45mph. Then it can jump around, gets accurate again around 65-72, then if I go 73+, it will jump to 90, and then show about +20mph to the actual speed >73 (e.G. 75mph actual = 95 showing). Verified with GPS on phone while driving at diff speeds. Also, cruise control WILL work if I set it in a "good band" of.
1st Gen Sebring.
Thursday, January 19th, 2023 AT 11:37 AM

27 Replies

Tiny
JACOBANDNICKOLAS
  • MECHANIC
  • 110,194 POSTS
Hi,

The speedometer head can be failing, or it can be the vehicle speed sensor. Do you ever notice any shifting variations from the transmission? I ask because the speed sensor would likely cause issues.

Interestingly, if you look below note what number 7 indicates. The problem with the diagnosis indicated in the manual, your vehicle experiences a speedometer that jumps around, works properly, and then is off.

Based only on experience, I feel the speedometer itself needs to be replaced. The rationale is based on the idea that it works correctly at times. I feel if the speed sensor was failing, it wouldn't be accurate or cause the speedo to jump.

Let me know your thoughts.

Joe
Was this
answer
helpful?
Yes
No
+1
Thursday, January 19th, 2023 AT 5:52 PM
Tiny
RAILFANNER
  • MEMBER
  • 16 POSTS
Hey Joe, thanks for your reply! Trans always shifts smoothly, never had an issue or hiccup with a shift. I don' t have a manual, what does it say (below #7?) - That would be good info!

I've taken the gage cluster out for soldering work, to fix a tach functional loss and Odo off issue - fixed both for a time, but now tach is acting crazy also, doing the backward op thing and dropping to bottom on wrong side of pin. The key dance makes all gauges respond, but the tachometer still goes to wrong side when engine runs.

First thing I did 6 months ago was install new speed sensors. Yesterday I thoroughly cleaned speed sensor plug wires, and also cleaned all wire harness pin connectors to both ECM and TCM and reassembled. No changes, exact same symptoms. I have ordered a replacement gage cluster from eBay, it will be in next week. We'll see what that does.
Thanks, John
Was this
answer
helpful?
Yes
No
Friday, January 20th, 2023 AT 7:59 AM
Tiny
RAILFANNER
  • MEMBER
  • 16 POSTS
And while I'm waiting for that new gauge cluster, any info you can share on, "if you look below note what number 7 indicates. The problem with the diagnosis indicated in the manual, your vehicle experiences a speedometer that jumps around, works properly, and then is off" - would be very interesting to me. Again, thanks for responding!
Was this
answer
helpful?
Yes
No
Friday, January 20th, 2023 AT 8:29 AM
Tiny
JACOBANDNICKOLAS
  • MECHANIC
  • 110,194 POSTS
Hi,

It sounds like you had issues with the cluster before, so I have a feeling that is where the problem is coming from.

I am so sorry I forgot to add the testing procedures before. Number 7 is the last thing listed. It indicates the replacement of the cluster before the speed sensor.

Take a look below.

Joe

See pics below.
Was this
answer
helpful?
Yes
No
Friday, January 20th, 2023 AT 9:40 PM
Tiny
RAILFANNER
  • MEMBER
  • 16 POSTS
Hey Joe, thanks for the updates. Yes, I've had issues with the cluster before, so I'm hoping this replacement cluster will "fix" the speedometer. One post I saw some time ago said to check for a good ground wire to the cluster.

There are 2 wire harness plug-ins (blue and red) that go into the instrument cluster - would you know which wire on those 2 plugs may be ground? I was thinking to test that, although it is a very specific speed at which the speedo goes haywire, so maybe that rules that out.

Thanks!
Was this
answer
helpful?
Yes
No
Saturday, January 21st, 2023 AT 8:00 AM
Tiny
JACOBANDNICKOLAS
  • MECHANIC
  • 110,194 POSTS
Hi,

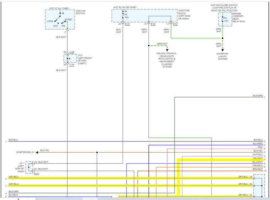
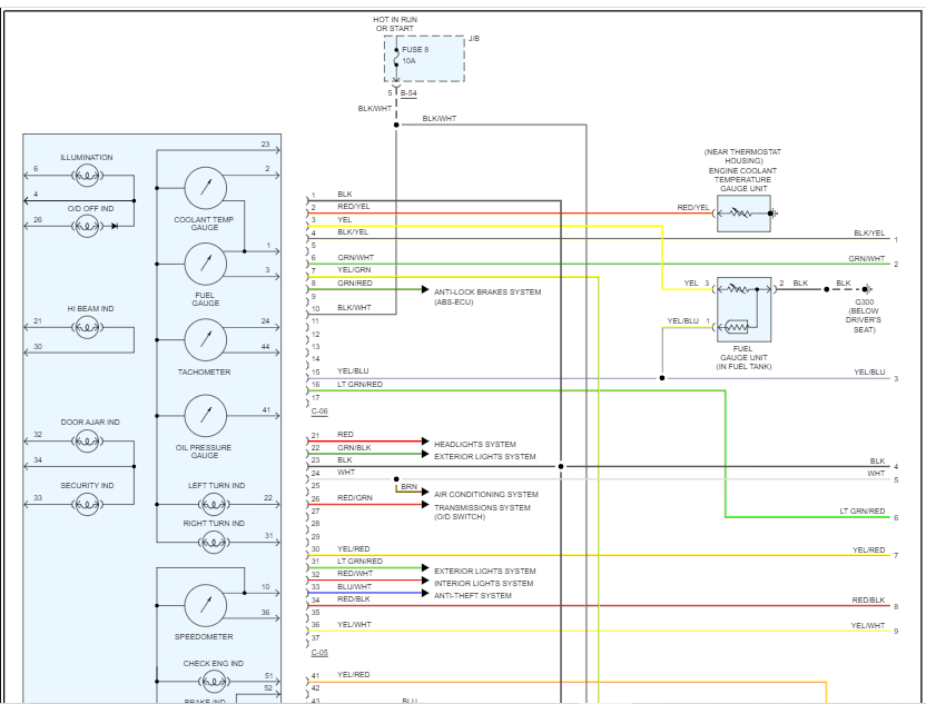
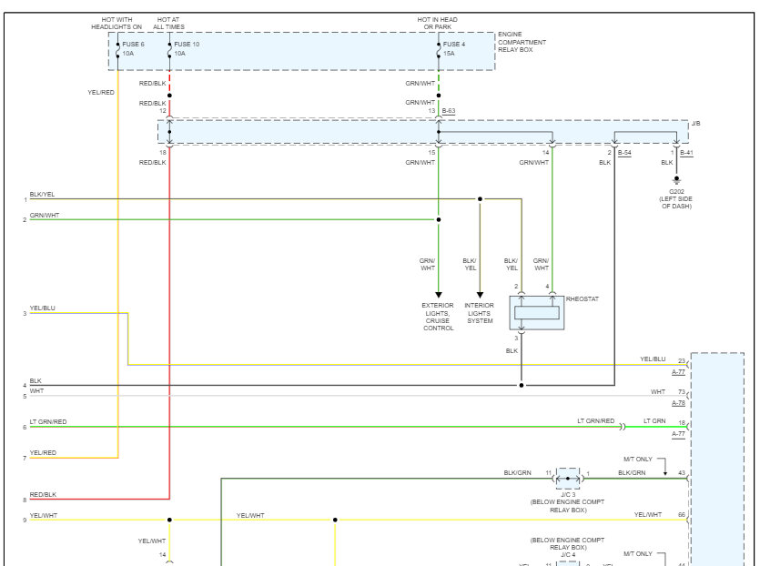
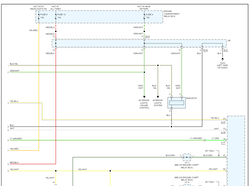
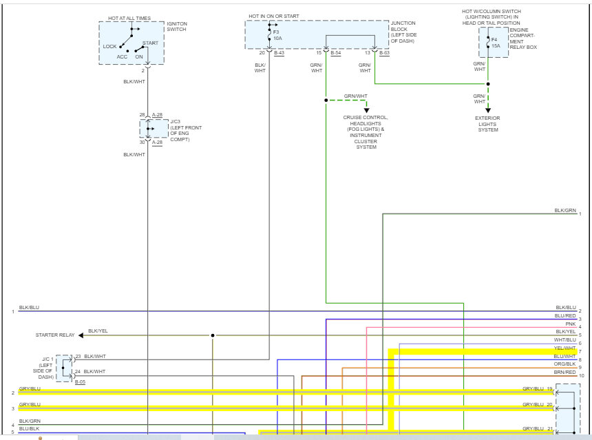
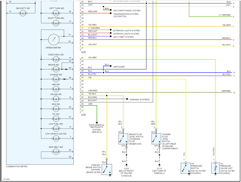
I just pulled up the wiring schematics for this and it shows 3 connectors. Each connector has a ground wire (black wire) which all ground at the same place, on the left side of the dash. The ground is G202 on the schematic. See pics 2 and 3.

Let me know if this helps.

Joe

See pics below.
Was this
answer
helpful?
Yes
No
+1
Saturday, January 21st, 2023 AT 11:21 PM
Tiny
RAILFANNER
  • MEMBER
  • 16 POSTS
Wow, that really does help, Thank you! I'll definitely check out the ground wire location behind the dash as things are a little rusty back there. My new/old speedo cluster arrives Wednesday, so I'll do it then.

Can you please post a lower section of that schematic? It is cut off at the bottom and I'd like to see more of the bottom area, as the speed sensor data is there, I posted below what I mean. Thanks Joe!
Was this
answer
helpful?
Yes
No
Monday, January 23rd, 2023 AT 7:11 AM
Tiny
JACOBANDNICKOLAS
  • MECHANIC
  • 110,194 POSTS
Hi,

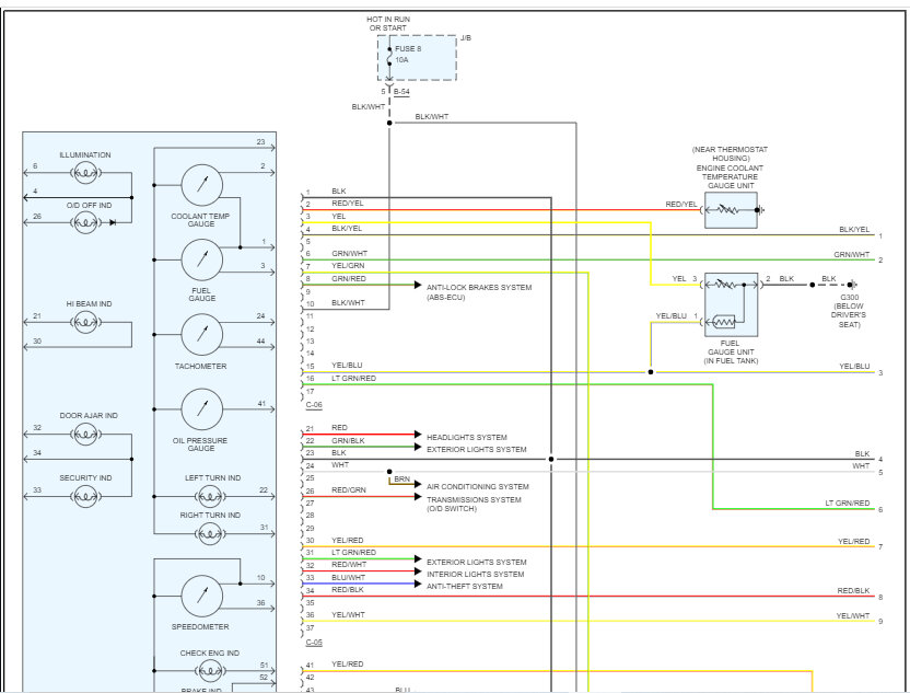
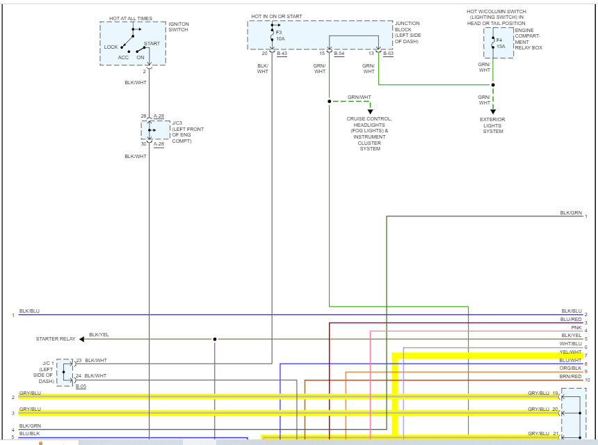
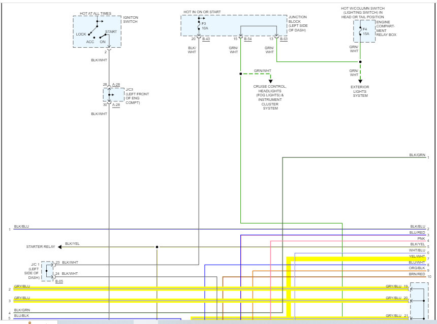
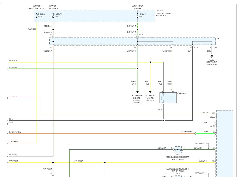
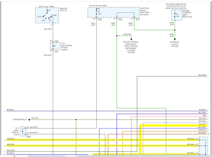
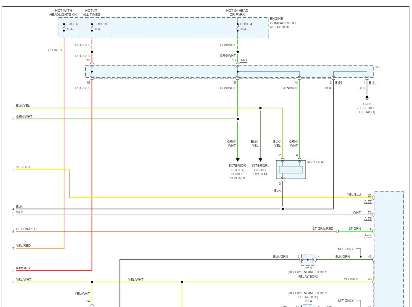
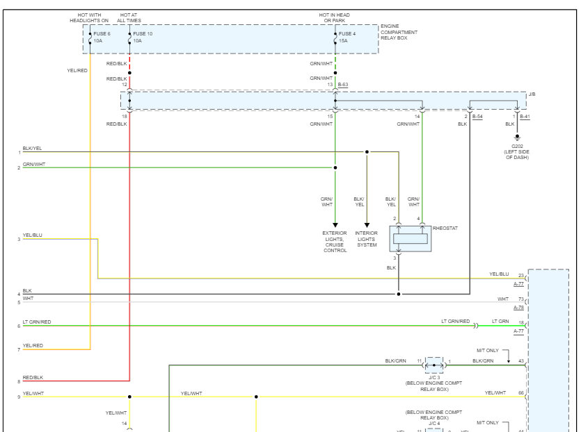
If you look below, I included the entire schematic for the instrument panel circuit. In the manual, it is two pages long. To make them readable for you, I had to cut each page in half. I did overlap them so you can follow from one to the next.

I hope this helps.

Take care,

joe

See pics below.
Was this
answer
helpful?
Yes
No
+1
Monday, January 23rd, 2023 AT 5:37 PM
Tiny
RAILFANNER
  • MEMBER
  • 16 POSTS
Hi Joe, thanks for posting the entire schematic - it helps!
I received the new/old gauge cluster today and swapped it into the dash. (Btw, there are confirmed only 2 multi-wire plug connectors that go into the gage cluster.) Anyway, there's good and bad news:

1. The Tachometer seems fixed. No more craziness there, does not wind backwards, and shows accurate RPMs (idle, during revs and in driving). I had read about a crazy behavior tach like mine - and in that post was said it likely was caused by the gage mb being "flexed" - which the mb could do as the connections for the 4 gages in the cluster are large elec pins/posts that actually pass thru the mb and thru "gripper electrical connections" in mb that grip those pins. Easy to push the mb in a bit more and the pins are still held securely - which can hold the mb in a flexed-in position - likely causing this issue.

2. Speedo still is off just as it was in the old cluster. Same exact behavior. On some key starts, speedo will "pip" up to 20 MPH, then settle back to zero. Will do that same thing on some accels from zero while driving. Still accurate to 35, then can jump to 45 (when going 36-38) and then generally inaccurate by 10-15 MPH. Gets very accurate again around 70-72. But go 73+ and jumps up 20 MPH (shows 93-95). When this originally happened, I changed the alternator, thinking that anything that "went up" with actual road speed increase may be causing some interference. But the new alt did not fix or change the issue. Have not changed the battery.

Still stumped, but stubborn and I want badly to find this root cause. There's a lot of others with this issue that also cannot find it (from my research.) Thanks for helping.
Was this
answer
helpful?
Yes
No
Tuesday, January 24th, 2023 AT 4:04 PM
Tiny
RAILFANNER
  • MEMBER
  • 16 POSTS
Hi Joe - After more thinking, I guess I will try 3 things:

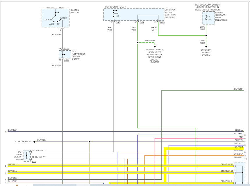
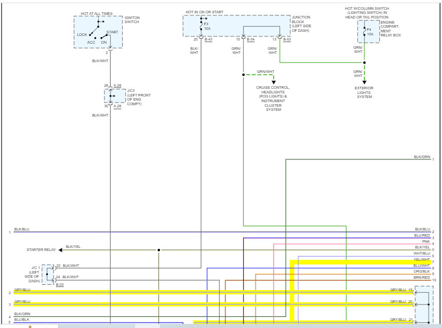
1. Investigate and trace wiring to see if any wire is compromised. There is Yel/Wht from speedo to data port, and on into ECM, a Wht/Grn from Input spd sensor to ECM, and then a Gry/Blu, from ECM, common to both Input and Output spd sensors. The Gry/Blu come together "below eng comp relay box" at J/C 4 - is this a simple wire T-connection or is this something else? See schematic attached below for area I'm talking about.

2. Go to a shop with a good scan tool, to see the inputs while driving, or on a driving stand (to see if that indicates where interference is coming from) and go from there.

3. Replace the battery - but this just seems like throwing parts at the problem.

What do you think?
Was this
answer
helpful?
Yes
No
Wednesday, January 25th, 2023 AT 8:22 AM
Tiny
JACOBANDNICKOLAS
  • MECHANIC
  • 110,194 POSTS
Hi,

I don't feel the battery is the issue. Have you removed the output speed sensor and checked its condition? If not, do that. Pic 1 below shows the location and pic 2 explains how to test it. If the sensor falls within specifications, then I suggest having a live data scan tool used to see if there is something indicated.

Certainly, it is always a good idea to check the wiring and connectors. But this seems too consistent to be a faulty connector. At least that's my opinion. However, I've been wrong before and will be again. LOL

Also, there may be a diagnostic trouble code stored that you will find helpful. Having the CAN-BUS scanned may provide specifics. CAN stands for controller area network. Basically, different modules are tied together via a few wires. This type of scan will retrieve codes regardless of the module storing them.

https://www.2carpros.com/articles/can-scan-controller-area-network-easy

You can get a scan tool that reads CAN codes for not much money at all. It may be cheaper than paying someone to do it for you.

Let me know,

Take care,

joe

See pics below.
Was this
answer
helpful?
Yes
No
+1
Wednesday, January 25th, 2023 AT 7:42 PM
Tiny
RAILFANNER
  • MEMBER
  • 16 POSTS
Just to stay responsive, the first thing I did when I had this issue was replace both input and output speed sensors, about a year ago now - LOL. They were not expensive, a bit of a pita to get to on the transmission housing, but I figured the most likely culprits for my issue. I replaced them both, as it was suggested to do that. Unfortunately, the new set did not seem to change or affect the speedo issue at all. That' was when I moved on to replace the alternator.

Thank you! It's good to have the diagnostic and resistance readings to see if the sensor may be bad. I still have the original speed sensors, so I may try to test the resistance on those just to see if they were faulty and pull the new ones to compare.

I found a diagram of the connector to speed sensor (below). I was curious about the "8 volt" power supply wire (?) Since I have odd spikes and weird jumps in speedo displayed speed at certain points, could that input voltage be spiking or compromised? I don't know where 8 volts is coming from, as I don't know about a voltage regulator, unless it's in ECM(?) Btw, I also have a new/old ECM that I replaced as well, it also did not change this issue.
Was this
answer
helpful?
Yes
No
Thursday, January 26th, 2023 AT 6:42 AM
Tiny
JACOBANDNICKOLAS
  • MECHANIC
  • 110,194 POSTS
Hi,

The voltage regulator is integral to the powertrain control module. I'm not sure why this was done years ago, but it was. LOL

As far as the 8v, that comes from the ETAX-ECM. The 8v reference is provided to the sensor and based on resistance, the sensor information is used by the speedometer.

Could that be an issue, and do I agree with your theory, absolutely? If we have power spikes it will affect the speedometer.

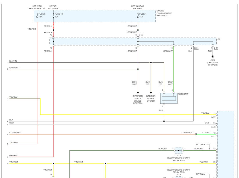
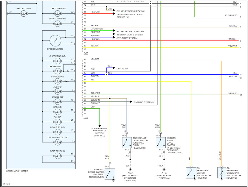
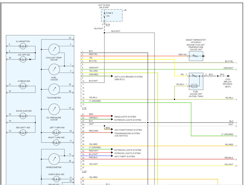
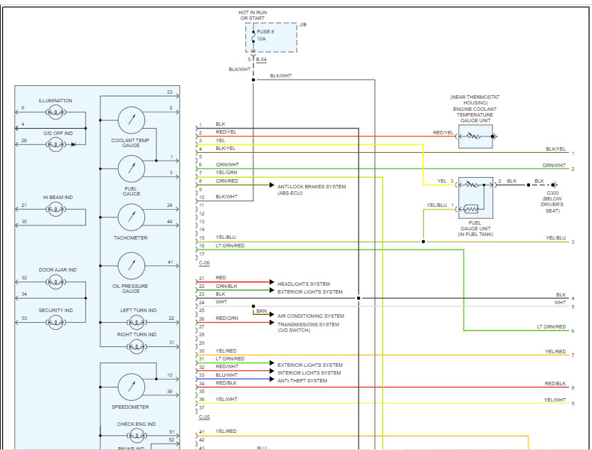
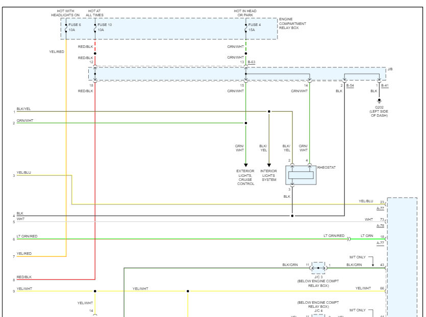
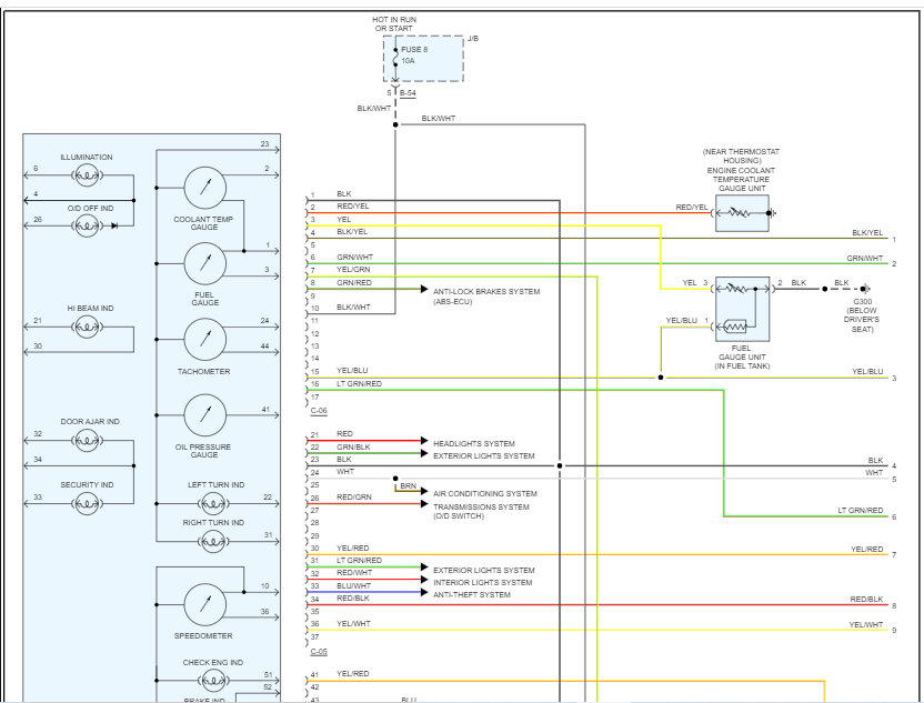
I attached the wiring schematic below of the transmission circuits. The schematics were three pages long. I cut each page in half to make them readable but did overlap so you can follow through them. Each pair below is one page.

Additionally, I highlighted all the wiring related to the output speed sensor all the way to the speedometer cluster, which is the very last pic.

Let me know if this helps.

Joe

See pics below.
Was this
answer
helpful?
Yes
No
+1
Thursday, January 26th, 2023 AT 2:11 PM
Tiny
RAILFANNER
  • MEMBER
  • 16 POSTS
Great stuff, thanks Joe! I ordered a scan tool, which should arrive tomorrow (Sat). I plan to hook that up and read any codes thrown. Will let you know any info when I do that. Thanks for staying tuned.
Was this
answer
helpful?
Yes
No
Friday, January 27th, 2023 AT 9:11 AM
Tiny
RAILFANNER
  • MEMBER
  • 16 POSTS
Hey Joe,

After a week of bad weather, I finally got to try the OBD scan tool, but it found zero codes (no issues). I drove with it, and watched as it graphed the vehicle erratic speed, but still did not indicate any issues. So, no help there.

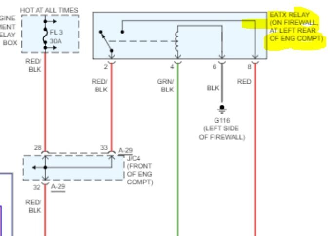
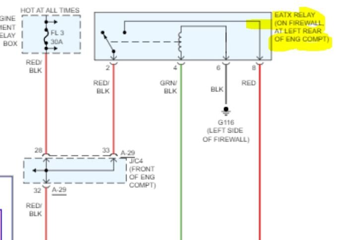
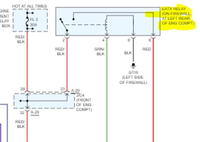
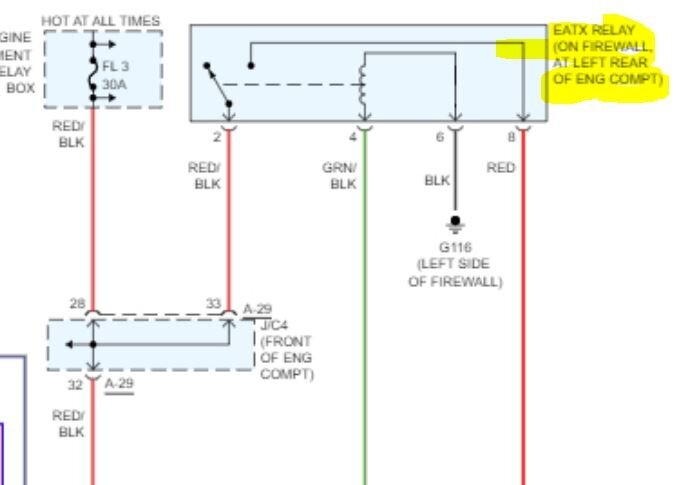
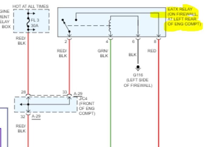
I had a new idea. I swapped out the relay for the TCM (in the main relay box at front of engine compartment). No change/no fix. Back to your message on the 8v ETAX ECM. Is there another relay for this? I attached a pic below that says that there is another one on firewall but is it low/high/where? - Diagram of location of this? Thanks
Was this
answer
helpful?
Yes
No
Sunday, February 5th, 2023 AT 9:24 AM
Tiny
JACOBANDNICKOLAS
  • MECHANIC
  • 110,194 POSTS
Hi,

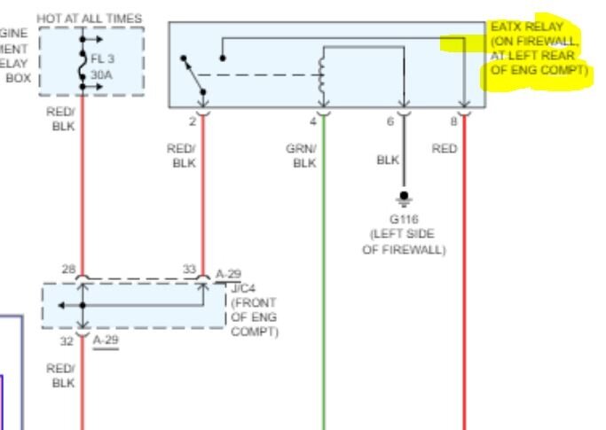
I believe it is near the brake master cylinder. I was able to find a pic. It is next to the ASD relay. See pic below.

Let me know if you are able to find it.

Take care,

joe

See pic below.
Was this
answer
helpful?
Yes
No
Sunday, February 5th, 2023 AT 4:19 PM
Tiny
RAILFANNER
  • MEMBER
  • 16 POSTS
Hey Joe,

Couldn't find that cluster of 3 relays shown in your diagram. Maybe that is for a different year than my 1998 Sebring JX? Anyway, I did find a box of 4 relays just back of the + conn post, which contains the Rad Fan Hi and Lo relays, the Starter relay, and the ASD relay. The fuel pump relay and TCM relay are in the main relay/fuse box in front of the + conn post. No sign of an EATX relay, which is the one I was hunting.

I'm likely going to try to service the harness connectors for the speed sensors, but since I'm getting a speedometer reaction that reliably jumps only at certain speeds, I still think it's an electrical interference issue or rogue signal / current leak vs. Loose conn. I have had relays bleed a little current in the past (not quite fail, but start to misbehave). That's why I wanted to find and put in a new relay for that EATX. Any comments, most welcome. Thanks.
Was this
answer
helpful?
Yes
No
Wednesday, February 8th, 2023 AT 4:05 PM
Tiny
JACOBANDNICKOLAS
  • MECHANIC
  • 110,194 POSTS
Hi,

The info is for that year, make, and model. I agree with you that it is related to an interference, but it has to be something that can remain consistent. I'm wondering if there is an issue with a tone ring that the speed sensor uses to determine speed. I remember you saying you had replaced the speed sensors a while back. Did the vehicle act the same?

Let me know.

Joe
Was this
answer
helpful?
Yes
No
Thursday, February 9th, 2023 AT 5:05 PM
Tiny
RAILFANNER
  • MEMBER
  • 16 POSTS
Yes, I replaced both input and output speed sensors originally. But the erratic speedo remained, and at same spots in the speedo as before sensor replacement. For ex, when speedo hits 72mph ( 71mph GPS) during accel, it then jumps to 93mph, and remains in 93-105mph band, until decel below 72 GPS, when it drops from 93/94 back to 70/71. That behavior happens every time, very reliable.

I replaced speed sensors, then alternator, then TCM, then gage cluster (incl speedometer). The second gage cluster speedo was "off" exactly like my original one. No error codes found.

I also had fuel pump (in tank) replaced back when I noticed the speedo issue as I was also experiencing an intermittent loss of power on accel from a stop, where the engine would just not respond to accel input until about 2 sec, usually if nose was headed uphill, but very intermittent. Never had a shifting issue, however. After first fuel pump replace, the fuel gage didn't work well - it got "stuck" up at 1/4 tank, and I ran out of gas. Then, gas gage went haywire, and dropped to zero even with a full tank. A replacement fuel pump (fixed under warranty) finally got that resolved. However, throughout, the wacko speedo issue has remained constant, and is stubbornly persistent and predictable.

I appreciate your hanging in there on this! Cheers.
Was this
answer
helpful?
Yes
No
Sunday, February 12th, 2023 AT 7:44 PM
Tiny
JACOBANDNICKOLAS
  • MECHANIC
  • 110,194 POSTS
Hi,

Thanks for the update. At this point, I'm not sure which direction to point you in. It doesn't make sense considering what has been replaced and the issue never changed.

I am going to ask the site owner for his opinion. I suspect a new set of eyes will be helpful.

Take care and stay in touch.

Joe
Was this
answer
helpful?
Yes
No
Sunday, February 12th, 2023 AT 7:53 PM

Please login or register to post a reply.