Intake Manifold gasket

Tiny
XXHOPPXX
  • MEMBER
  • 1999 PONTIAC FIREBIRD
  • 6 CYL
  • 2WD
  • AUTOMATIC
  • 90 MILES
I have to replace the plenum and intake manifold gaskets on a 99 pontiac Firebird 3.8 3800 series 2 rwd engine. First time to do this job, is there details? A step by step, or a video, or anything to help me not sweat this job as bad. It's my only car right now so when I take it down I have to be sure to have everything I need. I'm looking forward to the task, but I nervous about some aspects, like the injectors.
Thanks guys!
Saturday, June 18th, 2011 AT 1:44 AM

1 Reply

Tiny
WRENCHTECH
  • MECHANIC
  • 20,761 POSTS
Hello,

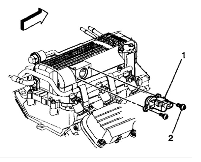
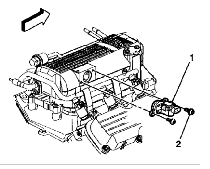
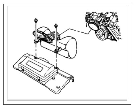
Here is a guide and the diagrams (below) needed to replace the intake manifold gasket with a new one.

https://www.2carpros.com/articles/replace-intake-manifold-gasket

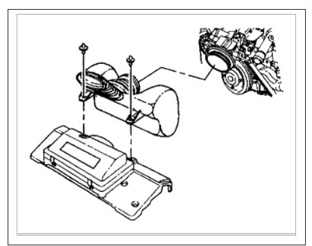
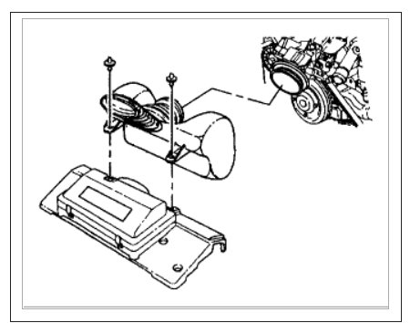
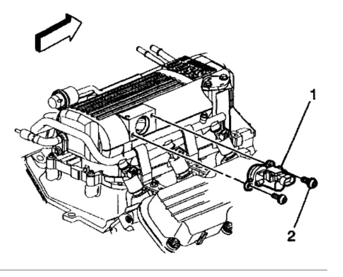
Here are the diagrams for your car below.

Install the upper intake manifold bolts (1, 3, 4).
Tighten the upper intake manifold bolt (3) to 15 Nm (11 ft. lbs.) .
Tighten the nine upper intake manifold bolts (4) to 10 Nm (89 inch lbs.).
Tighten the two upper intake manifold bolts (1) to 30 Nm (22 ft. lbs.).

Check out the diagrams (Below). Please let us know if you need anything else to get the problem fixed.

Cheers
Was this
answer
helpful?
Yes
No
Saturday, June 18th, 2011 AT 12:34 PM

Please login or register to post a reply.