Sunday, April 1st, 2012 AT 2:40 AM
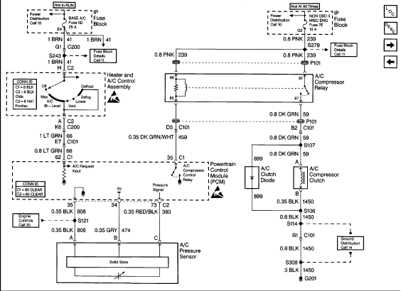
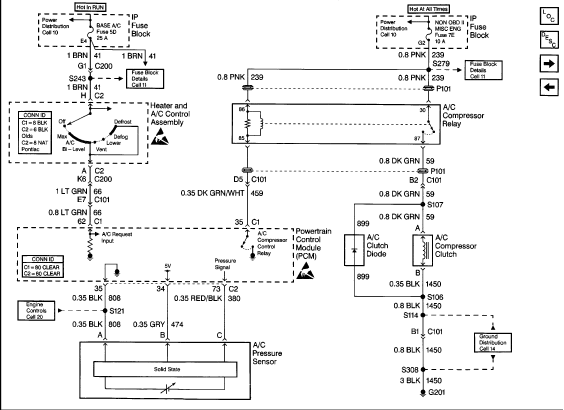
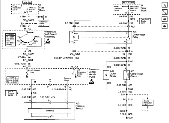
AC on and blower blowing, but warm air. Clutch is not engaging. Checked fuse under the dash and larger fuse on the firewall. Both are good. Could use a schematic of the wiring for the AC to trace down where the voltage went. And/or suggestions on wherelse to look. Thanks!


