Monday, March 7th, 2011 AT 3:59 PM
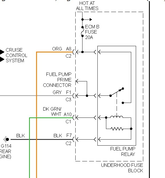
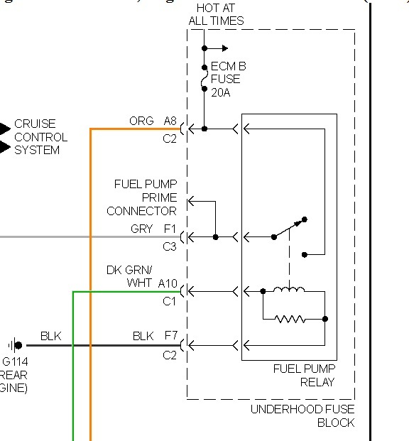
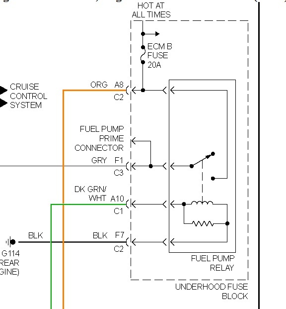
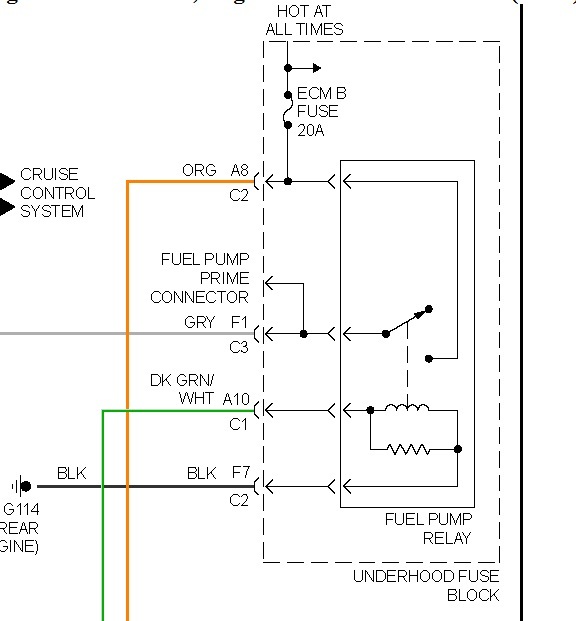
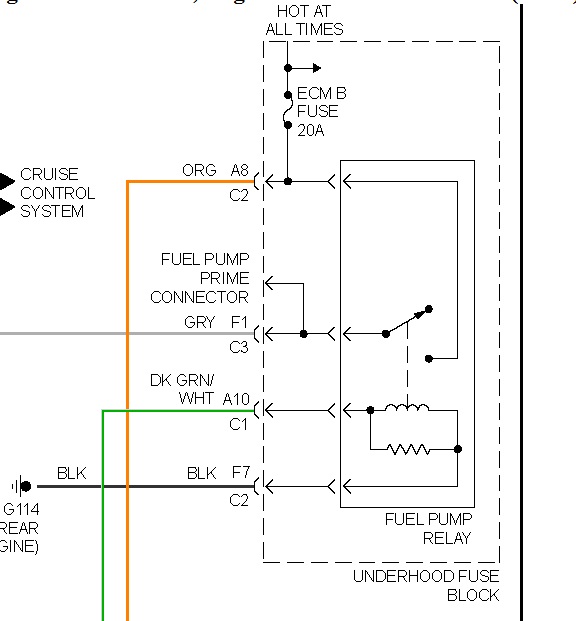
I am having a fuel issue and my truck will usually not start. I have replaced the fuel pump thinking that was the issue but it wasnt. So now I have a new fuel pump and if I hook it up directly it will run fine if hooked to connector on vehicle when I turn key I hear nothing with little to no fuel pressure at all. I have checked the fuse and relay and took of ground under battery sanded and reconnected. Also has new spider injectors that I just replaced. Gas gauge reads empty now but has about 10 gallons in so maybe them wires are backwards but dont think thats an issue I did get it started once and was able to drive it but after shutoff wouldnt restart. I am lost please help


