Friday, December 3rd, 2010 AT 3:54 AM
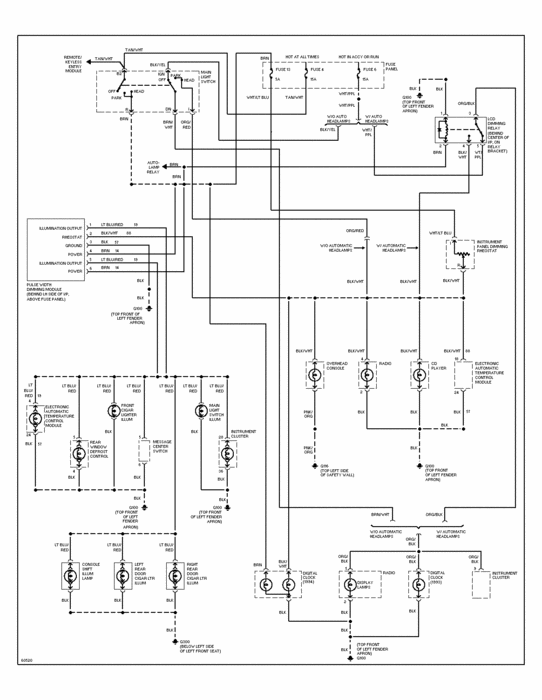
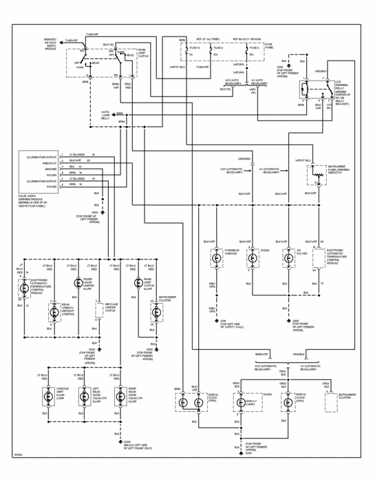
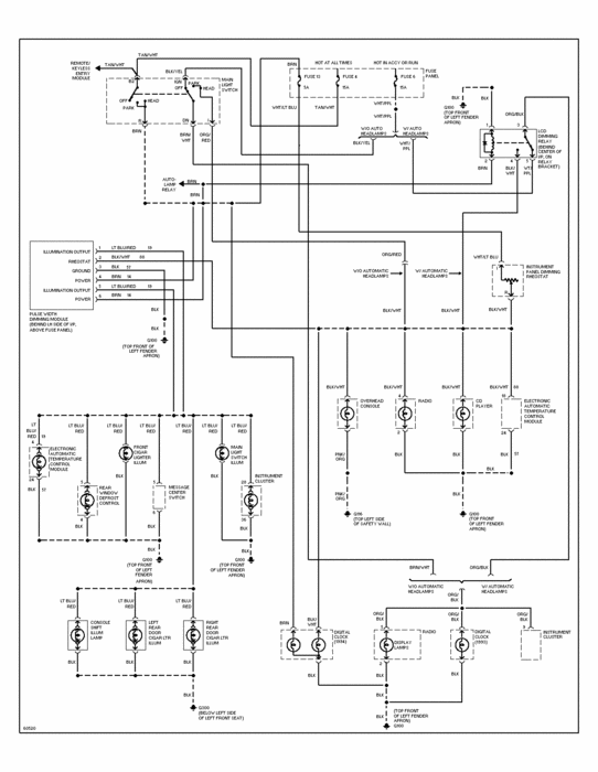
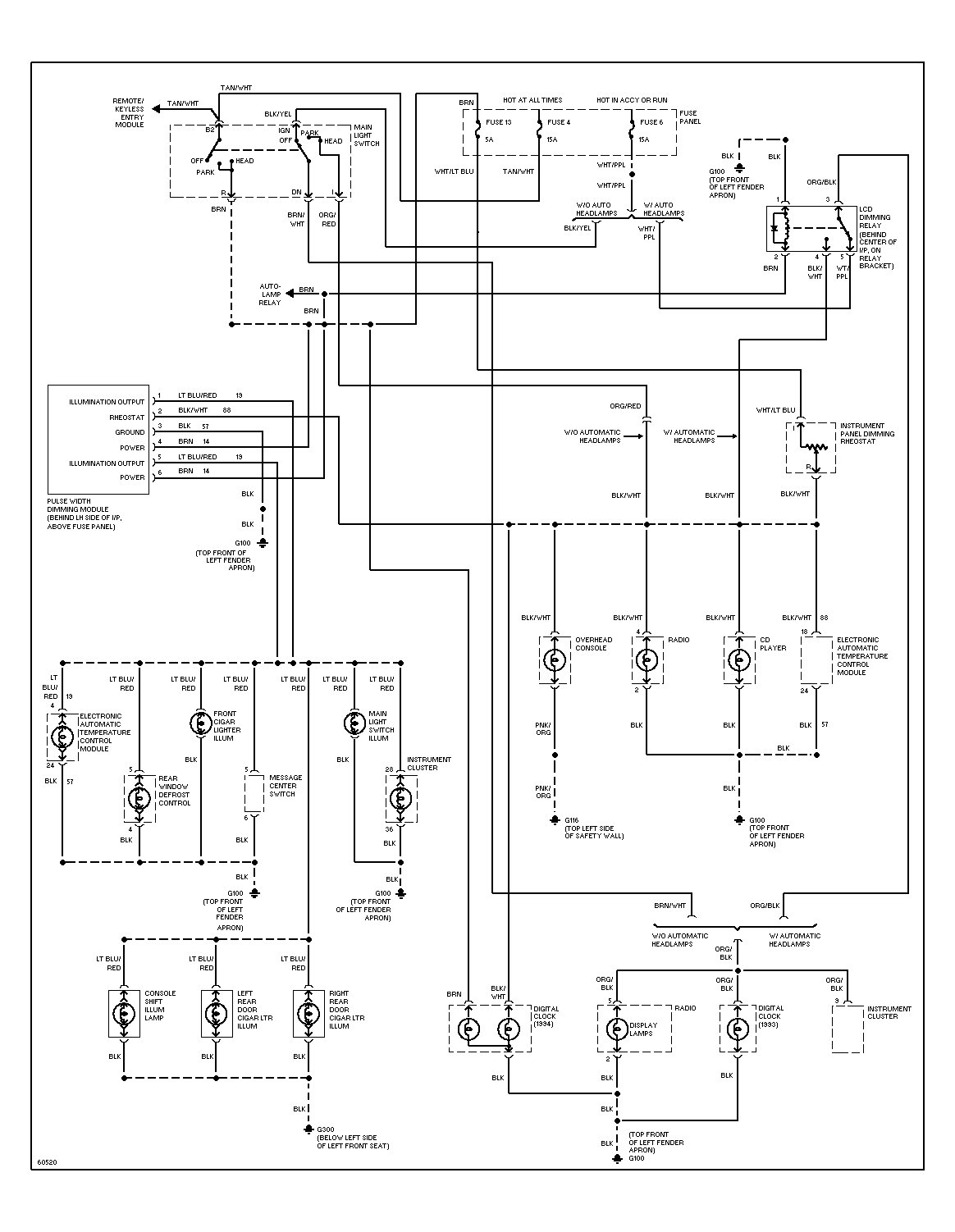
I have a 1999 Lincoln Continental with floor shift. Recently, once I've been driving for a few minutes, the display to the left (MPG, Range, Etc.) Will start flashing with all sorts of hieroglyphs. The rest of the cluster's lights will flicker as well. Is this a problem with the cluster itself, or with the computer. And is the cluster replaceable?




