1999 GMC Safari

Tiny
TAMMY1968
  • MEMBER
  • 1999 GMC SAFARI
  • 6 CYL
  • AUTOMATIC
I need to know how to change a 99 gmc safari starter.
Saturday, March 12th, 2011 AT 5:00 PM

1 Reply

Tiny
RASMATAZ
  • MECHANIC
  • 75,992 POSTS
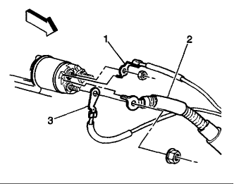
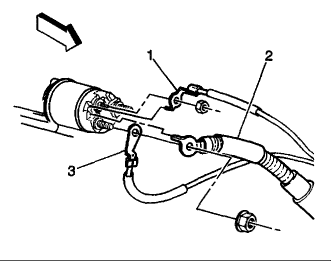
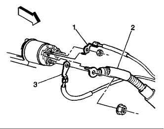
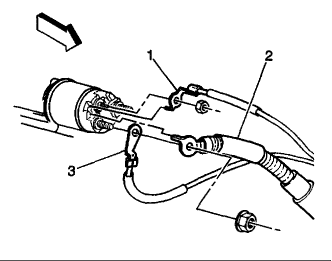
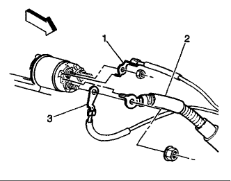
REMOVAL PROCEDURE

CAUTION: Refer to Battery Disconnect Caution in Cautions and Notices.

Disconnect the battery negative cable.
Raise the vehicle.
Remove the starter motor mounting bolts.
Remove any shims previously used.
Lower the starter motor.
Disconnect the starter enable relay lead (1), the battery battery positive cable (2) and the generator output (BAT) lead (3) from the starter solenoid field leads.
Remove the starter motor.
Was this
answer
helpful?
Yes
No
+3
Saturday, March 12th, 2011 AT 8:16 PM

Please login or register to post a reply.