HOME
ASK A QUESTION
REPAIR GUIDES
BECOME A MEMBER
LOG IN
Login with Facebook
OR
Remember me
NOT A MEMBER?
FORGOT PASSWORD?
CONTACT US
PRIVACY POLICY
TERMS AND CONDITIONS
☰
Home
Ford
F-250
Interior
Cruise Control
Cruise control
D GORDON
MEMBER
1999 FORD F-250
V8
2WD
MANUAL
185,000 MILES
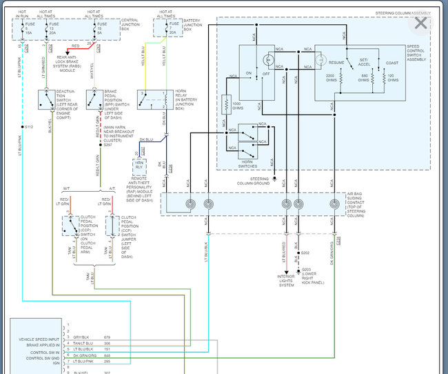
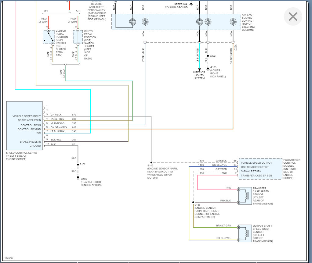
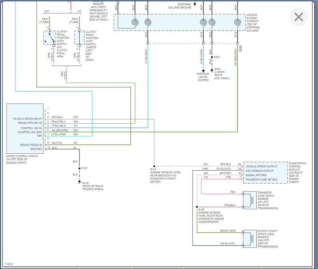
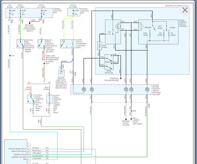
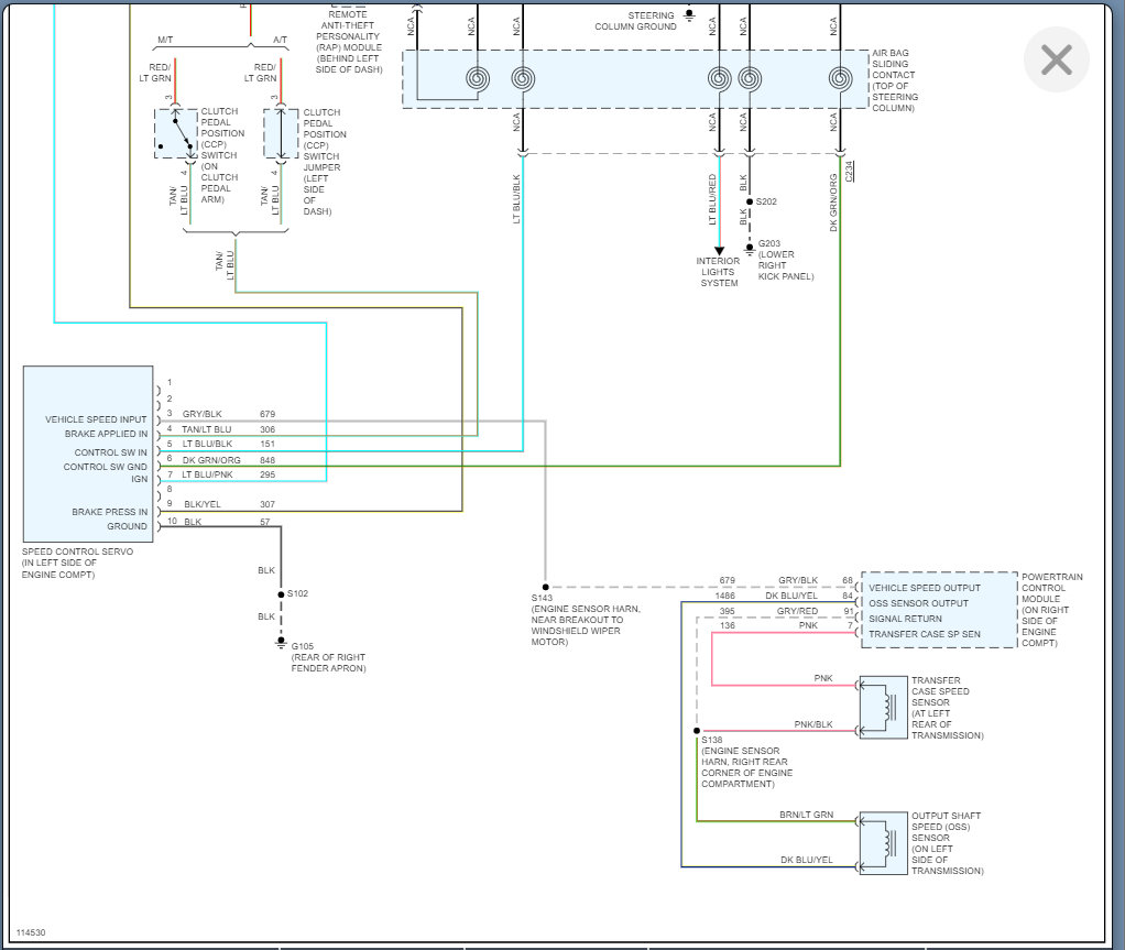
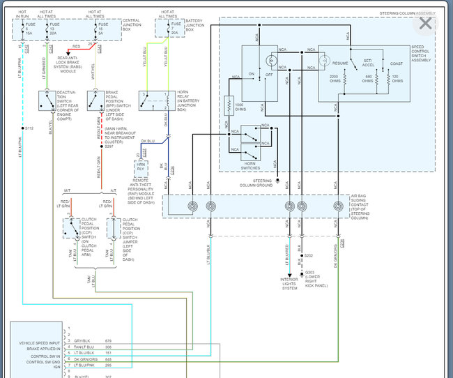
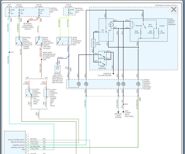
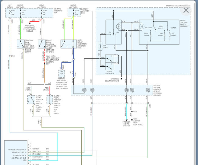
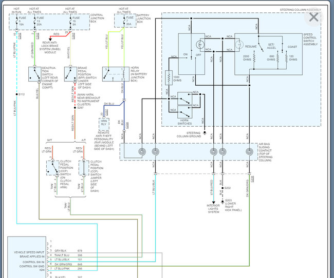
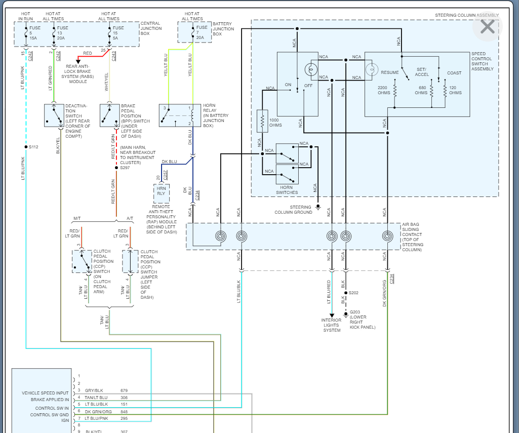
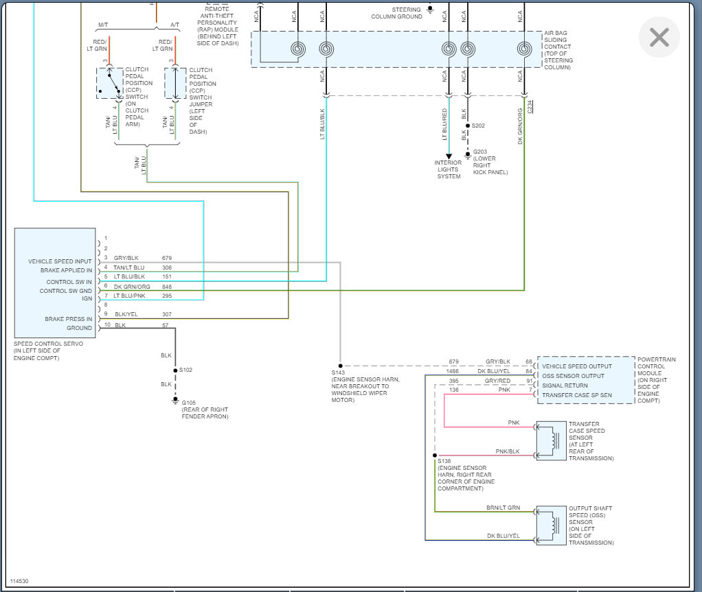
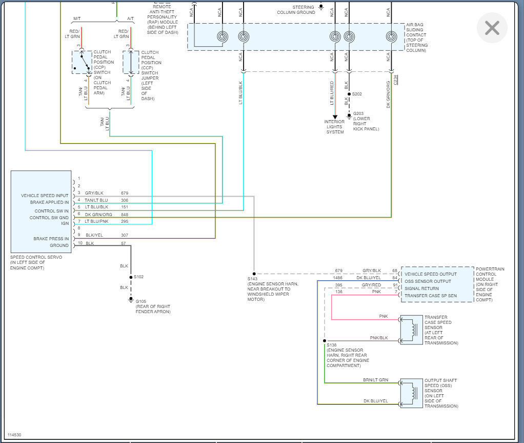
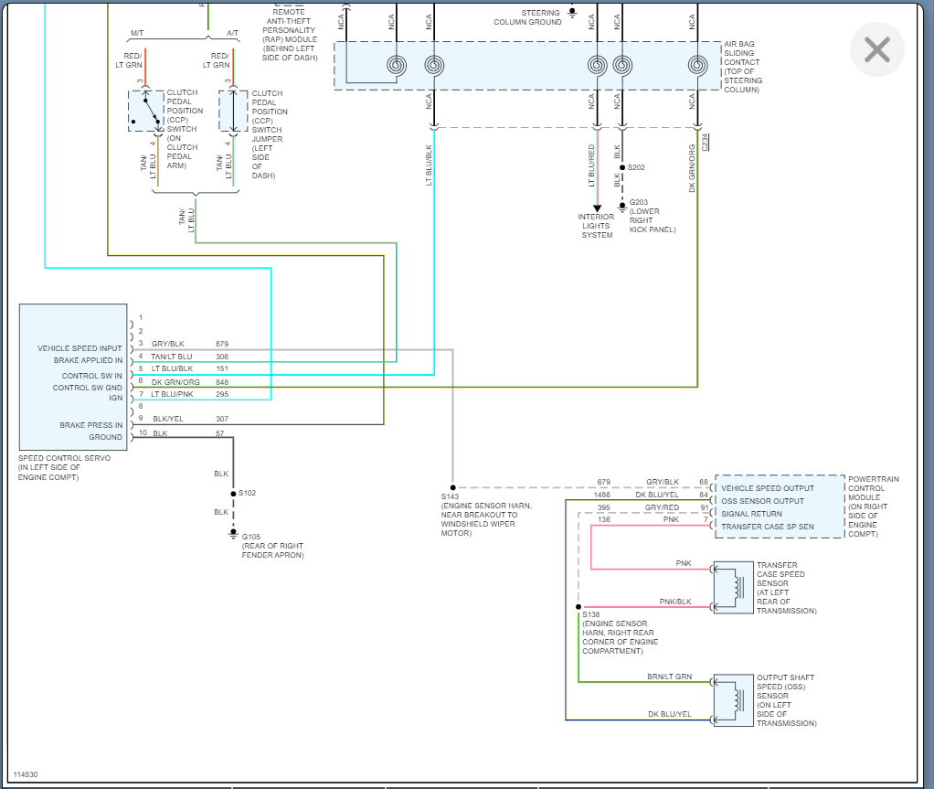
Need to know the amp of fuse and where it is located
Monday, May 4th, 2015 AT 2:57 PM
1 Reply
KASEKENNY
MECHANIC
18,907 POSTS
I will attach the wiring diagram below for this which will show the fuses that you need the check.
Here are a couple guides that will help with testing and checking these fuses in case you need this as well:
https://youtu.be/Hlna_kUt7As
https://www.2carpros.com/articles/how-to-check-a-car-fuse
Please see the wiring diagram below and let us know what questions you have.
Thanks
Images (Click to make bigger)
Was this
answer
helpful?
Yes
No
Thursday, March 10th, 2022 AT 7:11 PM
Please
login
or
register
to post a reply.
Related Cruise Control Content
1986 Ford F250 Cruise Control For 86 F250 6.9l Diesel
Have Good Brake Light Circuit, Have Good Vacuum, Replaced Vacuum Reservoir (old Coffee Can Had A Hole In Her), But Still No Cruise. Do...
Asked by
86F2506.9
·
3 ANSWERS
1986
FORD F-250
Blinkers/cruise Control
Blinkers Quit Blinking When Brakes Are Applied. Cruise Control Quits When You Put Blinker On. Downshifts When You Put Blinker On.
Asked by
myerslee1980
·
1 ANSWER
1996
FORD F-250
1999 Ford F-250 Stereo System
I Just Bought The Truck And It Does Not Have The Factory Stereo. I Want To Try And Find One But Am Not Sure What Makes/models/years To Look...
Asked by
pat rollins
·
3 ANSWERS
2 IMAGES
1999
FORD F-250
1999 Ford F-250 Electrical Problem
I Noticed My Interior Light Was On Even Though The Switch Was Off. I Took The Bulb Out. The Next Day I Noticed The Light Over The Bed Was...
Asked by
usnrmustang
·
2 ANSWERS
1999
FORD F-250
Cigarette Lighter
Ford Ranger 1991, 250 000 Miles, 4 Cylinder. My Question Is About The Cigarette Lighter In My Truck, It Will Work With The Function To...
Asked by
Raylene21
·
5 ANSWERS
FORD F-250
VIEW MORE
Ask a Car Question. It's Free!
How to Use a Test Light
Door Panel Removal
Window Switch Replacement and Test